.it
Benvenuti
Contatti
Spedizione
L’azienda
Guest book
Condizioni e Privacy
Catalogare
Tagliare, profilare
Componenti per motore
Officine meccaniche
Parti e componentistica per macchine varie
Forestali
Articoli elettrici
Articoli invernali
Cinghie trapezoidali e relative pulegge
Filters
PEZZI DI RICAMBIO
Sprocket Rims
Guide Bars
Chainsaw Chains
Search by Part Number
Diagrammi ed elenchi
Servizio
Determine Chain
Ricerca
Il mio account
Registrati
Log in
Settings
DE
EN
FR
ES
IT
Desktop
MTD GE 45 C 11B-T34Z678 (2000) Handle, Blade, Engine Ricambi
Start
MTD
Petrol mower
GE 45 C
11B-T34Z678 (2000)
Handle, Blade, Engine
Handle, Blade, Engine 11B-T34Z678 (2000)
Posizione
Articolo numero
Descrizione
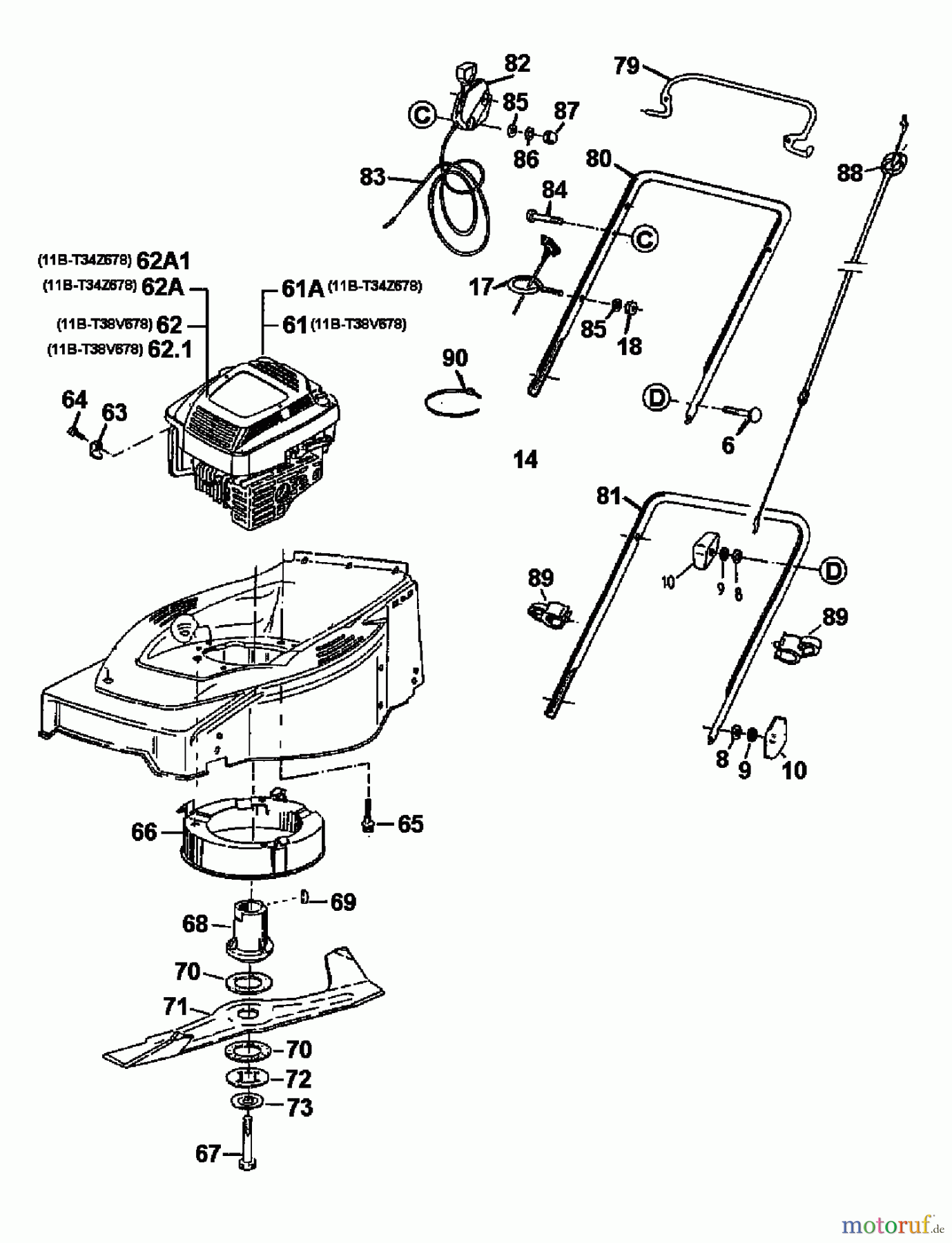
6
710-1719
BOLT:CRG:M8x1.25x50 DIN 603
8
736-0700
WASH:FLAT:8.4 x 16 x 1.60
9
736-0689
WASH:LOCK:B 8.4:DIN 6798
10
000.02.377
WING NUT
17
000.02.621
STARTER HOLDER
18
712-0691
NUT:HEXLK:M6-1:NYLON:DIN 985
61
752B1771E1
ENGINE QUA X 4.5/5.0/6.0
61A
752B2040B1
ENGINE:4.0 QUAT R5 #6:
62
731-1396A
ENGINE HOOD
62.1
710-1256
SCR:HL:#8-18:1.250:PANPHI
62A
751B281857
ENGINE HOOD QUATTRO
62A1
751B095225
SCREW 10-32:2. 320 HXWSH
63
731-2219
BUSHING, RETAINING
64
710-1237
HEXSCREW:T:10-32:.625:HXINDWSH
65
710-0654A
SCR:TTSEMS:3/8-16:1.000:HXLWSH
66
731-2075
RING -WB-
67
000.02.282
BLADE SCREW
68
079.77.230
BLADE HUB
69
25.5239.09
DISC SPRING
70
736-0752
FRICTION WASHER
71
742-0806
BLADE
72
782-7051
PLT:LOCK:BLADE
73
000.20.652
SPRING WASHER
79
747-1006637
BRAKE BAIL
80
749-1036637
UPPER HANDLE
81
749-1033637
HANDLE LOWER PART
82
079.13.632
GAS CONTROL ASSY.
83
746-0989
BOWDEN WIRE GAS
84
23.5422.23
CURVED CARR. BOLT M6x30
85
736-0668
WASH: FLAT: 6.4x12x1.6
86
736-0648
WASHER:LOCK:B6:DIN 127
87
24.3423.14
Nut
88
746-0978
CABLE: BRAKE: ASSY.
89
731-1820
CBL:GDE
90
000.70.563
CABLE TIE
Gestione della qualità
Aiutaci a migliorare il nostro sito. Informaci se trovi un errore.