.it
Carrello
vuoto
Il mio account
Registrati
Log in
Benvenuti
Contatti
Spedizione
L’azienda
Guest book
Condizioni e Privacy
Catalogare
Tagliare, profilare
Componenti per motore
Officine meccaniche
Parti e componentistica per macchine varie
Forestali
Articoli elettrici
Articoli invernali
Cinghie trapezoidali e relative pulegge
Filters
PEZZI DI RICAMBIO
Sprocket Rims
Guide Bars
Chainsaw Chains
Search by Part Number
Diagrammi ed elenchi
Servizio
Determine Chain
Ricerca
DE
EN
FR
ES
IT
Versione mobile
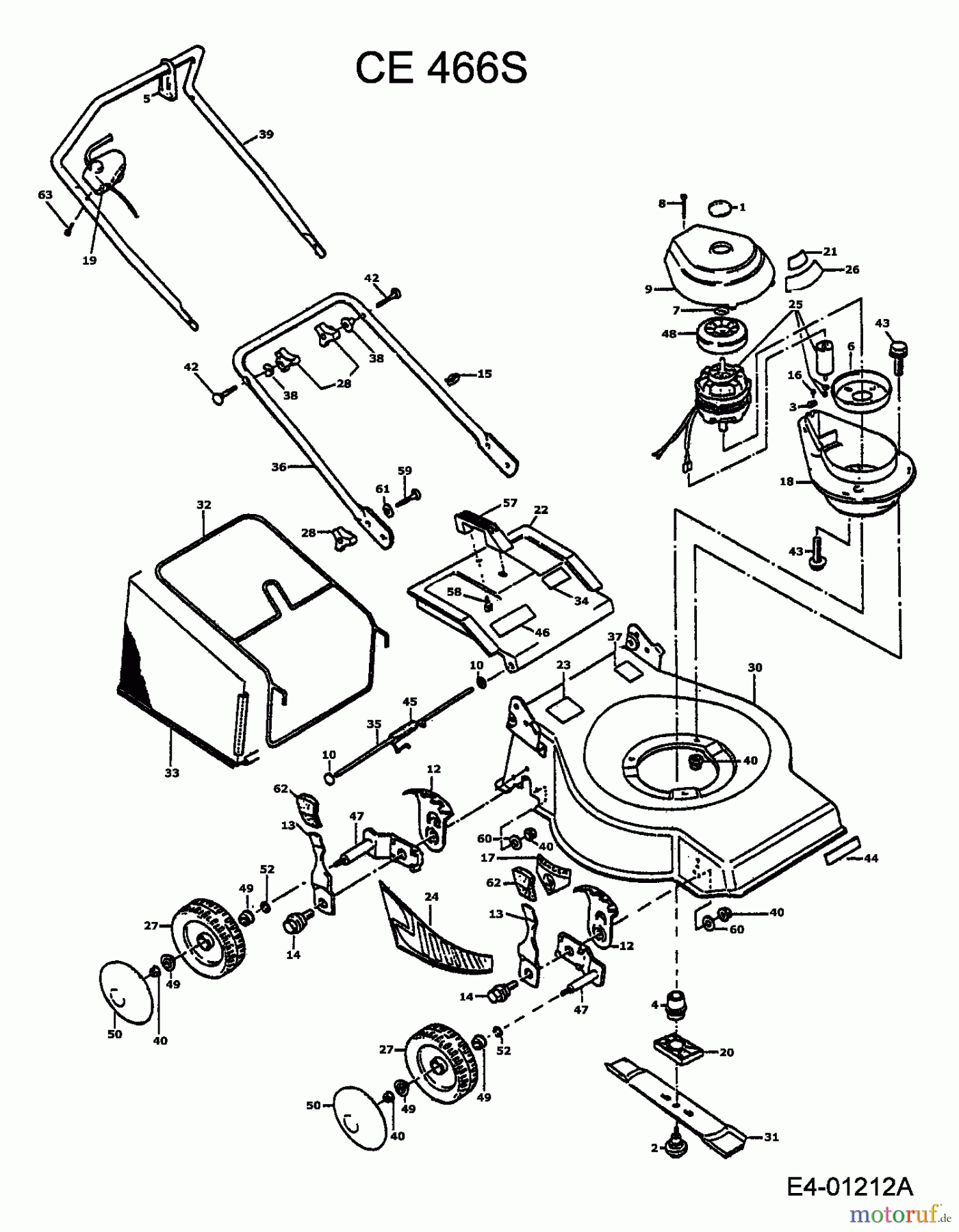
MTD CE 466 S 901E465S002 (1994) Basic machine Ricambi
Start
MTD
Electric mower
CE 466 S
901E465S002 (1994)
Basic machine
Basic machine 901E465S002 (1994)
Posizione
Articolo numero
Descrizione
1
CSM032004
COVER
2
CSM032008
SCREW
3
CSM032018
CLIP-WIRE
4
CSM032023
ADAPTER
5
CSM032030
CABLE BRACKET
6
CSM032035
Cover
7
CSM032040
LABEL
8
CSM032045
Screw
9
CSM032002
ENGINE-GUARD
10
CSM045004
WIRE HOOK RECTANGULAR
12
CSM040011
HEIGHT ADJ
13
CSM040012
ANCHOR-SPRING
14
CSM040018
SCREW-TAP
15
CSM042032
CLIP
16
CSM042039
Screw
17
CSM042054
LABEL
18
CSM042110
RAIL ENGINE
19
CSM042112
Switch plug
20
CSM042152
BRACKET
21
CSM042210
LABEL
22
CSM043009
EJECTION FLAP
23
CSM043069
LABEL
24
CSM043070
LABEL
25
CSM043111/F
ELECTRIC ENGINE
26
CSM043164
LABEL
27
CSM046010.2
WHEEL
28
CSM046032
KNOB-NUT
30
CSM046201
HOUSING
31
CSM047101
BLADE
32
CSM046211
FRAME-CATCHER-FR
33
CSM046216
GRASS BAG
34
CSM046230
LABEL
35
CSM046256
DEFLECTOR AXLE
36
CSM046280
Lower link
37
CSM046282
LABEL
38
CSM046301
WASHER-STOP
39
CSM044011
BRACKET
40
CSM047113
NUT
42
CSM042058
SCREW-TRUSS MACH
43
CSM047317
Screw
44
CSM047018
LABEL
45
CSM047823
SPRING
47
CSM090013
BRACKET
48
CSM030082
FANE
49
CSM046108
BEARING-THRUST
50
CSM043115
HUB-CAP
52
CSM046048
WASHER-SPRING BELL
57
CSM046204
HANDLE GRIP
58
CSM047122
SCREW
59
CSM090016
SCREW-TRUSS MACH
60
CSM032013
WASHER-SPRING BELL
61
CSM047320
washer
62
CSM040016
ANCHOR-SPRING
63
CSM042040
Screw
Gestione della qualità
Aiutaci a migliorare il nostro sito. Informaci se trovi un errore.