.it
Carrello
vuoto
Il mio account
Registrati
Log in
Benvenuti
Contatti
Spedizione
L’azienda
Guest book
Condizioni e Privacy
Catalogare
Tagliare, profilare
Componenti per motore
Officine meccaniche
Parti e componentistica per macchine varie
Forestali
Articoli elettrici
Articoli invernali
Cinghie trapezoidali e relative pulegge
Filters
PEZZI DI RICAMBIO
Sprocket Rims
Guide Bars
Chainsaw Chains
Search by Part Number
Diagrammi ed elenchi
Servizio
Determine Chain
Ricerca
DE
EN
FR
ES
IT
Versione mobile
Wolf-Garten Quantum XE,XTE,XTL 35/40/45/50-I/C-ES 2069050 (1996) Crankcase, Crankshaft, Piston Ricambi
Start
Wolf-Garten
Petrol engines Briggs&Stratton
Quantum XE,XTE,XTL 35/40/45/50-I/C-ES
2069050 (1996)
Crankcase, Crankshaft, Piston
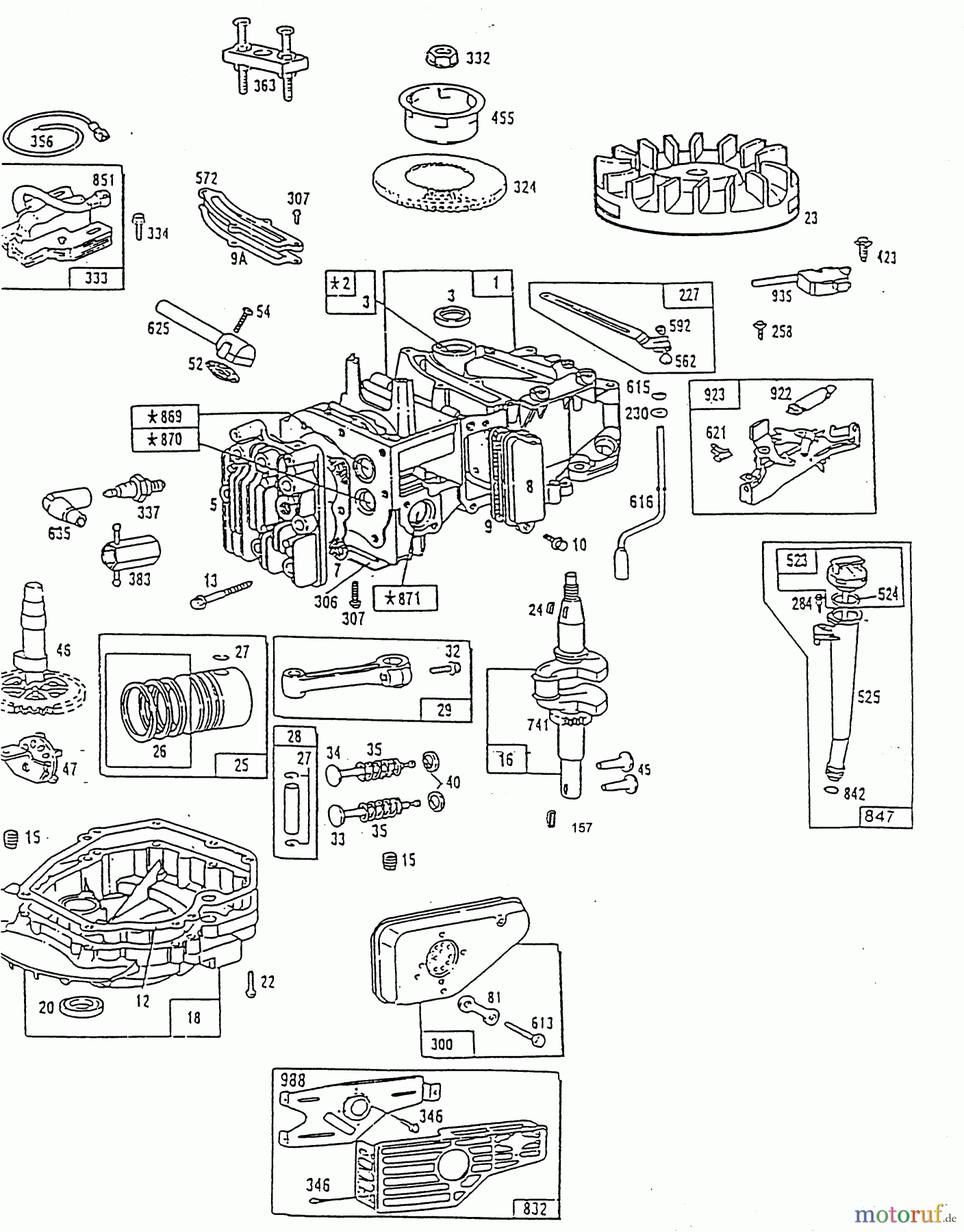
Crankcase, Crankshaft, Piston 2069050 (1996)
Posizione
Articolo numero
Descrizione
1
2063100
Cylinder
2
1034101
BUCHSE G2 399269
3
2063101
Bourrage
5
2063102
ZYLINDKOPF G2 691160
5
2063126
Cylinder haed
7
2063103
DICHTUNG G2 272 200S
8
2063104
ENTLUEFTER G2 495786
9
2063105
Joint
9A
2063209
DICHTUNG G2 691879
10
2063106
Vis d'assemblage
12
2063107
DICHTUNG G2 692232
13
2063108
Vis d'assemblage
15
2065103
KURBELWELLE G2 691452
16
2058103
Crankshaft (82 mm, Ø 25,0)
16
2066103
Crankshaft 82 mm, Ø 22,2)
16
2065103
KURBELWELLE G2 691452
18
2063111
OELWANNE G2 493 279
20
2063112
RING-SIMM. G2 399781S
22
2063113
SCHRAUBE G2 691092
337
2058305
SPARK PLUG
635
1034435
ZÜNDK.STECK G2 66538S
Gestione della qualità
Aiutaci a migliorare il nostro sito. Informaci se trovi un errore.