Wolf-Garten TC 32 MAC 3617000 Series A (2004) Wiring diagram Ricambi
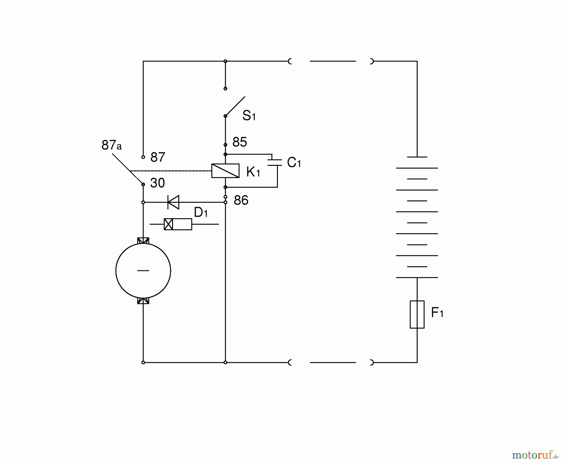
Wiring diagram 3617000 Series A (2004)

| Posizione | Articolo numero | Descrizione | |
| C1 | Kondensator | ||
| D1 | Diode | ||
| F1 | UEberstromausloeser | ||
| S1 | Geraeteschalter | ||
| K1 | Relais | ||


Gestione della qualità
Aiutaci a migliorare il nostro sito. Informaci se trovi un errore.

