.it
Carrello
vuoto
Il mio account
Registrati
Log in
Benvenuti
Contatti
Spedizione
L’azienda
Guest book
Condizioni e Privacy
Catalogare
Tagliare, profilare
Componenti per motore
Officine meccaniche
Parti e componentistica per macchine varie
Forestali
Articoli elettrici
Articoli invernali
Cinghie trapezoidali e relative pulegge
Filters
PEZZI DI RICAMBIO
Sprocket Rims
Guide Bars
Chainsaw Chains
Search by Part Number
Diagrammi ed elenchi
Servizio
Determine Chain
Ricerca
DE
EN
FR
ES
IT
Versione mobile
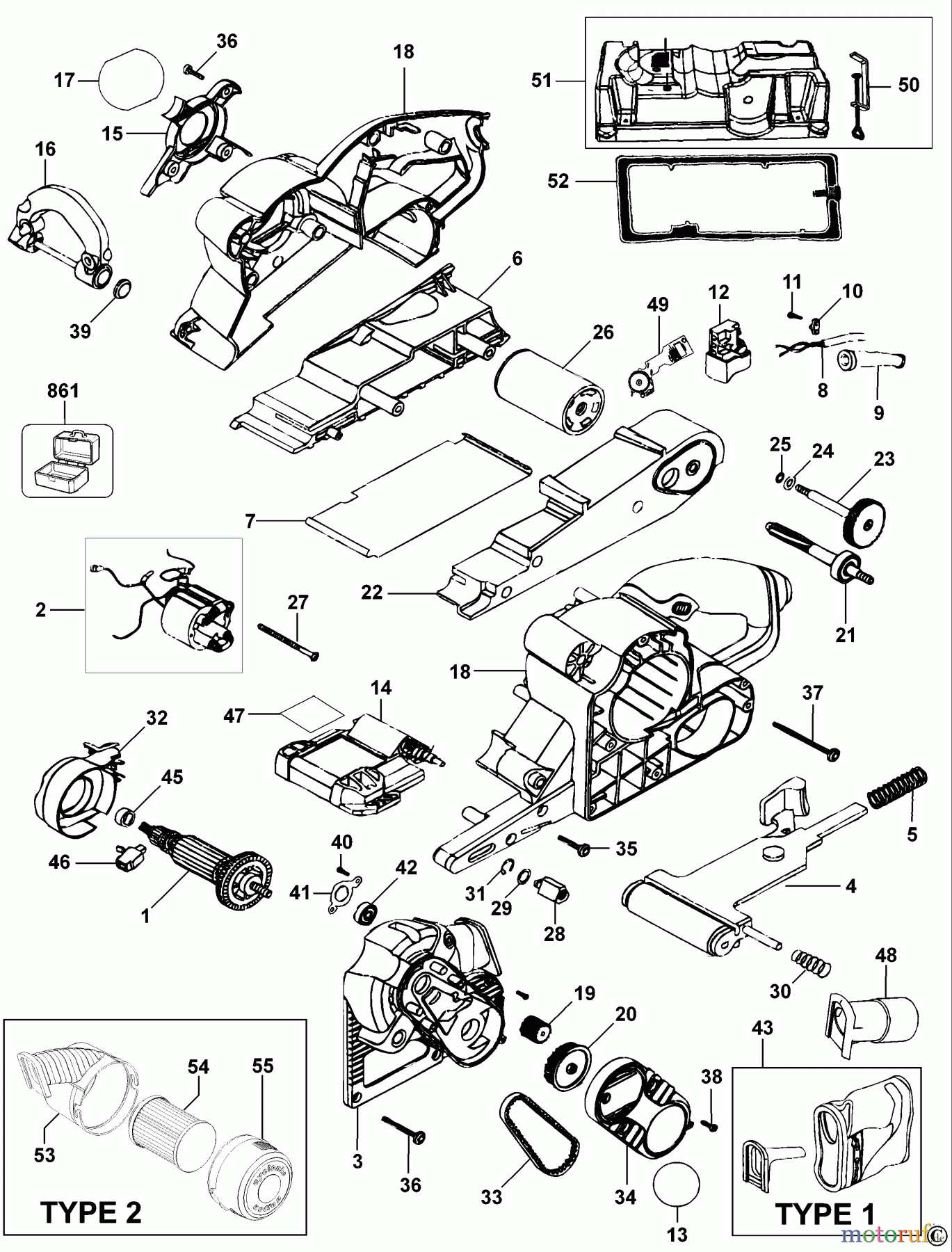
BLACK+DECKER DISPOSITIVO DI SABBIATURA LEVIGATRICE A NASTRO XTA80E Ricambi
Start
BLACK+DECKER
INTERNO
DISPOSITIVO DI SABBIATURA
LEVIGATRICE A NASTRO
XTA80E
Seite 1
XTA80E LEVIGATRICE A NASTRO
Posizione
Articolo numero
Descrizione
1
SB-590275-00
ARMATURE 230V
2
SB-590276-04
FIELD 230V
3
SB-587202-00
COPERTURA
4
SB-589384-00N
BRIDA SA
5
SB-587248-00
MOLLA
6
SB-587207-00
COPERTURA
7
SB-587249-00
SANDING PLATE
8
SB-330120-31
CAVO CON SPINA
9
SB-148481-00
CORD PROTECTOR
10
SB-329301-00
SERRAFILO
11
SB-370748
VITE
12
SB-587233-00
ASS. INTERRUTTORE
13
SB-90501401
SCHEDA
14
SB-590279-00
COPERTURA
15
SB-587209-00
PEZZO FUSO
16
SB-590280-00
ASS. IMPUGNATURA
17
SB-478931-00
ETICHETTA MARCHIO
18
SB-479080-01
ASS. CORPO
19
SB-587261-00
PULEGGIA DI COMANDO
20
SB-587262-00
PULEGGIA DI COMANDO
21
SB-588489-00
ASS. ALBERO
22
SB-588478-00
STAFFA DI MONTAGGIO
23
SB-588477-00
ALBERO TRASMISSIONE
24
SB-587230-00
RONDELLA DI SPINTA
25
SB-587229-00
RONDELLA DI SPINTA
26
SB-588491-00
TRASMISSIONE RULLO
27
SB-330065-21
VITE
28
SB-587224-00
ASS. MANOPOLA
29
SB-587226-00
RONDELLA
30
SB-477505-00
MOLLA
31
SB-058836-00
ANELLO DI TENUTA
32
SB-587203-00
COPERTURA
33
SB-587263-00
CINGHIA
34
SB-587204-00
COPERTURA CINGHIA
35
SB-330065-16
VITE
36
SB-330065-08
VITE
37
SB-330065-12
VITE
38
SB-330065-06
VITE
39
SB-590465-00
INSERTO
40
SB-330065-06
VITE
41
SB-587260-00
BRIDA
42
SB-573119-02
CUSCINETTO
43
SB-588562-01
SA SACCHETTO POLVERE
45
SB-330003-03
CUSCINETTO
46
SB-588563-01
ASS.SPAZ.E PORTASP.
47
SB-587267-00
ETICHETTA
48
SB-587843-00
ADATT. ASPIRAPOLVERE
49
SB-477766-00
ASS. MODULO
50
SB-587481-00
MORSETTO
51
SB-478700-01
CAVALLETTO
53
SB-90502680
ASS. COPERCHIO
54
SB-90501441
FILTRO
55
SB-90501537
BOWL
861
SB-90504928
CASS.PORTA ATTREZZI
Gestione della qualità
Aiutaci a migliorare il nostro sito. Informaci se trovi un errore.