.it
Benvenuti
Contatti
Spedizione
L’azienda
Guest book
Condizioni e Privacy
Catalogare
Tagliare, profilare
Componenti per motore
Officine meccaniche
Parti e componentistica per macchine varie
Forestali
Articoli elettrici
Articoli invernali
Cinghie trapezoidali e relative pulegge
Filters
PEZZI DI RICAMBIO
Sprocket Rims
Guide Bars
Chainsaw Chains
Search by Part Number
Diagrammi ed elenchi
Servizio
Determine Chain
Ricerca
Il mio account
Registrati
Log in
Settings
DE
EN
FR
ES
IT
Desktop
BLACK+DECKER TRAPANI T.V. 3/8 KYLS.DRIL TV310 Ricambi
Start
BLACK+DECKER
INTERNO
TRAPANI
T.V. 3/8 KYLS.DRIL
TV310
Seite 1
TV310 T.V. 3/8 KYLS.DRIL
Posizione
Articolo numero
Descrizione
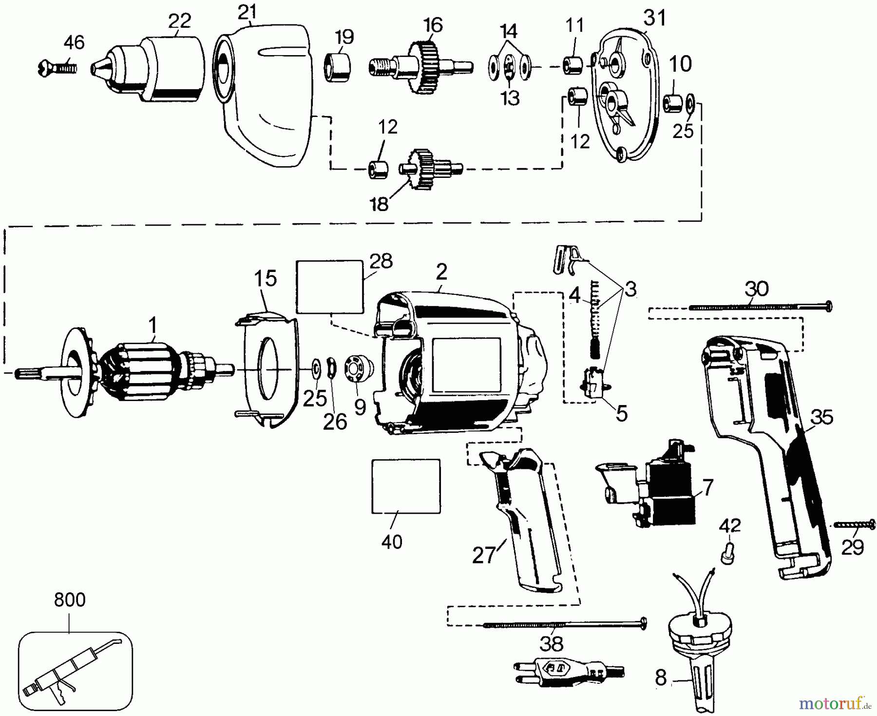
1
SB-140647-31
INDOTTO CON VENTOLA
2
SB-141609-47
FIELD & CASE
3
SB-133688-00
SPAZZ. & PORTASPAZZ.
4
SB-136506-02
PORTASPAZZOLE
5
SB-134252-00
PORTASPAZZOLE
7
SB-140762-06
SWITCH,VSR
8
SB-330073-96
CORD/8'/18-2SJT
9
SB-399752-00
CUSCINETTO
10
SB-85908-00
CUSCINETTO
11
SB-85909-00
MANICOTTO
12
SB-85899-00
BEARING,SLEEVE
13
SB-10511-00
ANELLO DI TENUTA
14
SB-87471-00
RONDELLA
15
SB-85939-00
BAFFLE FAN
16
SB-679115-03
ALBERINO & INGRANAG.
18
SB-85955-00
INGRANAG. & PIGNONE
19
SB-85894-00
MANICOTTO
21
SB-140610-00
CASE,GEAR
22
SB-330075-25
KEYLESS CHUCK
25
SB-037381-00
RONDELLA FIBRA
26
SB-157315-00
RONDELLA ELASTICA
27
SB-91903-10
COVER,SWITCH
28
SB-386248-00
TARGHETTA
29
SB-330019-13
VITE
30
SB-140837-02
VITE
31
SB-137132-00
COVER,GEAR CASE
35
SB-91904-17
HANDLE,SWITCH
38
SB-140837-03
VITE
40
SB-386247-00
ID LABEL
42
SB-32114-00
CONNETTORE
46
SB-157312-00
SCREW.SPECIAL
800
SB-429698-00
GRASSO
Gestione della qualità
Aiutaci a migliorare il nostro sito. Informaci se trovi un errore.