.it
Carrello
vuoto
Il mio account
Registrati
Log in
Benvenuti
Contatti
Spedizione
L’azienda
Guest book
Condizioni e Privacy
Catalogare
Tagliare, profilare
Componenti per motore
Officine meccaniche
Parti e componentistica per macchine varie
Forestali
Articoli elettrici
Articoli invernali
Cinghie trapezoidali e relative pulegge
Filters
PEZZI DI RICAMBIO
Sprocket Rims
Guide Bars
Chainsaw Chains
Search by Part Number
Diagrammi ed elenchi
Servizio
Determine Chain
Ricerca
DE
EN
FR
ES
IT
Versione mobile
DEWALT SMERIGLIATRICE ANGOLARE 100-125 MM SMERIGLIATRICE ANGOLARE PICCOLA DWE4117 Ricambi
Start
DEWALT
LAVORAZIONE DEI METALLI
SMERIGLIATRICE ANGOLARE 100-125 MM
SMERIGLIATRICE ANGOLARE PICCOLA
DWE4117
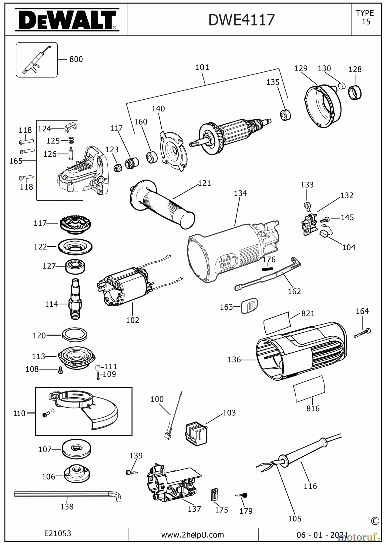
Seite 1
DWE4117 SMERIGLIATRICE ANGOLARE PICCOLA
Posizione
Articolo numero
Descrizione
100
SB-N442344
ASS. CONDENSATRORE
101
SB-N563260
ARMATURE 230V
102
SB-N563471
FIELD 220V
103
SB-NA283662
INTERRUTTORE
104
SB-N489912
SPAZZOLE ( X 2 ) SA
105
SB-N692291
CAVO CON SPINA
106
SB-N134466
FLANGIA ESTERNA
107
SB-391969-00
FLANGIA INTERNA
108
SB-330045-46
VITE
109
SB-330045-08
VITE
110
SB-N568053
ASS. PROTEZIONE
111
SB-N471807
ARRESTO DI GOMMA
113
SB-N499484
COPERCHIO SCAT.INGR.
114
SB-N318739
ALBERINO
116
SB-N918736
CORD PROTECTOR
117
SB-N490505
INGRANAG. & PIGNONE
118
SB-562097-03
VITE
120
SB-641893-00
TENUTA IN FELTRO
121
SB-562211-00
ASS. IMPUGN. LATERAL
122
SB-945299-00
FLANGIA
123
SB-945292-00
DADO
124
SB-N499496
PULSANTE
125
SB-562210-00
MOLLA
126
SB-N499495
BLOCCAGGIO ALBERINO
127
SB-605040-22
CUSCINETTO
128
SB-930275-00
MANICOTTO
129
SB-401623-00
LINGUETTA DI GUIDA
130
SB-949638-01
BUFFER
132
SB-N616539
ASS. PORTASPAZZOLE
133
SB-562204-00
MOLLA
134
SB-N588430
ASS.CORPO MOTORE
135
SB-605040-03
CUSCINETTI A SFERA
136
SB-N588433
HANDLE
137
SB-N513692
SOSTEGNO INTERRUTT.
138
SB-N107295
CHIAVE ESAGONALE
139
SB-562097-05
VITE
140
SB-N583529
FLANGIA
145
SB-562097-00
VITE
160
SB-N110359
CUSCINETTO
162
SB-N510166
COLLEGAMENTO
163
SB-N519344
PULSANTE
164
SB-562097-05
VITE
165
SB-N588618
SCATOLA INGRANAGGI
175
SB-N525990
SERRAFILO
176
SB-N591468
MOLLA
179
SB-562097-05
VITE
800
SB-286436-00
GRASSO
816
SB-N527000
ETICHETTA
821
SB-NA050078
SCHEDA
Gestione della qualità
Aiutaci a migliorare il nostro sito. Informaci se trovi un errore.