.it
Benvenuti
Contatti
Spedizione
L’azienda
Guest book
Condizioni e Privacy
Catalogare
Tagliare, profilare
Componenti per motore
Officine meccaniche
Parti e componentistica per macchine varie
Forestali
Articoli elettrici
Articoli invernali
Cinghie trapezoidali e relative pulegge
Filters
PEZZI DI RICAMBIO
Sprocket Rims
Guide Bars
Chainsaw Chains
Search by Part Number
Diagrammi ed elenchi
Servizio
Determine Chain
Ricerca
Il mio account
Registrati
Log in
Settings
DE
EN
FR
ES
IT
Desktop
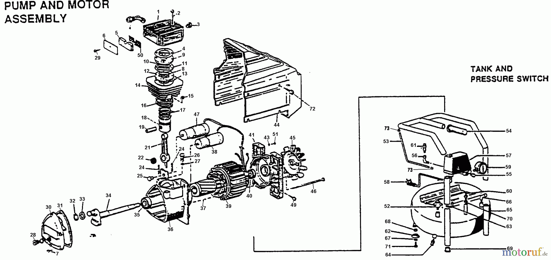
BOSTITCH AIR COMPRESSOR CWC100 Ricambi
Start
BOSTITCH
COMPRESSORS
AIR COMPRESSOR
CWC100
Seite 1
CWC100 AIR COMPRESSOR
Posizione
Articolo numero
Descrizione
1
SB-5030011008
BOSTITCH OBSOLETE PT
2
SB-7011010000
SCREW-HHCS-M6X1.0X5.
3
SB-7196010000
STARTING VALVE 3/8
4
SB-7084040000
GIUNTO
5
SB-7210010000
FILTER ELEMENT
6
SB-7458011000
FILTER PLATE
7
SB-7012100000
VITE
8
SB-4081010000
REED VALVE KIT 10PZ
9
SB-7458020000
BOSTITCH OBSOLETE PT
10
SB-4081010000
REED VALVE KIT 10PZ
11
SB-4081010000
REED VALVE KIT 10PZ
12
SB-7458020000
BOSTITCH OBSOLETE PT
13
SB-4081010000
REED VALVE KIT 10PZ
14
SB-7575100000
CILINDRO
15
SB-7020070000
DADO
16
SB-4081010000
REED VALVE KIT 10PZ
17
SB-4080020000
PISTON RING KIT
18
SB-5140053-23
PISTONE
19
SB-7050020000
WRIST PIN
21
SB-5050091008
CONNECTING ROD CWC1
22
SB-7061010000
ROLLER BEARING DB20
24
SB-7015020000
STUD M8 X 32 ZINC
25
SB-7028010000
DADO
26
SB-7098010000
OIL PLUG
27
SB-7070010000
O-RING-2.874X.070
28
SB-7180050000
OIL LEVEL SIGHT GLAS
29
SB-7012060000
SCREW-CRPHS-M4X0.7X1
31
SB-7078320000
CRANK CASE COVER GAS
32
SB-7040040000
RETAINING RING
33
SB-7038010000
PLAIN WASHER
34
SB-5040020008
CRANK SHAFT GM130
35
SB-7060020000
BALL BEARING 6205 2R
37
SB-5090040008
ROTOR D80 L75 GM100
38
SB-7310100000
CONDENSER MF20 V450
39
SB-4010520000
BOSTITCH OBSOLETE PT
40
SB-7060010000
CUSCINETTO
41
SB-5110060008
MOTOR HOUSING BACK P
43
SB-7031020000
RONDELLA
44
SB-7150810000
CORPO
45
SB-7201280000
VENTOLA
46
SB-7018010000
HOUSING BOLTS M6 X 1
47
SB-7310140000
CONDENSER MF40 V250
49
SB-7012090000
MOTOR BASE SCREWS
50
SB-7458031000
FILTLER SCREEN PLATE
51
SB-7013060000
VITE
52
SB-7190040000
HEAD UNLOADER VALVE
53
SB-7239160000
FILLER PIPE
54
SB-7280030000
HAND GRIP
55
SB-7090070000
SPINA
56
SB-7080180000
ELBOW
57
SB-7250320000
BOSTITCH OBSOLETE PT
58
SB-7328620000
POWER CORD
59
SB-7110180000
MISURATORE DI PRESSIONE
60
SB-7081140000
GIUNTO
61
SB-7192270000
SAFETY VALVE
62
SB-7270010000
RUBBER FOOT PAD
63
SB-7230010000
TUBO FLESSIBILE
64
SB-7130280000
DRAIN VALVE
65
SB-5153170008
BOSTITCH OBSOLETE PT
66
SB-7080170000
ELBOW
67
SB-7030020000
LOCK WASHER
68
SB-7020060000
HEX NUT
69
SB-7360040000
GOMMA
70
SB-7023040000
DADO
71
SB-7011040000
BULLONE
72
SB-7012060000
SCREW-CRPHS-M4X0.7X1
Gestione della qualità
Aiutaci a migliorare il nostro sito. Informaci se trovi un errore.