.it
Carrello
vuoto
Il mio account
Registrati
Log in
Benvenuti
Contatti
Spedizione
L’azienda
Guest book
Condizioni e Privacy
Catalogare
Tagliare, profilare
Componenti per motore
Officine meccaniche
Parti e componentistica per macchine varie
Forestali
Articoli elettrici
Articoli invernali
Cinghie trapezoidali e relative pulegge
Filters
PEZZI DI RICAMBIO
Sprocket Rims
Guide Bars
Chainsaw Chains
Search by Part Number
Diagrammi ed elenchi
Servizio
Determine Chain
Ricerca
DE
EN
FR
ES
IT
Versione mobile
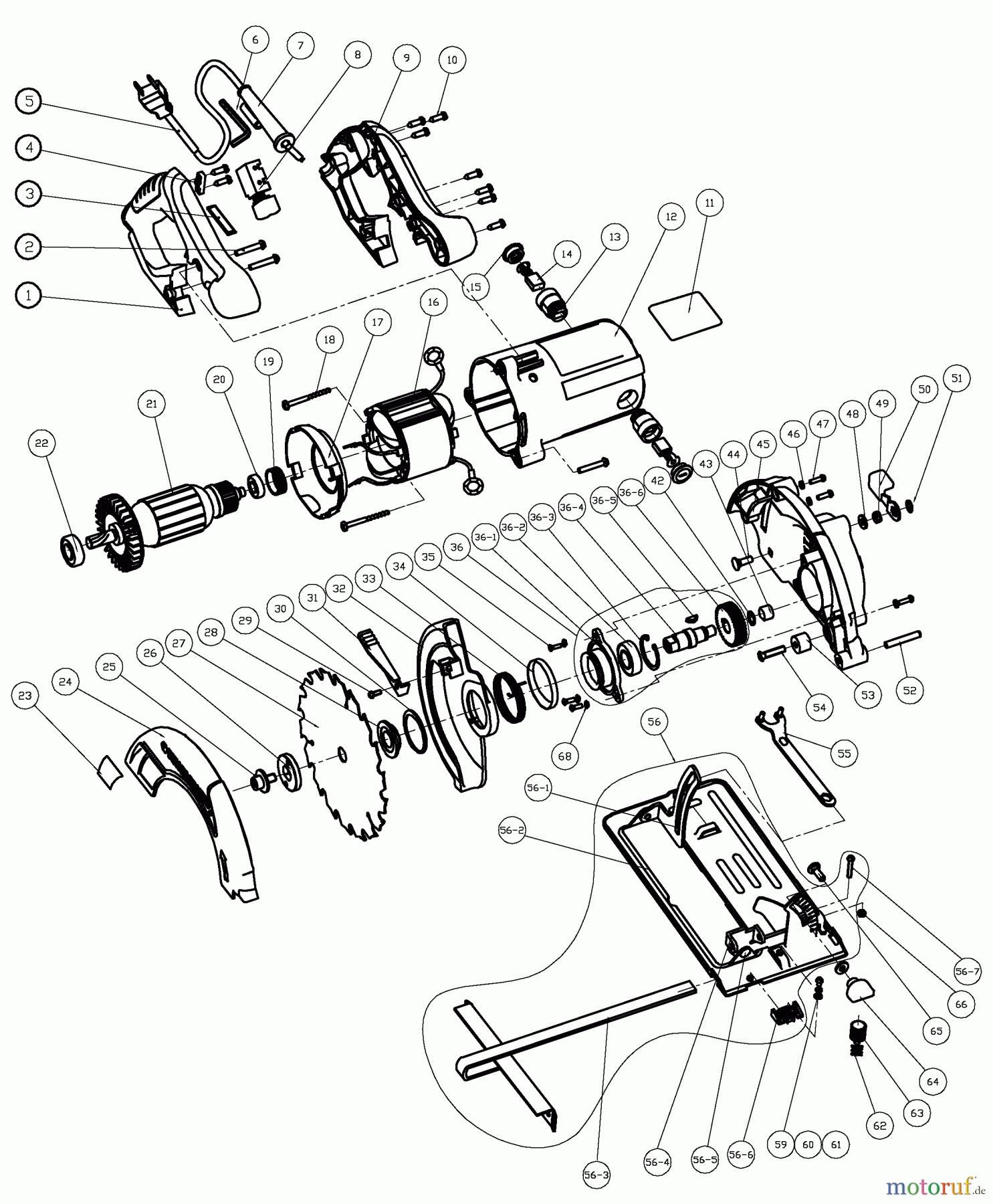
BLACK+DECKER SEGA CIRCOLARE CS1020 Ricambi
Start
BLACK+DECKER
Divers
SEGA CIRCOLARE
CS1020
Seite 1
CS1020 SEGA CIRCOLARE
Posizione
Articolo numero
Descrizione
1
SB-5140049-35
RIGHT HANDLE
2
SB-5140050-58
VITE
3
SB-5140049-37
ETICHETTA
4
SB-5140050-60
SERRAFILO
5
SB-5140049-39
CORD SET
6
SB-5140050-62
CHIAVE INGLESE
7
SB-5140050-63
STRAIN RELIEVER
8
SB-5140050-64
INTERRUTTORE
9
SB-5140049-43
LEFT HANDLE
10
SB-5140050-66
VITE
11
SB-5140049-45
NAME PLATE
12
SB-5140049-46
CORPO
13
SB-5140050-69
PORTASPAZZOLE
14
SB-5140051-65
SPAZZOLE
15
SB-5140050-71
SPAZZOLA CALOTTA
16
SB-5140051-66
STATORE
17
SB-5140049-51
ANELLO
18
SB-5140050-74
VITE
19
SB-5140050-75
BRONZINA
20
SB-5140050-76
CUSCINETTO
21
SB-5140049-55
INDOTTO
22
SB-5140050-78
CUSCINETTO
23
SB-5140049-57
ETICHETTA
24
SB-5140050-80
UPPER GUARD
25
SB-5140050-81
VITE
26
SB-5140050-82
FLANGIA ESTERNA
27
SB-5140049-61
SAW BLADE
28
SB-5140049-62
FLANGIA INTERNA
29
SB-5140051-02
VITE
30
SB-5140050-86
ANELLO
31
SB-5140050-87
MANOPOLA
32
SB-5140050-88
LOWER GUARD
33
SB-5140050-89
TORSION SPRING
34
SB-5140050-90
ANELLO
35
SB-5140049-69
VITE
36
SB-5140049-70
GEAR CASE COVER
42
SB-5140050-98
ANELLO
43
SB-5140050-99
NEEDLE BEARING
44
SB-5140051-00
VITE
45
SB-5140051-01
GEAR BOX
46
SB-5140049-81
SPRING WASHER
47
SB-5140049-82
VITE
48
SB-5140051-03
FLAT WASHER
49
SB-5140051-04
SPECIAL NUT
50
SB-5140051-05
GUARD LEVER
51
SB-5140051-06
RETAINING RING
52
SB-5140051-07
VITE
53
SB-5140051-08
DISTANZIALE
54
SB-5140049-89
VITE
55
SB-5140051-10
CHIAVE INGLESE
56
SB-5140049-91
SCARPA
59
SB-5140049-98
VITE
60
SB-5140051-17
SPRING WASHER
61
SB-5140050-00
FLAT WASHER
62
SB-5140051-13
MOLLA
63
SB-5140051-14
VITE
64
SB-5140051-15
DADO
65
SB-5140051-16
VITE
66
SB-5140050-05
DADO
68
SB-5140050-07
TOOTH WASHER
Gestione della qualità
Aiutaci a migliorare il nostro sito. Informaci se trovi un errore.