.it
Carrello
vuoto
Il mio account
Registrati
Log in
Benvenuti
Contatti
Spedizione
L’azienda
Guest book
Condizioni e Privacy
Catalogare
Tagliare, profilare
Componenti per motore
Officine meccaniche
Parti e componentistica per macchine varie
Forestali
Articoli elettrici
Articoli invernali
Cinghie trapezoidali e relative pulegge
Filters
PEZZI DI RICAMBIO
Sprocket Rims
Guide Bars
Chainsaw Chains
Search by Part Number
Diagrammi ed elenchi
Servizio
Determine Chain
Ricerca
DE
EN
FR
ES
IT
Versione mobile
CRAFTSMAN TRACTOR 917.251490 Ricambi
Start
CRAFTSMAN
Divers
TRACTOR
917.251490
Seite 6
917.251490 TRACTOR
Posizione
Articolo numero
Descrizione
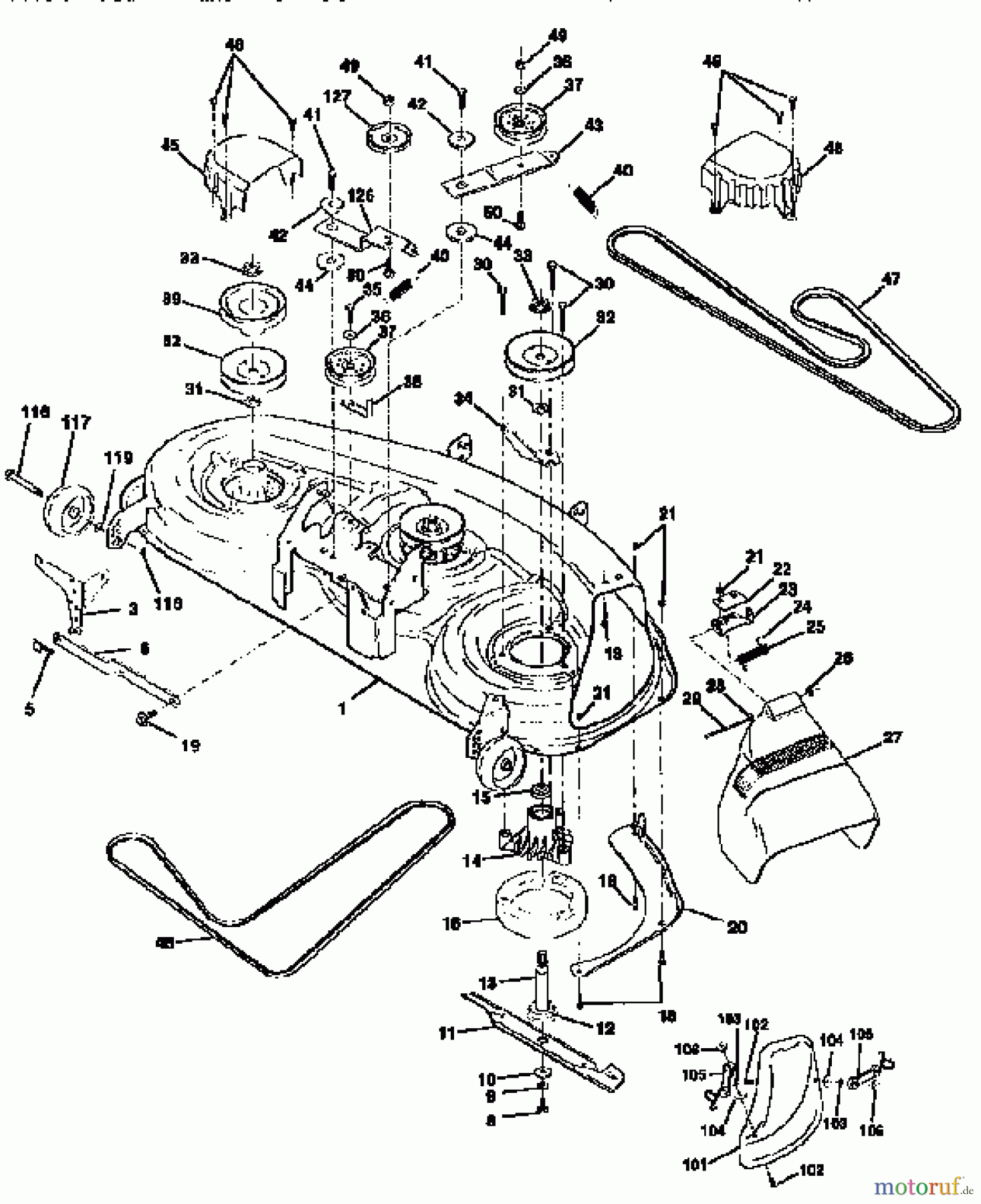
3
532138457
BRACKET SWAY
5
532003146
SPRING RETAINER
8
532850857
BULLONE A LAMA
9
532850263
RONDELLA
10
140296
WASHER HARD BLADE MO
11
504-00137
BLADE MULCH
12
230-029
BALL BEARING
13
532137553
ALBERO
14
504-00371
SPINDLE HOUSING
15
110485X
BEARING BALL MANDREL
16
174493
STRIPPER.MANDREL.ROU
18
872110505
BULLONE
19
132827
BOLT SHD 5/1
20
532145055
BAFFLE- VORT
21
873800500
NUT HEX LOC
23
177563
BRKT.DEFLECT
24
105304X
CAP SLEEVE
25
532123713
MOLLA DI TORSIONE
26
110452X
NUT PUSH
27
532166883
DEFLECTOR.CL
29
131491
ROD HINGE
30
584953901
BOLT HEX
31
187690
WASHER SPACER MANDRE
32
532173434
MANDREL PULL
33
532139729
KIT-NEST
34
532144945
ANCHOR- SPRI
35
817490628
VITE
37
532173438
PULEGGIA
38
173968
KEEPER.BELT.
39
532144917
PULEGGIA
40
532137273
MOLLA
41
17060620
SCREW 3/8-16 X 1-1/4
42
165723
SPACER.RETAI
43
532144949
ARM IDLER DE
44
178515
RONDELLA
45
532145059
COPERTURA
46
137729
SCREW THD ROLL 1/4-20 X 5/8
47
532144959
CINGHIA
48
504-00256
DRIVE BELT
49
73680600
NUT CROWNLOCK 3/8-16 UNC
50
72110612
BOLT CARR SH. 3/8-16 X 1-1/2 GR.5
101
532145579
COVER.MULCH.
102
871081010
VITE
103
SB-STDPART
COMMONLY AVAIL. PART
104
819061216
RONDELLA
105
160793
LATCH ASSY
106
532002029
WELDNUT
117
133957
GUAGE WHEEL
118
73930600
NUT CENTERLOCK 3/8-1
119
819121414
RONDELLA
126
532144948
ARM IDLER PR
127
532146763
PULEGGIA
Gestione della qualità
Aiutaci a migliorare il nostro sito. Informaci se trovi un errore.