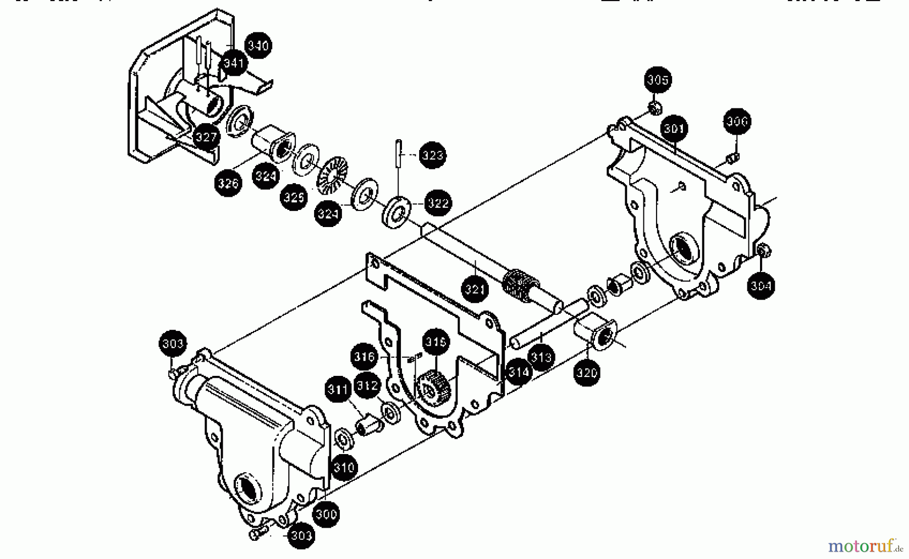
CRAFTSMAN 5 HP SNOW THROWER 536.884790 Ricambi
536.884790 5 HP SNOW THROWER

| Posizione | Articolo numero | Descrizione | |
| 300 | 10577MA | CASE GEAR RH | |
| 301 | 10576MA | CASE GEAR LH | |
| 303 | 710025MA | SCREW 1/4-20 | |
| 304 | 015X89MA | NUT.25-20 FL | |
| 305 | 703914 | DADO | |
| 306 | 704213 | CAPSCREW- | |
| 310 | 9566MA | SEAL OIL .75 | |
| 311 | 50304MA | BRNG FL .752 | |
| 312 | 48275MA | WASHER FLAT | |
| 313 | 340284MA | SHAFT AUGER | |
| 314 | 51279MA | GASKET GEAR | |
| 316 | 703891 | CHIAVE | |
| 320 | 50221MA | BRNG FLNG.50 | |
| 321 | 583125MA | SHAFT WORM I | |
| 322 | 580295MA | COLLAR THRUS | |
| 323 | 454565MA | SPRING PIN | |
| 325 | 50684MA | BRNG ROLL .7 | |
| 340 | 760194E701MA | IMPELLER ASY | |


Gestione della qualità
Aiutaci a migliorare il nostro sito. Informaci se trovi un errore.

