CRAFTSMAN TRATTORE DA PRATO 107.280060 Seite 16 Ricambi
Seite 16 107.280060

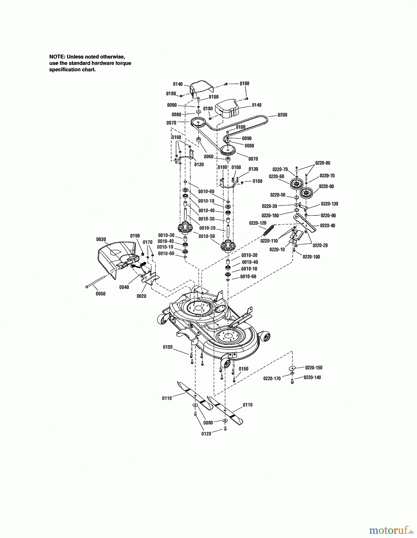
| Posizione | Articolo numero | Descrizione | |
| 20 | 7301176BZYP | HINGE-BRKT | |
| 30 | 7104733YP | CHUTE-SD D | |
| 40 | 7035813SM | SPRNG-TORSN | |
| 50 | 7104640YP | ROD-DSCHRGE | |
| 60 | 1737457YP | SPACER PULL | |
| 70 | 1737835YP | PULLEY DEEP | |
| 80 | 1656916SM | WASHER SPRIN | |
| 90 | 704007 | LOCKWASHER | |


Gestione della qualità
Aiutaci a migliorare il nostro sito. Informaci se trovi un errore.

