.it
Carrello
vuoto
Il mio account
Registrati
Log in
Benvenuti
Contatti
Spedizione
L’azienda
Guest book
Condizioni e Privacy
Catalogare
Tagliare, profilare
Componenti per motore
Officine meccaniche
Parti e componentistica per macchine varie
Forestali
Articoli elettrici
Articoli invernali
Cinghie trapezoidali e relative pulegge
Filters
PEZZI DI RICAMBIO
Sprocket Rims
Guide Bars
Chainsaw Chains
Search by Part Number
Diagrammi ed elenchi
Servizio
Determine Chain
Ricerca
DE
EN
FR
ES
IT
Versione mobile
Gutbrod SR 800 E 02888.06 (1990) Handle Ricambi
Start
Gutbrod
Snow plough
SR 800 E
02888.06 (1990)
Handle
Handle 02888.06 (1990)
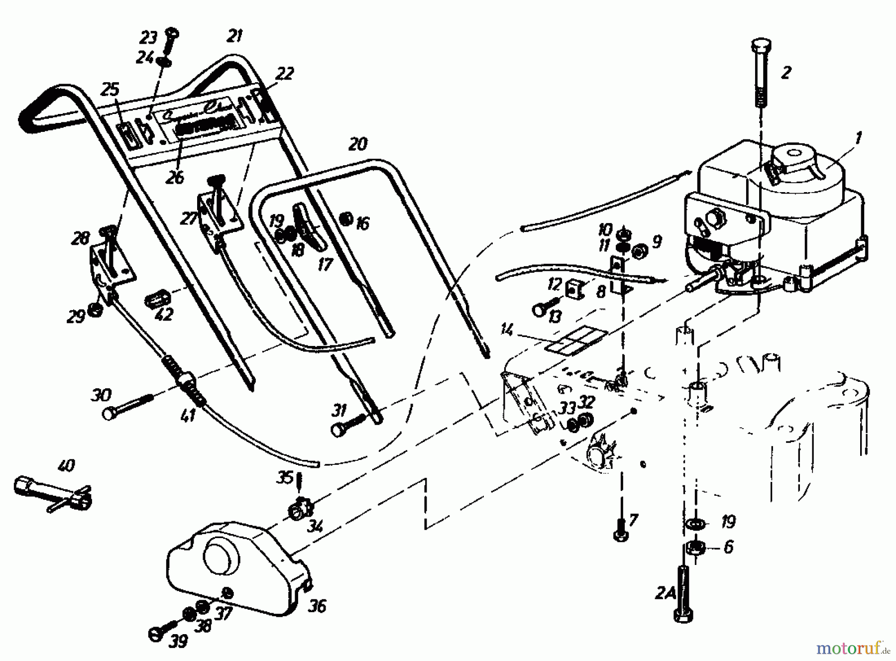
Posizione
Articolo numero
Descrizione
1
090.64.949
B&S ENGINE
2a
21.1441.84
Screw
6
24.1426.18
NYL STOP NUT M5 DIN 985-8
7
21.1441.46
SCREW HEX M5x12 DIN 933-8.8
8
079.68.012
Support
9
24.1426.14
NYL-STOP-NUT M6 DIN985-8
10
24.1421.14
Nut
11
24.1421.14
Nut
12
090.46.296
Clamp
13
21.1441.47
HHCS:M5x30:DIN 933-8.8 Zn5glcB
14
000.49.714
Type plate
16
24.1421.18
Nut
17
000.06.046
WING NUT
18
24.8191.18
L-washer
19
24.6481.18
WASHER 8.4 DIN125
20
079.05.337
Handle lower part
21
079.68.906
Upper handle
22
000.49.077
Decal
23
23.5422.11
FILLIST. HEAD SCREW W. CSL.
24
24.6481.14
WASHER A6.4 DIN 125-ST
25
000.48.819
Decal
26
000.50.121
Decal
27
079.68.913
Wheel drive lever
28
086.24.912
Gas lever cpl.
29
24.1426.14
NYL-STOP-NUT M6 DIN985-8
30
21.1443.79
Screw
31
21.1441.71
SCREW HEX
32
24.1426.18
NYL STOP NUT M5 DIN 985-8
33
24.6481.18
WASHER 8.4 DIN125
34
079.68.009
Chain wheel
35
25.3197.93
Dowel pin
36
079.68.011
Protection plate
37
24.6481.14
WASHER A6.4 DIN 125-ST
38
24.6481.14
WASHER A6.4 DIN 125-ST
39
21.6421.68
Screw
40
000.40.853
Spark plug spanner
41
079.05.304
WIRE SLEEVE
42
000.13.064
Cable clamp
Gestione della qualità
Aiutaci a migliorare il nostro sito. Informaci se trovi un errore.