.it
Carrello
vuoto
Il mio account
Registrati
Log in
Benvenuti
Contatti
Spedizione
L’azienda
Guest book
Condizioni e Privacy
Catalogare
Tagliare, profilare
Componenti per motore
Officine meccaniche
Parti e componentistica per macchine varie
Forestali
Articoli elettrici
Articoli invernali
Cinghie trapezoidali e relative pulegge
Filters
PEZZI DI RICAMBIO
Sprocket Rims
Guide Bars
Chainsaw Chains
Search by Part Number
Diagrammi ed elenchi
Servizio
Determine Chain
Ricerca
DE
EN
FR
ES
IT
Versione mobile
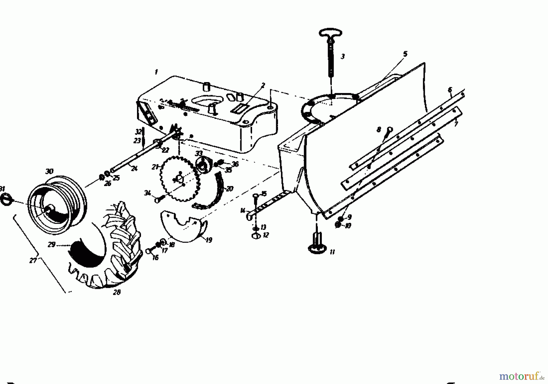
Gutbrod SR 800 E 02888.06 (1990) Basic machine Ricambi
Start
Gutbrod
Snow plough
SR 800 E
02888.06 (1990)
Basic machine
Basic machine 02888.06 (1990)
Posizione
Articolo numero
Descrizione
1
079.68.014
Chassis
2
000.49.716
Decal
3
079.68.029
BOLT
5
079.68.005
Doozer plate
6
079.68.007
FASTENING STRIP
7
079.68.006
SPIRAL-CRESCENT
8
22.3417.13
Screw
9
24.6486.16
Washer
10
24.1426.14
NYL-STOP-NUT M6 DIN985-8
11
079.68.017
SLIDE SHOE
12
000.02.377
WING NUT
13
24.6486.18
WASHER A8.4 DIN 9021
14
079.68.008
Scattering band
15
22.3417.28
Screw
16
21.1441.26
Screw
17
24.8195.12
LOCK WASHER
18
24.6486.15
Washer A5.3 DIN 9021-ST
19
079.68.016
Chain protection
20
000.75.858
Chain
21
079.68.004
Chain wheel
22
079.68.013
AXLE BEARING
23
25.3198.13
Pin
24
079.68.002
AXLE-EDGER
25
24.6271.38
Shim
26
24.8170.09
Circlip
27
079.68.821
Wheel assy.
28
000.76.057
Tire 3.50-6 AS
29
000.75.773
Tube 3,50-6 AM
30
080.80.877
Rim 3.00-6
31
000.17.817
Folding pin
33
079.68.034
Flange
34
21.1441.70
Screw
35
24.8195.56
SPRING LOCK WASHER/DIA 8
36
24.1421.18
Nut
Gestione della qualità
Aiutaci a migliorare il nostro sito. Informaci se trovi un errore.