.it
Benvenuti
Contatti
Spedizione
L’azienda
Guest book
Condizioni e Privacy
Catalogare
Tagliare, profilare
Componenti per motore
Officine meccaniche
Parti e componentistica per macchine varie
Forestali
Articoli elettrici
Articoli invernali
Cinghie trapezoidali e relative pulegge
Filters
PEZZI DI RICAMBIO
Sprocket Rims
Guide Bars
Chainsaw Chains
Search by Part Number
Diagrammi ed elenchi
Servizio
Determine Chain
Ricerca
Il mio account
Registrati
Log in
Settings
DE
EN
FR
ES
IT
Desktop
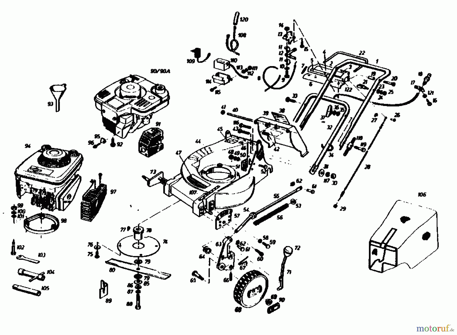
Gutbrod HB 55 REL 02882.02 (1986) Basic machine Ricambi
Start
Gutbrod
Petrol mower self propelled
HB 55 REL
02882.02 (1986)
Basic machine
Basic machine 02882.02 (1986)
Posizione
Articolo numero
Descrizione
1
079.05.248
HANDLE UPPER PART
2
079.05.608
Cover
3
000.49.196
Decal
4
000.48.717
GUTBROD-ZEICHEN
5
000.49.321
Decal
6
079.05.270
VERSTAERKUNGSBLECH
7
000.31.023
EXTENSION SPRING
8
079.11.290
BOWDEN CABLE
9
21.1441.48
Screw
10
24.6486.16
Washer
11
079.11.174
Friction washer
12
079.11.660
Gas lever
13
079.11.257
Holder
14
24.1426.14
NYL-STOP-NUT M6 DIN985-8
15
000.02.337
Screw
16
22.6417.37
Screw
17
079.05.346
ZUENDSCHLOSSHALTER (NACHARBEIT
18
090.763
19
079.05.340
BEARING
20
22.5410.52
LINSENSENKSCHR.M.KREUZDIN 966
21
000.02.404
Screw
22
079.05.338
BAIL
23
24.6486.15
Washer A5.3 DIN 9021-ST
24
24.8195.12
LOCK WASHER
25
24.3423.12
Nut
26
000.02.335
BOLT
27
000.55.024
SL-Lock part
28
079.19.854
SCHALTZUG VOLLST.
29
24.1421.14
Nut
30
24.3423.21
Nut
31
24.6486.18
WASHER A8.4 DIN 9021
32
079.05.249
LOWER HANDLE
33
22.3417.33
Screw
34
000.70.261
CABLE STRAP
35
24.6481.18
WASHER 8.4 DIN125
36
24.8191.10
37
090.26.829
WING NUT
38
000.49.423
Decal
39
079.25.489
REAR FLAP
40
079.25.502
Base pin
41
000.02.431
Retaining cap
42
000.30.267
SPRING-EXTENSION
43
22.3419.28
Screw
44
079.26.928
E-TEIL LIEFERUMFANG DECK
45
000.49.287
LBL.IDENTIFICATION
46
000.49.073
Decal
47
000.49.547
NAMENSSCHILD HB 55 REL
48
24.1421.14
Nut
49
24.8195.14
LOCK WASHER
50
24.6481.14
WASHER A6.4 DIN 125-ST
51
079.29.428
COUNTER BRACKET
52
21.1441.48
Screw
53
24.6486.22
Washer
54
000.49.044
INDICATOR
55
079.29.971
STANGE KPL.MIT KLEBESCHILD
56
000.30.268
COMPRESSION SPRING
57
079.29.478
BRACKET-INDEX SUP
58
24.8195.14
LOCK WASHER
59
21.1441.52
SCREW HEX
60
22.1420.55
Screw
61
000.02.335
BOLT
62
000.55.024
SL-Lock part
63
079.29.700
Adjusting lever assy.
64
24.6273.41
Shim
66
25.3197.95
Pin
67
000.30.260
Spring
68
079.29.949
RAD KPL. ET-SET
69
000.02.361
HEXAGON NUT
70
079.29.455
SPRITZGUSSTEIL NDPE
71
079.29.891
Adjusting lever assy.
72
000.36.023
Knob
73
079.29.777
ACHSE VORNE VOLLST.
74
079.25.491
TIEFZIEHTEIL BIABS E-TEIL-SET
75
000.02.414
Screw
76
24.6486.15
Washer A5.3 DIN 9021-ST
77
25.5239.09
DISC SPRING
78
079.77.186
BLADE HUB
79
079.77.053
Friction washer
80
079.77.187
BLADE
85
090.26.387
Washer
86
090.26.348
LOCK WASHER
87
24.8195.22
LOCK WASHER
88
000.02.410
Screw
89
000.41.298
LOCK PLATE
90
090.49.941
TECNA ENGINE
90A
090.49.943
TECNA ENGINE
91
090.93.692
Heat protection
92
000.02.333
Screw
93
000.82.089
Funnel
94
090.64.945
B&S ENGINE
95
090.93.508
Deflector
96
090.93.691
Screw
97
092.05.567
EXHAUST GUARD
98
079.25.668
FLANGE
99
24.1421.18
Nut
100
24.8195.18
Spring washer
101
24.6481.18
WASHER 8.4 DIN125
102
21.1443.79
Screw
103
000.40.355
Spanner
104
000.40.853
Spark plug spanner
105
000.40.440
Spanner for oil
106
079.80.935
E-TEIL-SET
107
000.49.387
SCHNITTHOEHENANZEIGE
108
090.93.769
WIRE HARNESS
109
090.93.762
Battery scharg.
110
090.93.761
BATTERIE KPL.
111
24.1421.12
Nut
112
24.8195.12
LOCK WASHER
113
24.6481.12
WASHER A5.3 DIN 125-ST
114
079.05.888
BATTERY BRACKET
115
23.5421.93
Screw
116
000.02.445
Screw
117
24.8195.18
Spring washer
118
079.05.304
WIRE SLEEVE
119
21.1443.79
Screw
120
000.37.484
TUBING-SPRING COVER
121
24.6481.09
Washer
122
000.49.590
LBLI:
Gestione della qualità
Aiutaci a migliorare il nostro sito. Informaci se trovi un errore.