.it
Benvenuti
Contatti
Spedizione
L’azienda
Guest book
Condizioni e Privacy
Catalogare
Tagliare, profilare
Componenti per motore
Officine meccaniche
Parti e componentistica per macchine varie
Forestali
Articoli elettrici
Articoli invernali
Cinghie trapezoidali e relative pulegge
Filters
PEZZI DI RICAMBIO
Sprocket Rims
Guide Bars
Chainsaw Chains
Search by Part Number
Diagrammi ed elenchi
Servizio
Determine Chain
Ricerca
Il mio account
Registrati
Log in
Settings
DE
EN
FR
ES
IT
Desktop
Gutbrod HB 45 REL 02885.01 (1985) Crankcase, Cylinder Ricambi
Start
Gutbrod
Petrol mower self propelled
HB 45 REL
02885.01 (1985)
Crankcase, Cylinder
Crankcase, Cylinder 02885.01 (1985)
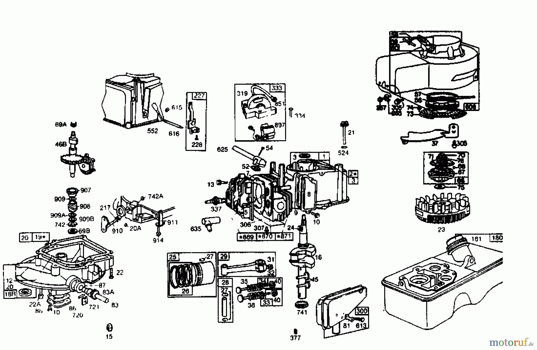
Posizione
Articolo numero
Descrizione
1
092.05.362
396 329
2
090.03.342
Bushing
3
090.03.071
Oil seal
5
092.05.231
213 141
7
092.05.232
271868S
8
090.03.639
Breather
9
090.03.640
Gasket
10
090.03.486
93512
12
090.64.406
Gasket .015"
13
090.03.110
Screw
15
090.03.077
Plug
16
092.05.452
CAMSHAFT,COMP
18A
092.05.303
Oil sump
19
090.03.343
bush
20
090.03.315
Oil seal
20A
092.05.181
Seal
21
092.05.447
OELEINFUELLSCHRAUBE
22
090.03.942
Screw
22A
090.64.217
SCREW-TAP
23
092.05.453
FLYWHEEL ASSY.
24
092.05.271
WOODRUFF KEY
26
092.05.239
390486
27
090.03.016
Lock piston pin
28
092.05.243
391 649
29
092.05.245
CONNECTING ROD
31
092.05.103
Washer
32
092.05.247
Screw
33
092.05.249
EXHAUST VALVE
34
092.05.248
INTAKE VALVE
35
090.05.248
36
090.03.020
Spring-exhaust valve
37
092.05.272
Flywheel guard
40
090.03.127
Retainer
45
092.05.250
261 250
46B
092.05.364
395 856
52
092.05.252
Gasket
54
090.03.645
94152/691090
56
090.64.364
PULLEY STARTER
57
090.03.370
Starter spring
58
090.64.030
Rope
59
090.03.226
Pin
60
090.64808
66
090.03.515
Starter clutch
67
092.05.494
Starter housing
68
090.03.048
BALL
69A
092.05.305
223 011
69B
092.05.184
washer
70
090.03.517
Ratchet
71
090.03.518
washer
73
090.03.519
SCREEN-ROTATING
74
090.03.665
Screw
75
090.03.200
washer
76
090.03.520
washer
81
092.05.185
Lock
83
090.64.011
DRIVE SHAFT
83A
092.05.186
DRIVE PINION
86
090.64.013
PLATE-COVER-HI LO
87
092.05.129
OIL SEAL
88
090.64.015
Gasket
180
090.64.410
Fuel tank
181
092.05.365
Gas cap
217
092.05.196
Spring
227
092.05.368
491481/396504
228
092.05.112
Screw
265
090.03.621
22372/692179
267
090.03.622
Screw
300
092.05.172
Muffler
305
090.03.767
BOLT-Sternantrieb HD
305
090.93.767
Engine cpl. TECNA
306
092.05.257
223 263
307
090.03.665
Screw
319
092.05.276
ROTOR
333
092.05.277
Magneto armature
334
090.03.553
Screw
337
092.05.177
Spark plug
377
090.03.019
Spring
524
092.05.463
Clutch assy.
552
090.03.752
bush
613
092.05.201
Screw
615
090.03.578
Circlip
616
092.05.119
394 075
625
092.05.265
INLET TUBE
635
090.03.056
SPARK PLUG CONNECTOR
720
090.64.023
Dowel pin
721
090.64.024
Stop
741
092.05.203
Helical gear
742
09064.224
742A
092.05.204
Circlip
869
090.64.819
INTAKE VALVE SEAT
870
090.64.820
EXHAUST VALVE SEAT
871
090.64.606
INLET VALVE GUIDE
897
092.05.287
394 970
907
092.05.208
Sleeve
908
092.05.361
231.219
909
092.05.210
washer
909A
092.05.211
washer
909B
092.05.212
washer
910
092.05.213
Clutch lever
911
092.05.214
BRACKET
Gestione della qualità
Aiutaci a migliorare il nostro sito. Informaci se trovi un errore.