.it
Carrello
vuoto
Il mio account
Registrati
Log in
Benvenuti
Contatti
Spedizione
L’azienda
Guest book
Condizioni e Privacy
Catalogare
Tagliare, profilare
Componenti per motore
Officine meccaniche
Parti e componentistica per macchine varie
Forestali
Articoli elettrici
Articoli invernali
Cinghie trapezoidali e relative pulegge
Filters
PEZZI DI RICAMBIO
Sprocket Rims
Guide Bars
Chainsaw Chains
Search by Part Number
Diagrammi ed elenchi
Servizio
Determine Chain
Ricerca
DE
EN
FR
ES
IT
Versione mobile
Gutbrod HB 45 R 02627.03 (1985) Crankcase, Cylinder Ricambi
Start
Gutbrod
Petrol mower self propelled
HB 45 R
02627.03 (1985)
Crankcase, Cylinder
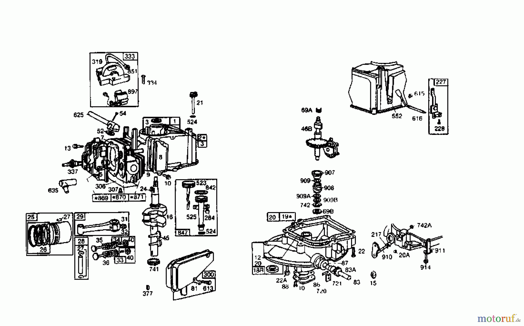
Crankcase, Cylinder 02627.03 (1985)
Posizione
Articolo numero
Descrizione
*870
090.64.820
EXHAUST VALVE SEAT
*871
090.64.606
INLET VALVE GUIDE
1
092.05.362
396 329
2*
090.03.342
Bushing
3
090.03.071
Oil seal
7
092.05.232
271868S
8
090.03.639
Breather
9
090.03.640
Gasket
10
090.03.486
93512
12
090.64.406
Gasket .015"
13
090.03.110
Screw
15
090.03.077
Plug
16
092.05.363
394 881
18 B
092.05.303
Oil sump
19*
090.03.343
bush
20
090.03.315
Oil seal
20A
092.05.181
Seal
22
090.03.942
Screw
22A
090.64.217
SCREW-TAP
24
092.05.271
WOODRUFF KEY
25
092.05.235
391 650
26
092.05.239
390486
27
090.03.016
Lock piston pin
28
092.05.243
391 649
29
092.05.245
CONNECTING ROD
31
092.05.103
Washer
32
092.05.247
Screw
33
092.05.249
EXHAUST VALVE
34
092.05.248
INTAKE VALVE
35
090.03.305
Spring-intake
36
090.03.020
Spring-exhaust valve
40
090.03.127
Retainer
45
092.05.250
261 250
46B
092.05.364
395 856
52
092.05.252
Gasket
54
090.03.645
94152/691090
69A
092.05.305
223 011
69B
092.05.184
washer
81
092.05.185
Lock
83
090.64.011
DRIVE SHAFT
83A
092.05.186
DRIVE PINION
86
090.64.013
PLATE-COVER-HI LO
87
092.05.129
OIL SEAL
88
090.64.015
Gasket
217
092.05.196
Spring
227
092.05.368
491481/396504
228
092.05.112
Screw
284
092.05.369
Screw
300
092.05.172
Muffler
306
092.05.257
223 263
307
090.03.665
Screw
319
092.05.276
ROTOR
333
092.05.277
Magneto armature
334
090.03.553
Screw
337
092.05.177
Spark plug
377
090.03.109
Key
523
092.05.279
Oil filler dipstick
524
092.05.372
Gasket
525
092.05.373
280 382
552
090.03.752
bush
613
092.05.201
Screw
615
090.03.578
Circlip
616
092.05.119
394 075
625
092.05.265
INLET TUBE
635
090.03.056
SPARK PLUG CONNECTOR
720
090.64.023
Dowel pin
721
090.64.024
Stop
741
092.05.203
Helical gear
742
090.64.224
Circlip
742A
092.05.204
Circlip
842
090.64.424
SEAL
847
092.05.374
394 023
851
090.64.510
Terminal-ignition cabl
897
092.05.287
394 970
907
092.05.208
Sleeve
908
092.05.361
231.219
909
092.05.210
washer
909A
092.05.211
washer
909B
092.05.212
washer
910
092.05.213
Clutch lever
911
092.05.214
BRACKET
914
092.05.215
Screw
Gestione della qualità
Aiutaci a migliorare il nostro sito. Informaci se trovi un errore.