.it
Carrello
vuoto
Il mio account
Registrati
Log in
Benvenuti
Contatti
Spedizione
L’azienda
Guest book
Condizioni e Privacy
Catalogare
Tagliare, profilare
Componenti per motore
Officine meccaniche
Parti e componentistica per macchine varie
Forestali
Articoli elettrici
Articoli invernali
Cinghie trapezoidali e relative pulegge
Filters
PEZZI DI RICAMBIO
Sprocket Rims
Guide Bars
Chainsaw Chains
Search by Part Number
Diagrammi ed elenchi
Servizio
Determine Chain
Ricerca
DE
EN
FR
ES
IT
Versione mobile
Gutbrod HB 45 R 02627.03 (1985) Basic machine Ricambi
Start
Gutbrod
Petrol mower self propelled
HB 45 R
02627.03 (1985)
Basic machine
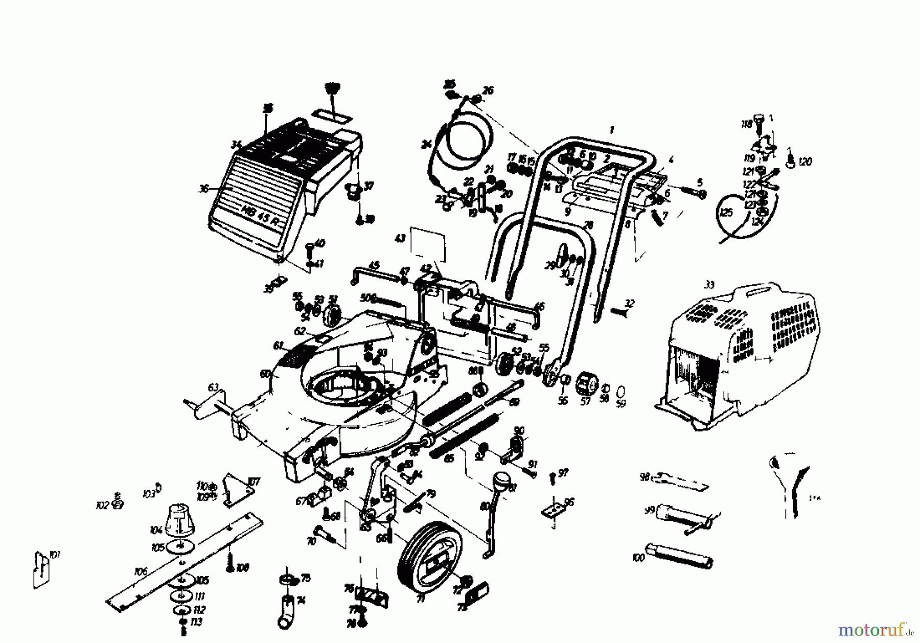
Basic machine 02627.03 (1985)
Posizione
Articolo numero
Descrizione
1
079.05.274
HANDLE UPPER PART
2
079.05.890
E-TEIL LIEFERUMFANG ARMATURENB
4
000.49.357
HINWEISSCHILD (START-STOP)
5
22.5410.51
LINSENSENKSCHR.M.KREUZDIN 966
6
24.6481.14
WASHER A6.4 DIN 125-ST
7
000.31.023
EXTENSION SPRING
8
079.05.270
VERSTAERKUNGSBLECH
9
000.49.321
Decal
10
079.05.231
Spacer
11
24.8195.14
LOCK WASHER
12
24.1421.14
Nut
13
000.02.406
SCREW
14
24.6273.23
ADJUST. WASHER & SUPP. SHIM
15
24.6486.15
Washer A5.3 DIN 9021-ST
16
24.8195.12
LOCK WASHER
17
24.3423.12
Nut
18
079.19.167
ROD-SHIFT
19
079.19.165
DEPTH LEVER
20
090.49.118
Screw
21
000.55.027
Clamp
22
079.19.847
SCHALTHEBELTRAEGER VOLLST.
23
25.8426.10
BOLT
24
079.19.851
SCHALTZUG KPL.
25
000.02.335
BOLT
26
000.55.024
SL-Lock part
29
090.26.829
WING NUT
30
24.8191.18
L-washer
31
24.6481.18
WASHER 8.4 DIN125
32
22.3417.33
Screw
33
079.80.924
Grass catcher cpl.
34
079.24.945
E-TEIL -LIEFERUMFANG HAUBE
35
000.49.184
LABEL
36
000.48.982
GRAHIC-Z42
37
079.24.079
CLIP
39
079.24.092
battery pad
40
21.1441.70
Screw
41
24.8195.18
Spring washer
42
079.25.392
Rear flap
43
000.49.423
Decal
45
079.25.287
Rod right
46
079.25.286
Rod left
47
28.3491.06
Ring
48
079.25.285
Sleeve
49
000.31.142
SPRING-EXTENSION
50
000.02.331
Screw
51
079.05.129
Handle lock right
52
079.05.120
Handle lock left
53
24.6486.25
Washer
54
24.8190.24
Lock washer
55
24.1424.25
NUT
56
079.05.122
SLEEVE
57
079.05.848
Grip
58
24.3421.55
Cap nut
59
000.34.145
Plug
60
079.25.976
MTD-GRAU GEPULVERT
61
079.25.383
PAD:FOOT:GRIT:
62
000.49.073
Decal
63
079.29.883
FRONT AXLE
64
24.6273.40
Shim
65
079.29.700
Adjusting lever assy.
66
25.3197.95
Pin
67
079.29.230
AXLE BRACKET
68
000.02.334
Screw
70
079.29.216
Screw
71
079.29.949
RAD KPL. ET-SET
72
000.02.361
HEXAGON NUT
73
079.29.455
SPRITZGUSSTEIL NDPE
74
079.11.613
CONNECTING TUBE
75
001.10.114
REAR ROD HANDLER
76
079.25.406
COVER-HARD TOP
77
24.6481.12
WASHER A5.3 DIN 125-ST
78
000.02.341
Screw
79
000.30.260
Spring
80
079.29.891
Adjusting lever assy.
81
000.36.023
Knob
82
079.29.952
STANGE KPL.M.KLEBESCH.
83
000.55.024
SL-Lock part
84
000.02.335
BOLT
85
000.30.258
COMPRESSION SPRING
88
23.4454.20
Stud
89
000.49.044
INDICATOR
90
079.29.237
BRACKET-HORIZ CROSS
91
22.5410.45
LINSENSENKSCHR.M.KREUZDIN 966
92
000.20.601
washer
93
24.8191.14
L-washer
94
24.1421.14
Nut
95
000.49.049
Decal
96
079.25.393
COVER-HARD TOP
97
000.02.341
Screw
98
000.40.355
Spanner
99
000.40.853
Spark plug spanner
100
000.40.440
Spanner for oil
101
000.41.298
LOCK PLATE
102
000.02.333
Screw
103
25.5239.09
DISC SPRING
104
079.77.123
Adapter-blade
105
090.26.344
Friction washer
106
079.77.818
Blade assy.
107
079.77.122
Air guide plate
108
000.02.379
BOLT
109
24.8195.14
LOCK WASHER
110
24.1421.14
Nut
111
090.26.387
Washer
112
090.26.348
LOCK WASHER
113
24.8195.22
LOCK WASHER
116
000.82.089
Funnel
118
21.1441.48
Screw
119
079.11.257
Holder
120
000.02.337
Screw
121
079.11.174
Friction washer
122
079.11.660
Gas lever
123
24.6486.16
Washer
124
24.1426.14
NYL-STOP-NUT M6 DIN985-8
125
079.11.125
BOWDEN CABLE
Gestione della qualità
Aiutaci a migliorare il nostro sito. Informaci se trovi un errore.