.it
Carrello
vuoto
Il mio account
Registrati
Log in
Benvenuti
Contatti
Spedizione
L’azienda
Guest book
Condizioni e Privacy
Catalogare
Tagliare, profilare
Componenti per motore
Officine meccaniche
Parti e componentistica per macchine varie
Forestali
Articoli elettrici
Articoli invernali
Cinghie trapezoidali e relative pulegge
Filters
PEZZI DI RICAMBIO
Sprocket Rims
Guide Bars
Chainsaw Chains
Search by Part Number
Diagrammi ed elenchi
Servizio
Determine Chain
Ricerca
DE
EN
FR
ES
IT
Versione mobile
Gutbrod RSB 80-10 04015.09 (1993) Front axle Ricambi
Start
Gutbrod
Lawn tractors
RSB 80-10
04015.09 (1993)
Front axle
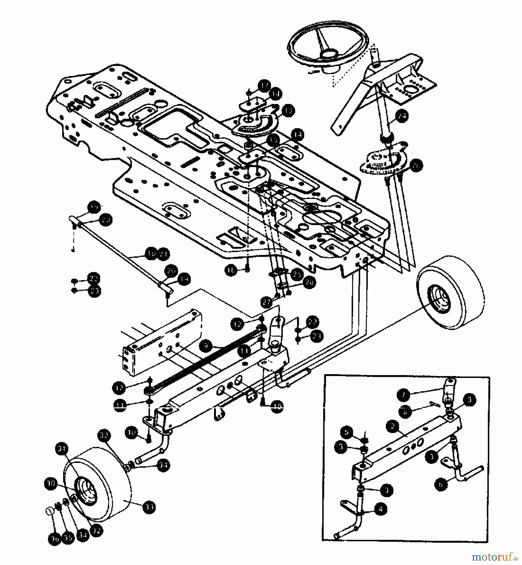
Front axle 04015.09 (1993)
Posizione
Articolo numero
Descrizione
2
092.41.825
ARM:PVT
3
092.41.826
bush
4
092.41.827
AXLE ASSY.RH.750 DIA.
5
092.04.089
RING-SNAP
6
092.41.828
AXLE ASSY.LH.750 DIA.
7
092.41.829
BRKT:STRG:STUB PIVOT
8
092.41.501
PIN SPRING
9
092.41.830
BAR-TIE
10
092.41.499
Screw
11
092.41.131
SPRING WASHER
12
092.15.201
L-nut
13
092.41.831
SEGMENT-STEERING
14
092.41.832
PLATE
15
092.41.833
bush
16
092.41.170
Screw
17
092.15.201
L-nut
18
092.41.834
328808
19
092.41.139
CONTROL-CHOK
20
092.41.138
Nut
21
092.41.835
56190
22
092.41.131
SPRING WASHER
23
092.41.142
Nut
24
092.41.836
STEERING, 2 PC 4WS
25
092.41.837
bearer
26
092.41.838
SCREW,HEX FLANGE
27
092.41.839
NUT
28
092.41.181
Circlip
30
092.41.193
Valve-stem
31
092.41.840
WHEEL RIM
32
092.41.321
bush
33
092.41.913
REIFEN VORN 13X5.00-6
34
092.41.197
Washer
35
092.04.089
RING-SNAP
36
092.41.199
CAP HUB
Gestione della qualità
Aiutaci a migliorare il nostro sito. Informaci se trovi un errore.