.it
Carrello
vuoto
Il mio account
Registrati
Log in
Benvenuti
Contatti
Spedizione
L’azienda
Guest book
Condizioni e Privacy
Catalogare
Tagliare, profilare
Componenti per motore
Officine meccaniche
Parti e componentistica per macchine varie
Forestali
Articoli elettrici
Articoli invernali
Cinghie trapezoidali e relative pulegge
Filters
PEZZI DI RICAMBIO
Sprocket Rims
Guide Bars
Chainsaw Chains
Search by Part Number
Diagrammi ed elenchi
Servizio
Determine Chain
Ricerca
DE
EN
FR
ES
IT
Versione mobile
Gutbrod RSB 110-16 H 00097.02 (1995) Mowing deck 100cm Ricambi
Start
Gutbrod
Lawn tractors
RSB 110-16 H
00097.02 (1995)
Mowing deck 100cm
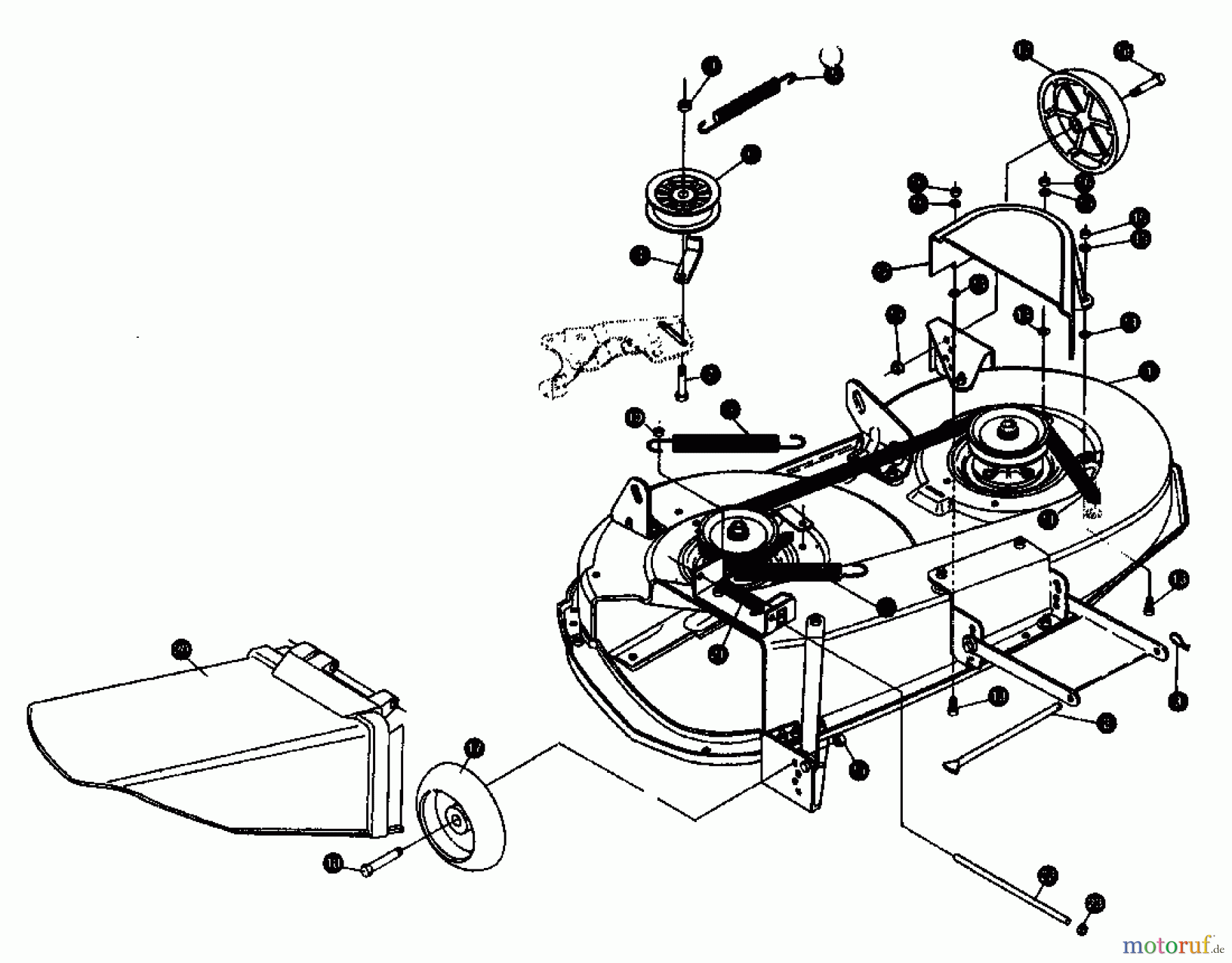
Mowing deck 100cm 00097.02 (1995)
Posizione
Articolo numero
Descrizione
1
092.44.081
329036
2
092.41.250
CLEVIS PIN
3
092.41.074
Hair pin
4
092.41.257
Belt retainer
5
092.41.414
Spring
6
092.41.415
PULLEY
7
092.41.993
BOLT
8
092.41.256
Nut
9
092.41.266
SPRING,EXT.1"
10
090.47.187
Nut
11
092.41.737
USE WD-C38929
12
092.44.126
Belt protection
13
092.41.996
SCREW-TAP
14
092.41.997
KLEMMSCHEIBE 5/16
15
092.41.071
Washer
16
090.47.187
Nut
17
092.41.270
DECK WHEEL
18
092.41.271
BOLT
19
092.15.201
L-nut
20
092.41.430
Deflector
21
092.41.273
SPRING,EXT.1"
22
092.41.429
Pivot rod
23
092.41.449
WRIST PIN BUTTON
Gestione della qualità
Aiutaci a migliorare il nostro sito. Informaci se trovi un errore.