LONCIN Motoren Seilzugstarter Ricambi
Seilzugstarter LC165F, LC165FD, LC170F, LC170FD

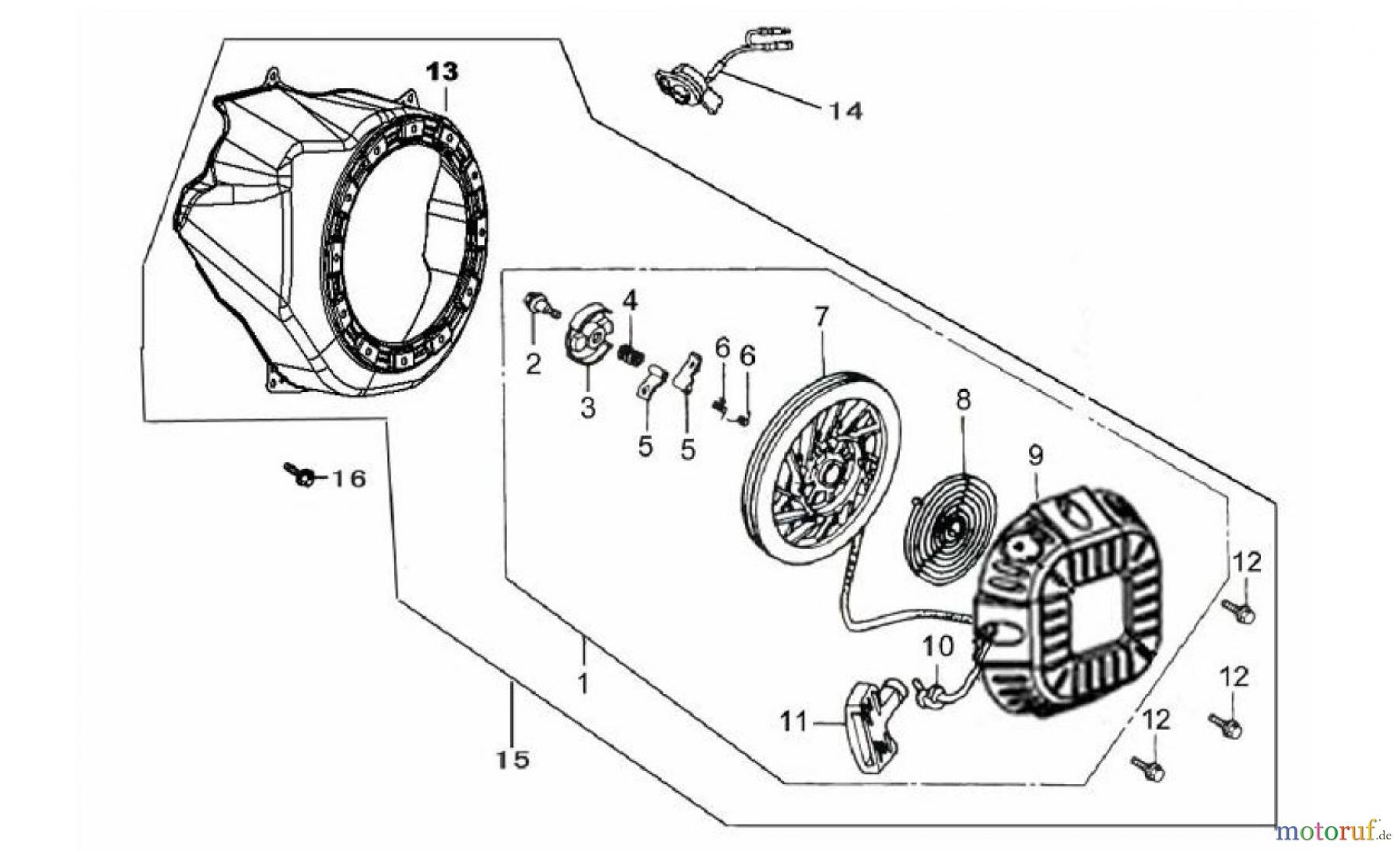
| Posizione | Articolo numero | Descrizione | |
| 1 | 193500046 | STARTER ASSY. | |
| 2 | 380020067 | SCREW | |
| 3 | 193550003 | GUIDE | |
| 4 | 381150342 | SPRING | |
| 5 | 193540003 | RATCHET | |
| 6 | 381160090 | SPRING | |
| 7 | 193520003 | REEL | |
| 8 | 193340018 | SPRING | |
| 9 | 193640023 | COVER COMP . | |
| 10 | 193530004 | ROPE | |
| 11 | 193560004 | KNOB | |
| 12 | 380140089 | 8 BOLT | |
| 13 | 160210042 | COVER COMP . | |
| 14 | 271660031 | SWITCH ASSY. | |
| 15 | 193490120 | RECOIL STARTER COMP. | |
| 16 | 380140001 | BOLT , FLANGE 6x12 | |


Gestione della qualità
Aiutaci a migliorare il nostro sito. Informaci se trovi un errore.

