Powerline Rasentraktor T 15-92 HD-A Edition Ricambi
T 15-92 HD-A Edition Rasentraktor
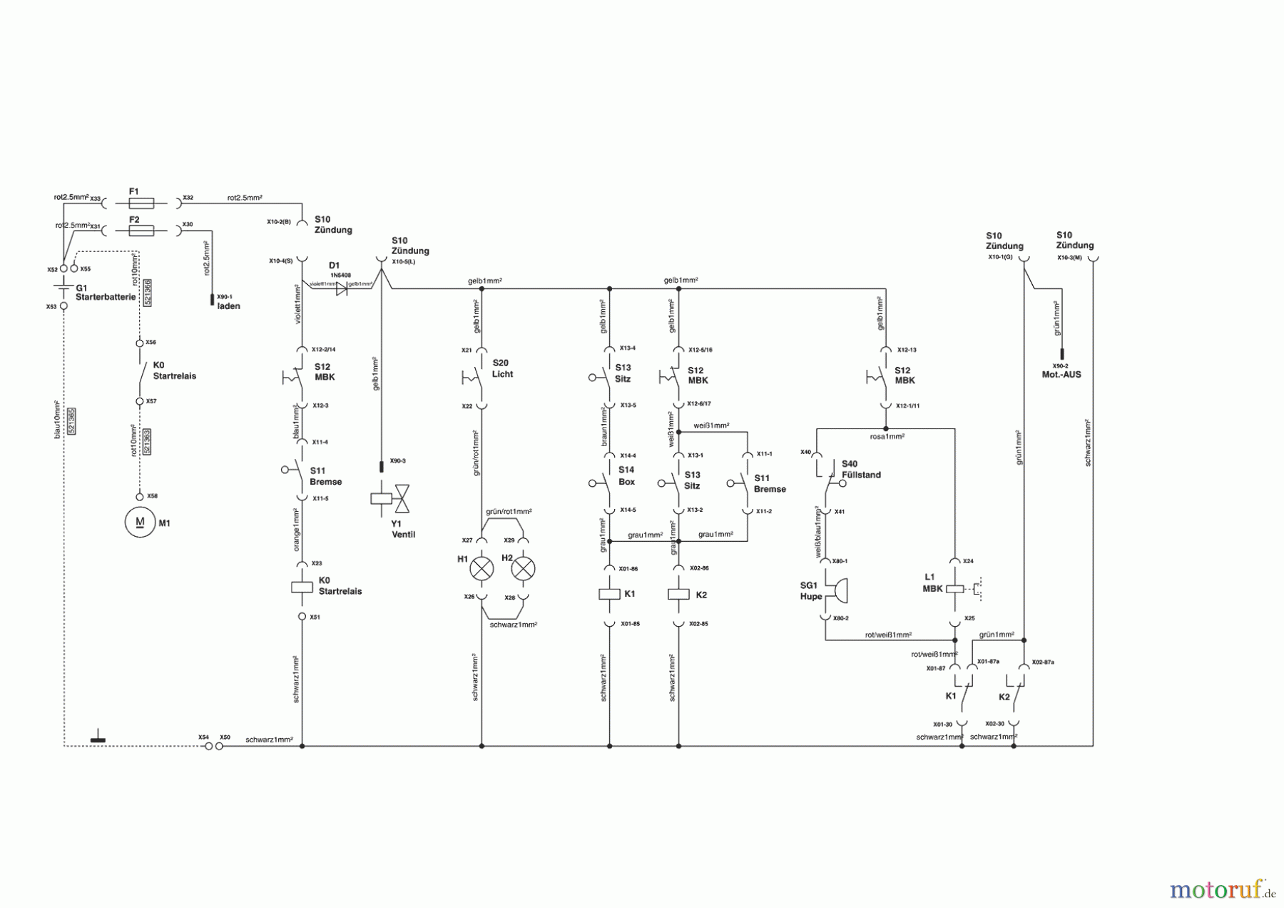
Articolo numero: 119629 119493

| Posizione | Articolo numero | Descrizione | |
| AL521363 | KABEL ROT STARTER/RELAIS | ||
| AL521365 | KABEL BLAU MASSELEITER | ||
| AL521366 | KABEL ROT BATTERIE/RELAIS | ||


Gestione della qualità
Aiutaci a migliorare il nostro sito. Informaci se trovi un errore.

