.it
Carrello
vuoto
Il mio account
Registrati
Log in
Benvenuti
Contatti
Spedizione
L’azienda
Guest book
Condizioni e Privacy
Catalogare
Tagliare, profilare
Componenti per motore
Officine meccaniche
Parti e componentistica per macchine varie
Forestali
Articoli elettrici
Articoli invernali
Cinghie trapezoidali e relative pulegge
Filters
PEZZI DI RICAMBIO
Sprocket Rims
Guide Bars
Chainsaw Chains
Search by Part Number
Diagrammi ed elenchi
Servizio
Determine Chain
Ricerca
DE
EN
FR
ES
IT
Versione mobile
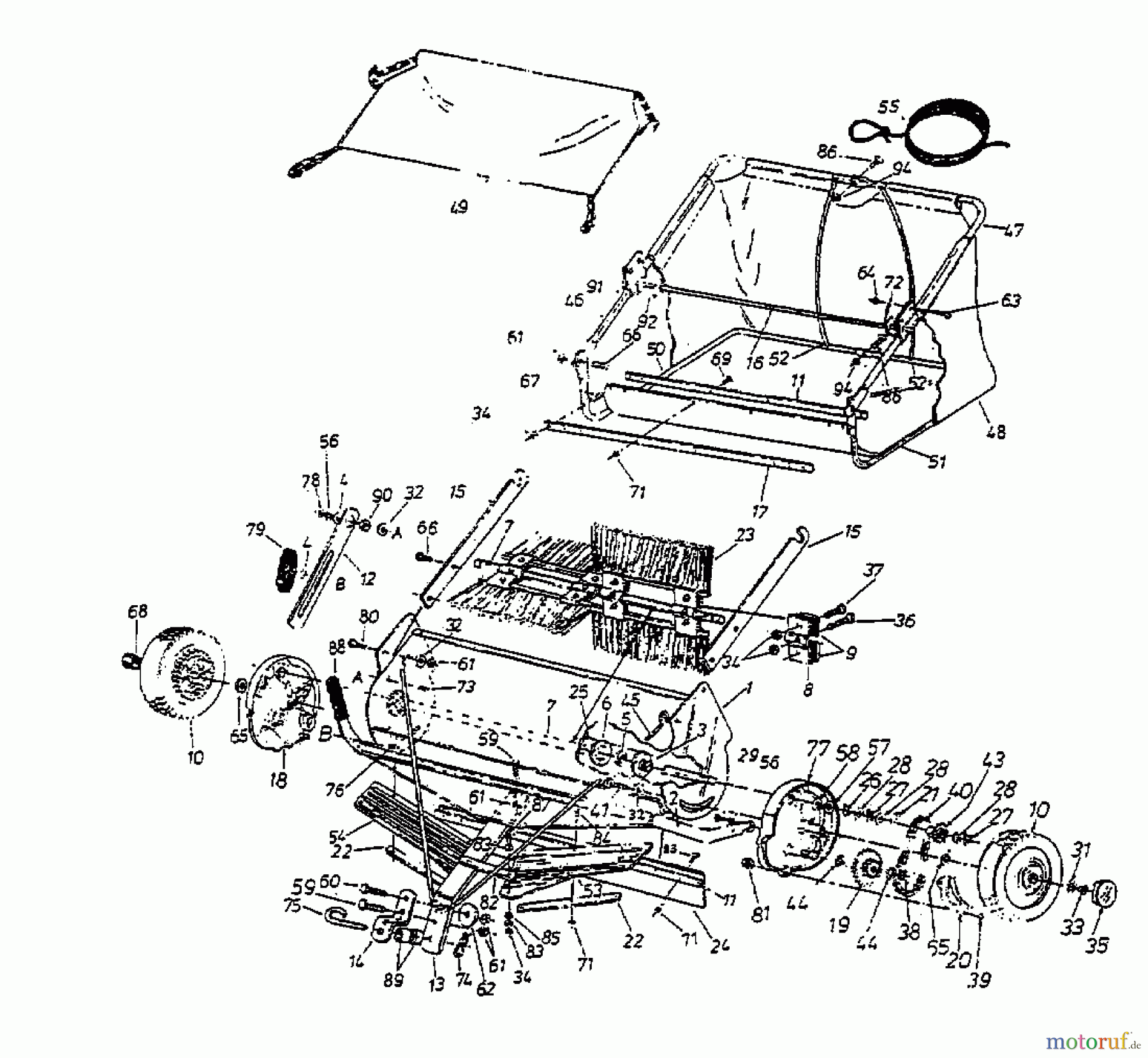
MTD Accessories Sweeper 45-0197 (190-507-000) 190-507-000 (1998) Basic machine Ricambi
Start
MTD Accessories
Accessories garden and lawn tractors
Sweeper
45-0197 (190-507-000)
190-507-000 (1998)
Basic machine
Basic machine 190-507-000 (1998)
Posizione
Articolo numero
Descrizione
1
62500
HOUSING
2
62801
3
62489
LAGERSCHALE AUßEN
4
43081
UNTERLAGSCHEIBE 5/16 (AF43081)
5
1652-13
6
1629-56
7
23574
BRUSH SHAFT
8
23580
BRUSH SUPPORT
9
23581
2074593
10
44985
11
23343
PLATE-SHAVE
12
23387
STELLSCHIENE
13
23349
DRAW BAR
14
23014
HITCH PLATE
15
23595
ARM, BAG MT LG
16
23601
ROD,TIE
17
23352
RETAINER, SKIRT 38 IN
18
62792
RADGEHÄUSE
19
62490
SPROCKET
20
23573
DESTPROOF CAP
21
1671-1
PAWL MOD 60
22
23597
REINFORCEMENT-HOOD
23
43904
BRUSH, 32 IN SWEEP
24
43673
RUBBER PADDLE
25
C-9M5732
26
43655
SPANNRING.75"
27
1650-21
28
44007
washer
29
43182
SKT-SCHR.5/16-18X.75"LG.
31
0141-000
WASHER
32
43070
33
1038
USE 712-0291
34
43013
35
2674-32
36
43661
SKT.-SCHR.1/4-20X1"LG.
37
43012
38
43894
STOPPING RING
39
44004
SCREW-TAP
40
44542
#420 CHAIN 1/2 PITCH
41
43932
BOLT, ROUND HEAD
43
43889
SPROCKET P.T.O MOD 60
44
44137
WASHER,NYLON1-1/2ODx5/16IDx1/8
45
43958
BRACE-VAR SP
46
43966
RAHMENROHR OBEN RECHTS
47
43967
RAHMENRECHTS OBEN LINKS
48
44067
BEHÄLTERABDECKUNG
49
43937
BEHÄLTERABDECKUNG
50
43968
RAHMENROHR UNTEN RECHTS
51
43969
RAHMENROHR UNTEN LINKS
52
43938
ROD,TIE
53
43939
SEITENABDECKUNG LINKS
54
43940
SEITENABDECKUNG RECHTS
55
43737
ZUGSEIL
56
43086
LOCK WASHER
57
1540-31
WASHER. 1.59x1.032x.060
58
1540-107
USE 736-0305
59
43001
SKT-SCHR. 3/8-16x1
60
43062
SKT.-SCHR.3/8-16X1 1/2"
61
43082
STK-STOP-MUTTER 3/8-16"
62
R19172410
WASHER
63
43182
SKT-SCHR.5/16-18X.75"LG.
64
43064
SKT-STOP-MUTTER
65
44008
66
43407
SKT-SCHR.3/8-16X3/4 LG.
67
1509-90
68
45088
69
43346
71
43662
SKT-MUTTER NR.10-32"
72
0142-000
PIN-COTTER
73
43080
SCHLOßSCHR.5/16-18X.75"LG
74
43343
PIN-COTTER
75
23353
PLUG:TRAILER CONN:7 PIN
76
43080
SCHLOßSCHR.5/16-18X.75"LG
77
62791
RADGEHÄUSE LINKS
78
43083
SKT-MUTTTER 5/16-19
79
43720
GRIFFMUTTER
80
43087
SKT-SCHR.3/8-16X1 1/4"LG.
81
1534-8
82
43941
LINK:PIVOT
83
43088
WASHER, PLAIN 1/4"
84
43346
85
1543-69
86
43978
BOLT-HEX HD
87
43012
88
43943
GRIP HT. ADJ 32"/38"
89
23368
SPACER
90
23400
SPACER SHIFT KEY
91
23331
THROTTLE CABLE CLIP
92
23354
BAIL
94
43013
Gestione della qualità
Aiutaci a migliorare il nostro sito. Informaci se trovi un errore.