.it
Carrello
vuoto
Il mio account
Registrati
Log in
Benvenuti
Contatti
Spedizione
L’azienda
Guest book
Condizioni e Privacy
Catalogare
Tagliare, profilare
Componenti per motore
Officine meccaniche
Parti e componentistica per macchine varie
Forestali
Articoli elettrici
Articoli invernali
Cinghie trapezoidali e relative pulegge
Filters
PEZZI DI RICAMBIO
Sprocket Rims
Guide Bars
Chainsaw Chains
Search by Part Number
Diagrammi ed elenchi
Servizio
Determine Chain
Ricerca
DE
EN
FR
ES
IT
Versione mobile
MTD Accessories Sweeper 176 RK 02667.02 (1985) Basic machine Ricambi
Start
MTD Accessories
Accessories garden and lawn tractors
Sweeper
176 RK
02667.02 (1985)
Basic machine
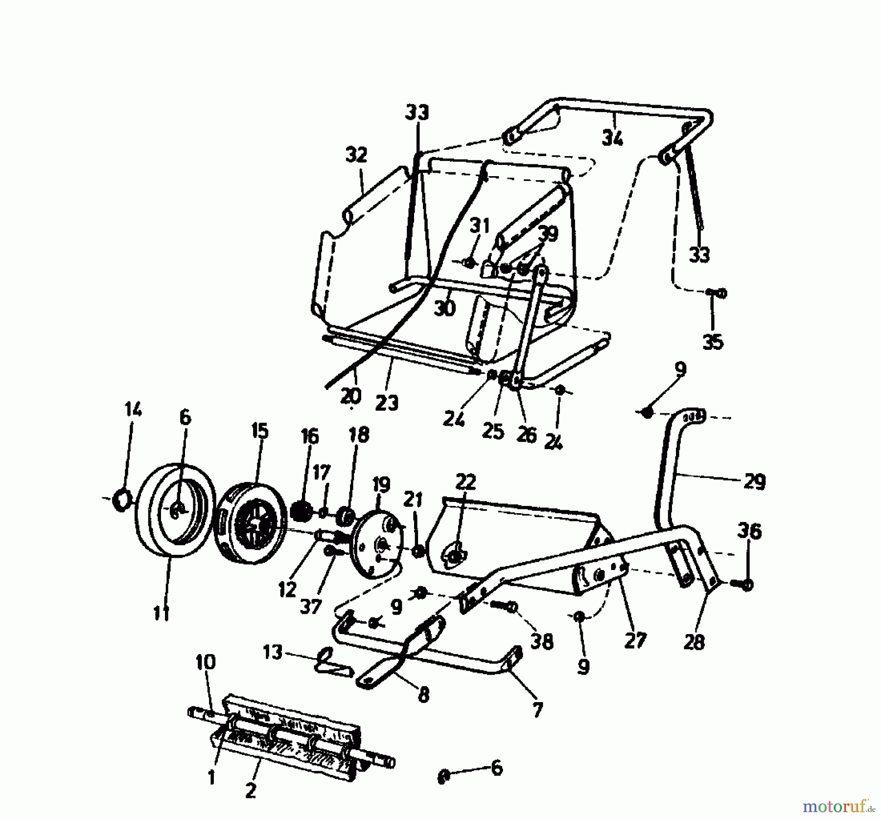
Basic machine 02667.02 (1985)
Posizione
Articolo numero
Descrizione
1
090.28.125
BRUSH CRAMP
2
090.28.185
BRUSH STRIP
6
090.28.013
Ring
7
090.28.411
Bumper
8
090.28.412
ZUGOESE
9
24.1421.18
Nut
10
090.28.413
BRUSH AXLE
11
090.28.414
12
090.28.053
AXLE
13
090.28.086
SEITENROHR
14
090.28.415
HUB CAP
15
090.28.173
DRIVE RIM
16
090.28.056
DRIVE PINION
17
090.28.225
PIN-DRIVE
18
090.28.175
19
090.28.177
LAGERPLATTE RE.
20
090.28.416
KIPPSEIL
21
090.28.041
NUT
22
090.28.040
NUT
23
090.28.417
ROD
24
090.28.002
25
090.28.418
SIDE TUBE PAINTED
26
090.28.419
STUETZROHR
27
090.28.420
BRUSH COVERIN
28
090.28.421
TRAGSTANGE LINKS
29
090.28.423
ROD
30
090.28.424
ROD
31
090.28.047
Nut
32
090.28.425
GRASS BAG
33
090.26.426
33
090.28.426
STUETZROHR
34
090.28.427
FUEHRUNGSHOLM
35
22.3417.27
36
22.3417.28
Screw
37
090.28.428
Screw
38
090.28.429
SCREW-TAP
39
090.28.430
washer
Gestione della qualità
Aiutaci a migliorare il nostro sito. Informaci se trovi un errore.