.it
Benvenuti
Contatti
Spedizione
L’azienda
Guest book
Condizioni e Privacy
Catalogare
Tagliare, profilare
Componenti per motore
Officine meccaniche
Parti e componentistica per macchine varie
Forestali
Articoli elettrici
Articoli invernali
Cinghie trapezoidali e relative pulegge
Filters
PEZZI DI RICAMBIO
Sprocket Rims
Guide Bars
Chainsaw Chains
Search by Part Number
Diagrammi ed elenchi
Servizio
Determine Chain
Ricerca
Il mio account
Registrati
Log in
Settings
DE
EN
FR
ES
IT
Desktop
Troy-Bilt TB 2654 14AR94KK066 (2015) Dashboard Ricambi
Start
Troy-Bilt
Garden tractors
TB 2654
14AR94KK066 (2015)
Dashboard
Dashboard 14AR94KK066 (2015)
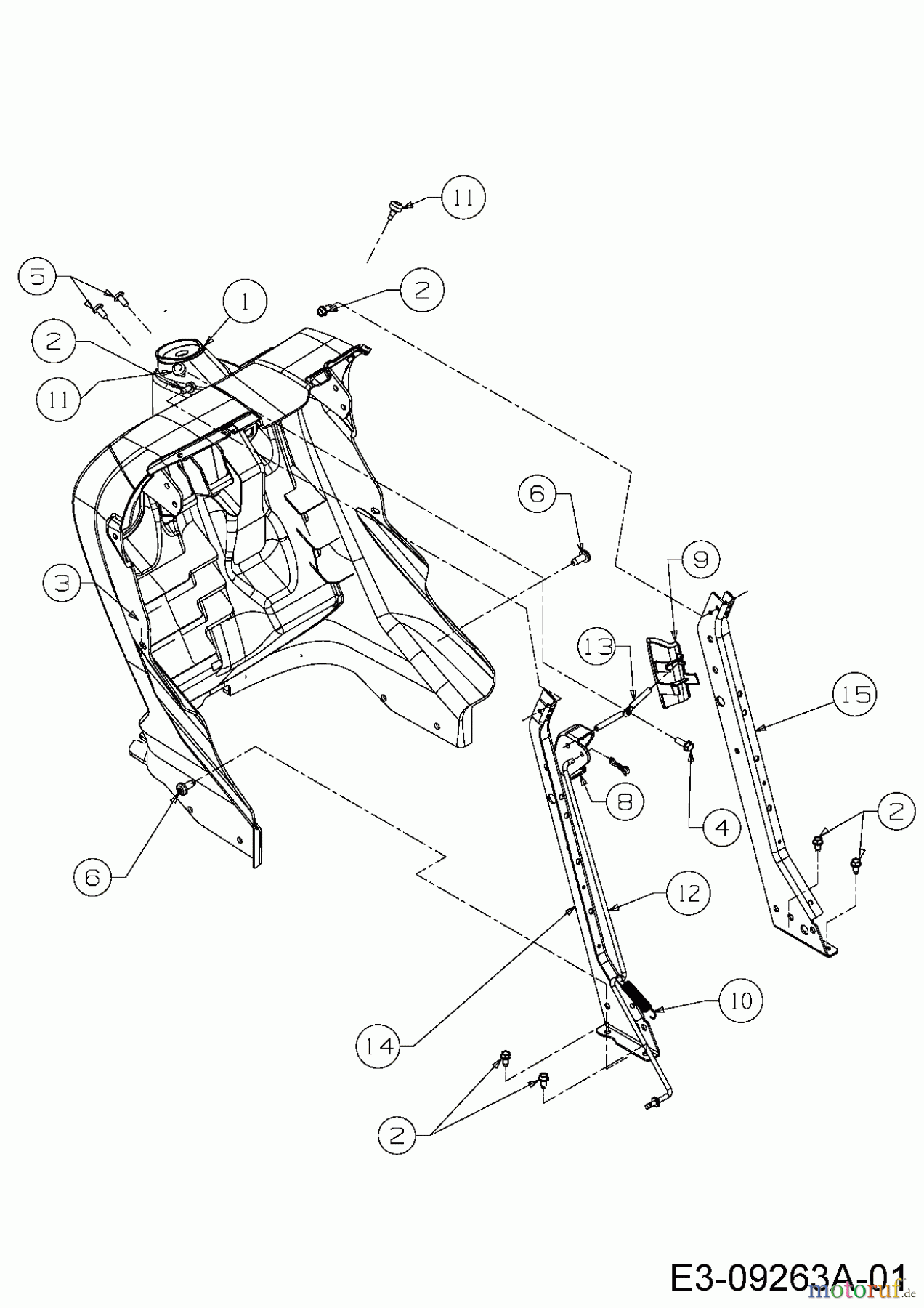
Posizione
Articolo numero
Descrizione
1
631-04664
2
710-0599
SCR:TT:1/4-20:0.500:HXINDWSH
3
710-0607
SCREW:TT:5/16-18:.500:HXINDWSH
4
710-0895
SCR:HL:1/4-15:0.750:HXINDWSH
5
710-1017
TAP SCREW:1/4-14:.625:TRUSTRXI
6
710-1611B
SCR:TT:5/16-18:0.750:PANTRXI
7
714-04040
PIN-COTTER
8
731-06639
LVR:DASH:1/5/T/K STYLE NX-9
9
731-06642
CVR:CRUISE:8/9 STYLE
10
732-04580
SPRING-EXTENSION .50x2.73
11
736-0142
WASHER:FLAT:.281 x.500 x.063
12
747-05008
ROD:CONT:LATCH
13
747-1196
ROD:LVR:BENT
14
783-04285F
SUPT:DASH:PLATE:RH
15
783-04323F
SUPT:DASH:PLATE LH
Gestione della qualità
Aiutaci a migliorare il nostro sito. Informaci se trovi un errore.