.it
Benvenuti
Contatti
Spedizione
L’azienda
Guest book
Condizioni e Privacy
Catalogare
Tagliare, profilare
Componenti per motore
Officine meccaniche
Parti e componentistica per macchine varie
Forestali
Articoli elettrici
Articoli invernali
Cinghie trapezoidali e relative pulegge
Filters
PEZZI DI RICAMBIO
Sprocket Rims
Guide Bars
Chainsaw Chains
Search by Part Number
Diagrammi ed elenchi
Servizio
Determine Chain
Ricerca
Il mio account
Registrati
Log in
Settings
DE
EN
FR
ES
IT
Desktop
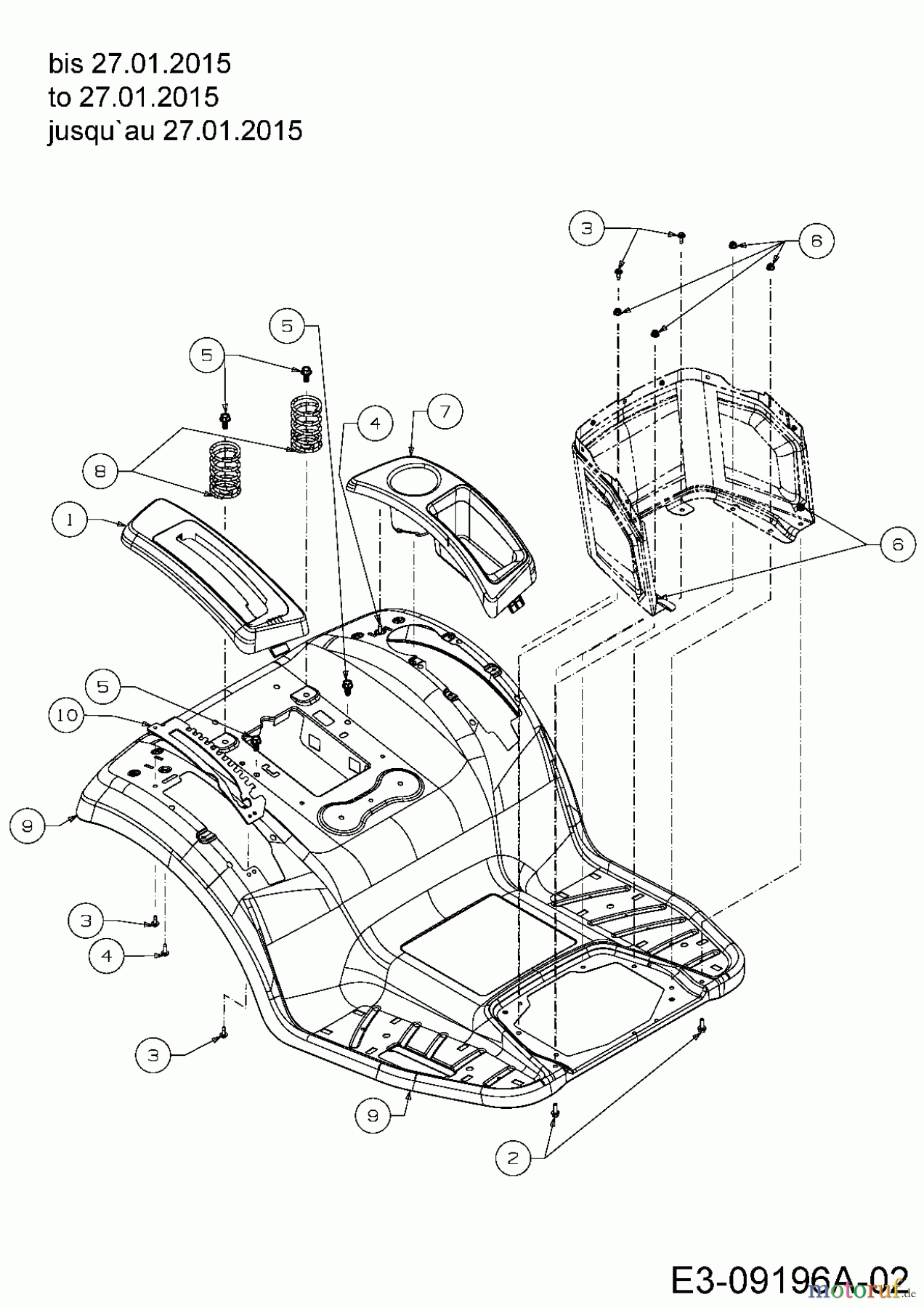
Cub Cadet LX 42" KH 13APA1CS330 (2015) Fender bis 27.01.2015 Ricambi
Start
Cub Cadet
Lawn tractors
LX 42" KH
13APA1CS330 (2015)
Fender bis 27.01.2015
Fender bis 27.01.2015 13APA1CS330 (2015)
Posizione
Articolo numero
Descrizione
1
631-05259
CVR ASM:RH:LT:ELEC PTO
2
710-04666
HHFLG:1/4-20:.75:GR5
3
710-06133
SCR:CF:M6-1 X.625" HXACRNWSH
4
710-06147
SCR:PLA:1/4-10:.750:HXACRNWSH
5
710-0623
SCR:TT:3/8-16:.750 HXINDWSH
6
712-04064
NUT:FLGLK:1/4-20:GRF:NYLON
7
731-10172A
CVR:LH:LT:HYDRO
8
732-05182A
SPR:COMPRS:2.18 x 3.65 x .207
9
783-08279A
10
783-08559
Gestione della qualità
Aiutaci a migliorare il nostro sito. Informaci se trovi un errore.