.it
Carrello
vuoto
Il mio account
Registrati
Log in
Benvenuti
Contatti
Spedizione
L’azienda
Guest book
Condizioni e Privacy
Catalogare
Tagliare, profilare
Componenti per motore
Officine meccaniche
Parti e componentistica per macchine varie
Forestali
Articoli elettrici
Articoli invernali
Cinghie trapezoidali e relative pulegge
Filters
PEZZI DI RICAMBIO
Sprocket Rims
Guide Bars
Chainsaw Chains
Search by Part Number
Diagrammi ed elenchi
Servizio
Determine Chain
Ricerca
DE
EN
FR
ES
IT
Versione mobile
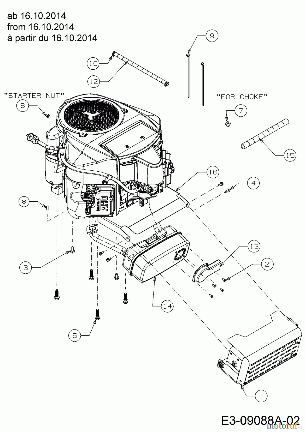
Cub Cadet CC 1022 KHT 13HF93AT603 (2014) Engine accessories from 16.10.2014 Ricambi
Start
Cub Cadet
Lawn tractors
CC 1022 KHT
13HF93AT603 (2014)
Engine accessories from 16.10.2014
Engine accessories from 16.10.2014 13HF93AT603 (2014)
Posizione
Articolo numero
Descrizione
1
683-04549A
2
710-0227
SCR:AB:#8-18:0.500:HXINDWH
3
710-04484
SCREW:TT:5/16-18:.750:HXINDWSH
4
710-0599
SCR:TT:1/4-20:0.500:HXINDWSH
5
710-1315
SCR:TT:3/8-16:1.250:HXINDWSH:S
6
712-0271
NUT:SEMS:1/4-20
7
712-3005
NUT:FLGLK:3/8-16:GR5
8
720-04199
CAP:VINYL:.280 x .500
9
725-0157
CBL:TIE: 3/16 X .05 X 7.4
10
726-0205
CLAMP HOSE: .490 DIA
12
751-0535
FUEL LINE HOSE BLACK
13
751-11053A
DFL:MFLR:LONG EXHAUST
14
751-11471A
MFLR:TWIN:KAWASAKI 730CC
15
751-3141
HOSE:EXTN:OIL DRAIN
16
783-06378A
SHLD:HEAT:TWIN
Gestione della qualità
Aiutaci a migliorare il nostro sito. Informaci se trovi un errore.