.it
Carrello
vuoto
Il mio account
Registrati
Log in
Benvenuti
Contatti
Spedizione
L’azienda
Guest book
Condizioni e Privacy
Catalogare
Tagliare, profilare
Componenti per motore
Officine meccaniche
Parti e componentistica per macchine varie
Forestali
Articoli elettrici
Articoli invernali
Cinghie trapezoidali e relative pulegge
Filters
PEZZI DI RICAMBIO
Sprocket Rims
Guide Bars
Chainsaw Chains
Search by Part Number
Diagrammi ed elenchi
Servizio
Determine Chain
Ricerca
DE
EN
FR
ES
IT
Versione mobile
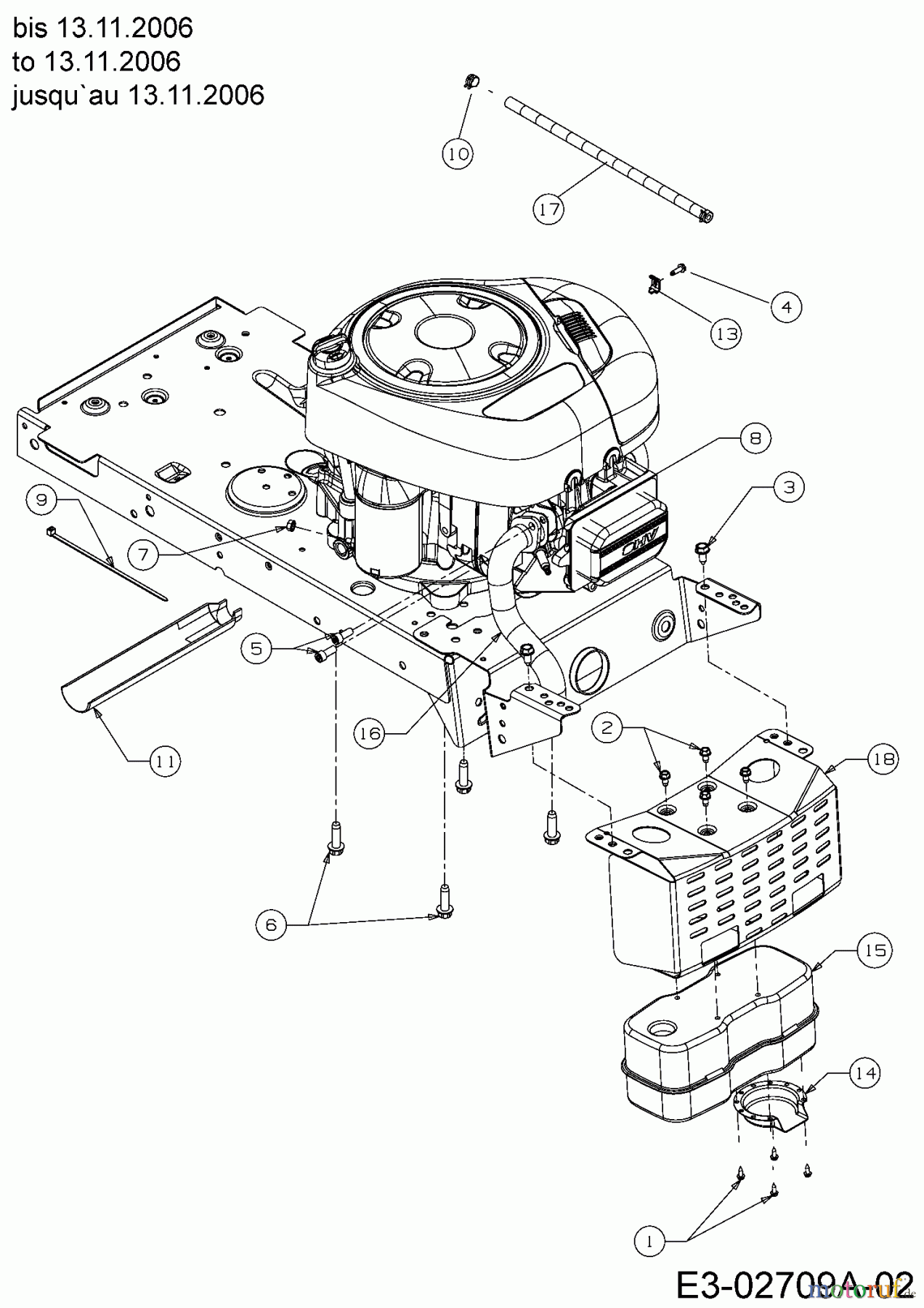
Yard-Man TF 7135 13AH774F643 (2007) Engine accessories to 13.11.2006 Ricambi
Start
Yard-Man
Lawn tractors
TF 7135
13AH774F643 (2007)
Engine accessories to 13.11.2006
Engine accessories to 13.11.2006 13AH774F643 (2007)
Posizione
Articolo numero
Descrizione
1
710-0227
SCR:AB:#8-18:0.500:HXINDWH
2
710-0599
SCR:TT:1/4-20:0.500:HXINDWSH
3
710-0726
SCR:AB:5/16-12:0.750:HXINDWSH
4
710-1237
SCR:T:#10-32:0.625:HXINDWSH
5
710-1314A
SCR:SOC HD:5/16-18:.750 GR8
6
710-1315
SCR:TT:3/8-16:1.250:HXINDWSH:S
7
712-0271
NUT:SEMS:1/4-20
8
721-0208
EXHAUST GSKT 10 & 11 HP
9
725-0157
CBL:TIE: 3/16 X .05 X 7.4
10
726-0205
CLAMP HOSE: .490 DIA
11
731-1682A
SLEV:OIL:DRAIN
13
751B221535
CLAMP:CASING
14
751-0564B
DEFLECTOR:MUFFLER
15
751-0617B
MFLR:SINGLE INLET
16
751-0816B
EXHAUST PIPE SINGLE B&S OHV
17
751-0535
FUEL LINE HOSE BLACK
18
783-0615D
BRKT:MUFFLER
Gestione della qualità
Aiutaci a migliorare il nostro sito. Informaci se trovi un errore.