.it
Carrello
vuoto
Il mio account
Registrati
Log in
Benvenuti
Contatti
Spedizione
L’azienda
Guest book
Condizioni e Privacy
Catalogare
Tagliare, profilare
Componenti per motore
Officine meccaniche
Parti e componentistica per macchine varie
Forestali
Articoli elettrici
Articoli invernali
Cinghie trapezoidali e relative pulegge
Filters
PEZZI DI RICAMBIO
Sprocket Rims
Guide Bars
Chainsaw Chains
Search by Part Number
Diagrammi ed elenchi
Servizio
Determine Chain
Ricerca
DE
EN
FR
ES
IT
Versione mobile
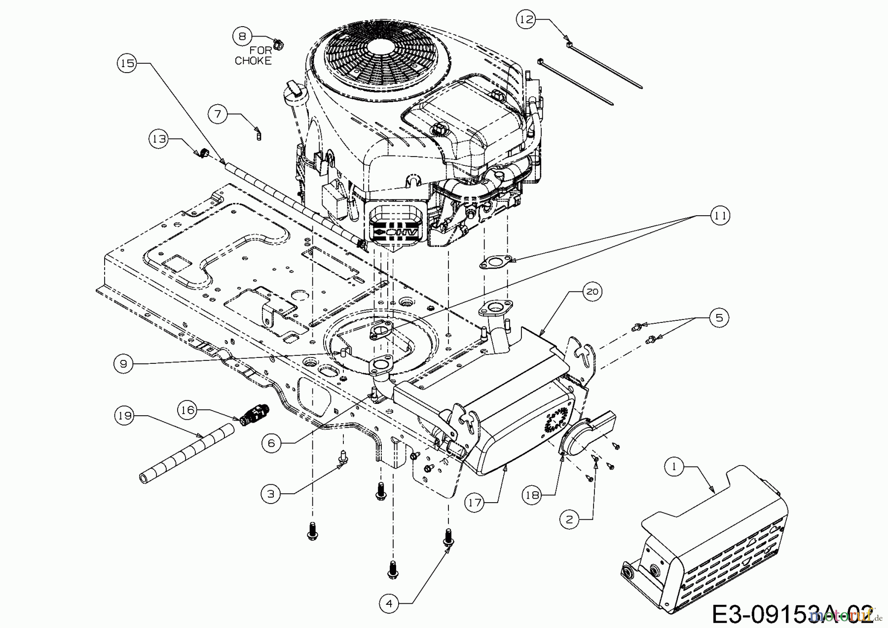
MTD 220/105 H 13HU99KN676 (2016) Engine accessories Ricambi
Start
MTD
Lawn tractors
220/105 H
13HU99KN676 (2016)
Engine accessories
Engine accessories 13HU99KN676 (2016)
Posizione
Articolo numero
Descrizione
1
683-04549A
2
710-0227
SCR:AB:#8-18:0.500:HXINDWH
3
710-04484
SCREW:TT:5/16-18:.750:HXINDWSH
4
710-04683C
SCR.TT:3/8-16:1.000:HEXINDWSH
5
710-0599
SCR:TT:1/4-20:0.500:HXINDWSH
6
710-1314A
SCR:SOC HD:5/16-18:.750 GR8
7
712-0271
NUT:SEMS:1/4-20
8
712-3005
NUT:FLGLK:3/8-16:GR5
9
720-04199
CAP:VINYL:.280 x .500
11
721-0460
EXHAUST GASKET INTEK TWIN
12
725-0157
CBL:TIE: 3/16 X .05 X 7.4
13
726-0205
CLAMP HOSE: .490 DIA
15
751-0535
FUEL LINE HOSE BLACK
16
751-10517A
DRN:OIL
17
751-10542A
MFLR:BRIGGS TWIN INTEK
18
751-11053A
DFL:MFLR:LONG EXHAUST
19
751-3141
HOSE:EXTN:OIL DRAIN
20
783-06378A
SHLD:HEAT:TWIN
Gestione della qualità
Aiutaci a migliorare il nostro sito. Informaci se trovi un errore.