Il mio account
Settings Desktop

Massey Ferguson MF 38-16 SH 13HD93GF695 (2016) Mowing deck F (38"/96cm) Ricambi

Mowing deck F (38"/96cm) 13HD93GF695 (2016)

 Massey Ferguson Lawn tractors MF 38-16 SH 13HD93GF695  (2016) Mowing deck F (38
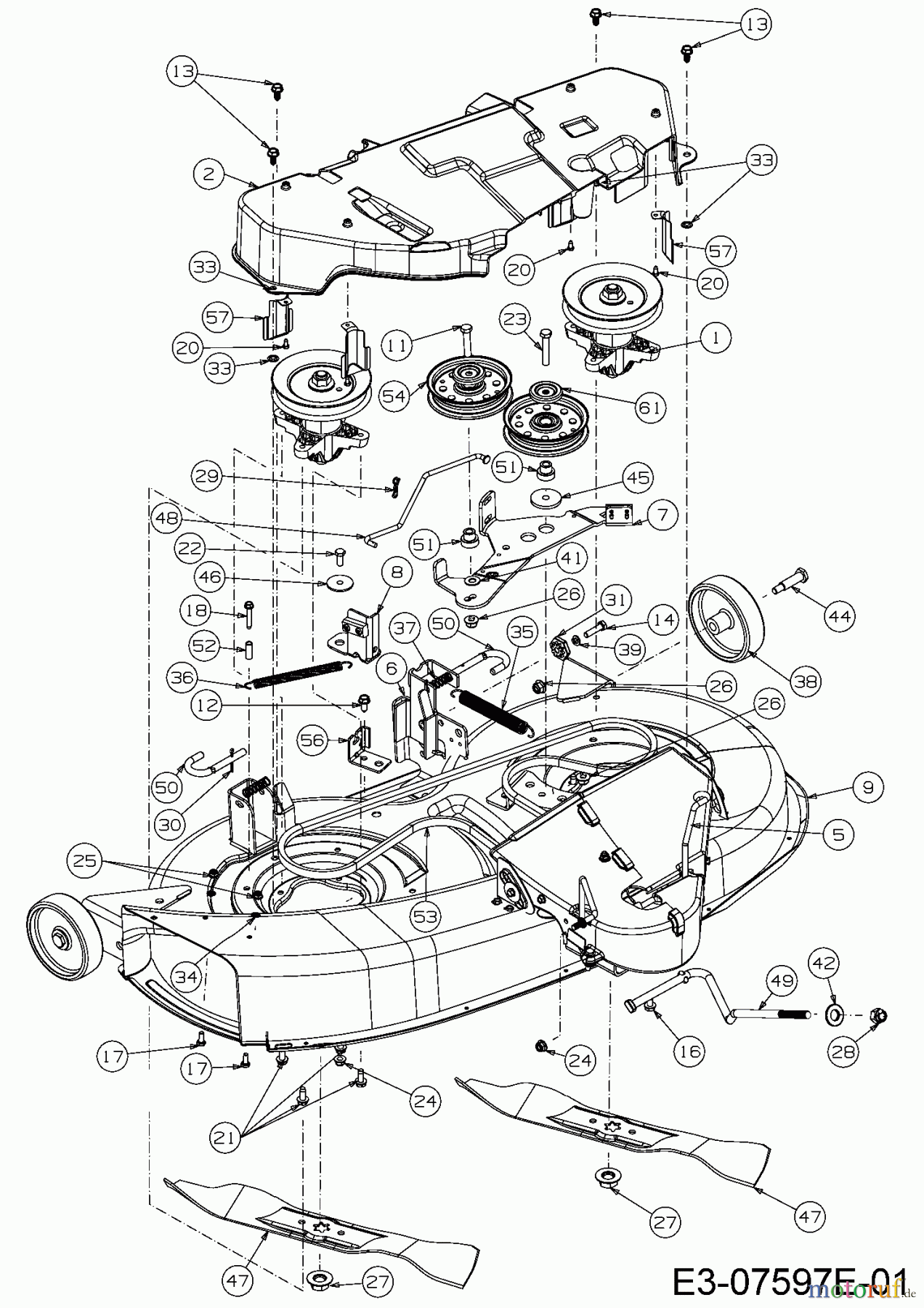
PosizioneArticolo numeroDescrizione
1 Massey Ferguson SPDL ASM:PUL:5.75" DIA618-04474BSPDL ASM:PUL:5.75" DIA
2 631-04312ACOVER ASM:DECK 38"
3 631-04342COVER ASM LEFT
4 631-04343CVR ASM:RIGHT
5 647-04163ROD ASM KEEPER 42" FRENCH COVR
6 683-0254BBRKT:ASM:DECK:HNGR LH LT
7 Massey Ferguson 683-04138C
8 Massey Ferguson BRAKE ASM:DECK 42"683-04167BRAKE ASM:DECK 42"
9 683-05168
10 710-0106HHCS:1/4-20:1.25:GR5:SPEC
11 Massey Ferguson HHCS:3/8-16:1.75:GR5:STD710-0347HHCS:3/8-16:1.75:GR5:STD
12 Massey Ferguson SCREW:TT:5/16-18:.750:HXINDWSH710-04484SCREW:TT:5/16-18:.750:HXINDWSH
13 710-05045ASCR:TT:5/16-18:.750:HXINDWSH
14 Massey Ferguson HHCS:5/16-18:1.25:GR5:STD710-0528HHCS:5/16-18:1.25:GR5:STD
15 Massey Ferguson SCR:TT:1/4-20:0.500:HXINDWSH710-0599SCR:TT:1/4-20:0.500:HXINDWSH
16 Massey Ferguson SCREW:TT:5/16-18:0.625HXINDWSH710-0604ASCREW:TT:5/16-18:0.625HXINDWSH
17 710-0751HHCS:1/4-20:.620:GR5:STD
18 Massey Ferguson SCR:TT:1/4-20:1.500:HXINDWISH710-0778SCR:TT:1/4-20:1.500:HXINDWISH
19 Massey Ferguson SCR:HL:1/4-15:0.750:HXINDWSH710-0895SCR:HL:1/4-15:0.750:HXINDWSH
20 Massey Ferguson HEX. SCREW B:#10-16:0440:HEX710-0919HEX. SCREW B:#10-16:0440:HEX
21 Massey Ferguson SCR:TT:5/16-18:0.750:HXINDWSH710-1260ASCR:TT:5/16-18:0.750:HXINDWSH
22 Massey Ferguson SCREW HHCS:5/16-18:.75:GR5:STD710-3008SCREW HHCS:5/16-18:.75:GR5:STD
23 Massey Ferguson HHCS:3/8-16:2.00:GR5:STD710-3144HHCS:3/8-16:2.00:GR5:STD
24 Massey Ferguson FLANGED NUT 5/16-18:GRF:NYLON712-04063FLANGED NUT 5/16-18:GRF:NYLON
25 Massey Ferguson NUT:FLGLK:1/4-20:GRF:NYLON712-04064NUT:FLGLK:1/4-20:GRF:NYLON
26 Massey Ferguson NUT:FLGLK:3/8-16:GRF:NYLON712-04065NUT:FLGLK:3/8-16:GRF:NYLON
27 Massey Ferguson NUT:FLG:5/8-18712-0417ANUT:FLG:5/8-18
28 Massey Ferguson NUT:FLXLK:1/2-13712-04243NUT:FLXLK:1/2-13
29 Massey Ferguson PIN-COTTER714-04040PIN-COTTER
30 Massey Ferguson PIN:COT:1/8 x 1.25714-0470PIN:COT:1/8 x 1.25
31 Massey Ferguson GEAR:DECK:ADJUSTMENT717-04074GEAR:DECK:ADJUSTMENT
33 Massey Ferguson NUT:SPD:.3125 ID726-0201NUT:SPD:.3125 ID
34 726-0233NUT:PUSH:.25 ID X .50 OD
35 Massey Ferguson SPR:EXTN:0.75 OD x 6.375LG732-04280BSPR:EXTN:0.75 OD x 6.375LG
36 Massey Ferguson SPR:EXTN:.500 DIA x 6.375LG732-04287SPR:EXTN:.500 DIA x 6.375LG
37 Massey Ferguson SPR:COMP:.535 OD x 1.751 LG732-04652SPR:COMP:.535 OD x 1.751 LG
38 734-0973WHEEL:DECK 5.0 X 1.38
39 Massey Ferguson WASHER:LOCK:5/16:SPLT:REG736-0119WASHER:LOCK:5/16:SPLT:REG
40 736-0211WASHER:FLAT:.285 x 1.250 x.060
41 Massey Ferguson WASH:FLAT:.406 X .875 X.059736-0300WASH:FLAT:.406 X .875 X.059
42 736-0317WASH:BLVL:.630x1.250x.180
43 736-0463WASH:FLAT: .250 x .630 x .052
44 Massey Ferguson SCR:SHLDR:.496 x 1.525: 3/8-16738-0373SCR:SHLDR:.496 x 1.525: 3/8-16
45 Massey Ferguson SPCR:SHLDR:.8840 x .190738-04162CSPCR:SHLDR:.8840 x .190
46 738-04166SPACER:SHLDR:.5000 x.1475
47 Massey Ferguson BLADE:19.30" 3 IN 1:6PT742-0610ABLADE:19.30" 3 IN 1:6PT
48 Massey Ferguson BRAKE ROD 38"747-04381BRAKE ROD 38"
49 Massey Ferguson ROD:DECK 38" EURO COVER747-05061ROD:DECK 38" EURO COVER
50 Massey Ferguson ROD:HNDL:DECK REL .375 DIA747-1116ROD:HNDL:DECK REL .375 DIA
51 Massey Ferguson SPCR:SHLDR:IDLR748-05029ASPCR:SHLDR:IDLR
52 Massey Ferguson SPCR: .260 X .375 X 1.030 LG750-0566ASPCR: .260 X .375 X 1.030 LG
53 Massey Ferguson BELT:V TYP:A SELECTION X 88.80754-04198CBELT:V TYP:A SELECTION X 88.80
54 Massey Ferguson PUL:IDLR:4.25"DIA:HD756-05042PUL:IDLR:4.25"DIA:HD
56 783-04740BRKT:CBL:DECK ENGAGE
57 783-05497BRKT:KEEPR:BELT
58 783-06276BRKT:CVR:FRENCH
59 783-06283PLT:PIVOT:FRNCH CVR:REIGHT
60 783-06284PLT:PIVOT:FRENCH CVR:LEFT
61 Massey Ferguson CAP:PULLEY:HD783-08389CAP:PULLEY:HD
Rasen
Bankeinzug, MasterCard, Visa, American Express, PayPal, Nachnahme, Vorauskasse, Sofortüberweisung
Gestione della qualità
Aiutaci a migliorare il nostro sito. Informaci se trovi un errore.