.it
Benvenuti
Contatti
Spedizione
L’azienda
Guest book
Condizioni e Privacy
Catalogare
Tagliare, profilare
Componenti per motore
Officine meccaniche
Parti e componentistica per macchine varie
Forestali
Articoli elettrici
Articoli invernali
Cinghie trapezoidali e relative pulegge
Filters
PEZZI DI RICAMBIO
Sprocket Rims
Guide Bars
Chainsaw Chains
Search by Part Number
Diagrammi ed elenchi
Servizio
Determine Chain
Ricerca
Il mio account
Registrati
Log in
Settings
DE
EN
FR
ES
IT
Desktop
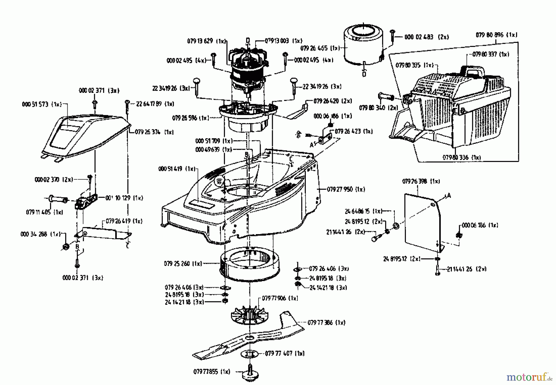
Gutbrod HE 48 02817.04 (1995) Basic machine Ricambi
Start
Gutbrod
Electric mower
HE 48
02817.04 (1995)
Basic machine
Basic machine 02817.04 (1995)
Posizione
Articolo numero
Descrizione
22.3
22.3419.26
Screw
079.
079.26.420
ANGULAR STOP
000.
000.06.186
Nut
079.
079.26.465
LUFTFUEHRUNG SCHWARZ RAL 9005
22.6
22.6417.89
Screw
079.
079.80.340
BOLT
24.8
24.8195.12
LOCK WASHER
21.1
21.1441.26
Screw
079.
079.26.406
battery pad
079.
079.26.423
BRACKET
079.
079.27.950
MOWER HOUSING
24.6
24.6486.15
Washer A5.3 DIN 9021-ST
079.
079.26.398
COVER PLATE
079.
079.77.407
LOCK PLATE
079.
079.77.855
Screw
079.
079.80.335
KORBOBERTEIL ROT RAL 3002
000.
000.02.483
Screw
079.
079.13.003
FAN
079.
079.80.336
KORBUNTERTEIL ROT RAL 3002
079.
079.80.337
KORBGRIFF
079.
079.80.896
E-TEIL-SET
000.
000.02.370
Screw
079.
079.26.374
HOOD:300
079.
079.26.596
ENGINE SUPPORT
000.
000.51.709
ERSATZTYPENSCHILD HE 48
000.
000.49.639
LABEL
000.
000.51.419
LABEL
000.
000.02.371
Screw
000.
000.51.573
KLEBESCHILD 1300W
22.3
22.3419.26
Screw
000.
000.02.495
SCREW
24.1
24.1421.18
Nut
24.8
24.8195.18
Spring washer
079.
079.77.906
BLADE HUBE
079.
079.77.386
MIT WERKZEUGN.2.2 02878.01
079.
079.11.405
KABELDURCHFUEHRUNG
079.
079.26.419
BFL:HEAT:6 STYLE SINGLE CYL
079.
079.25.260
RING
000.
000.34.288
SPACER
001.
001.10.129
Cable clamp
079.
079.13.629
ELECTRIC MOTOR 230V 1300W
Gestione della qualità
Aiutaci a migliorare il nostro sito. Informaci se trovi un errore.