Carrello
Il mio account

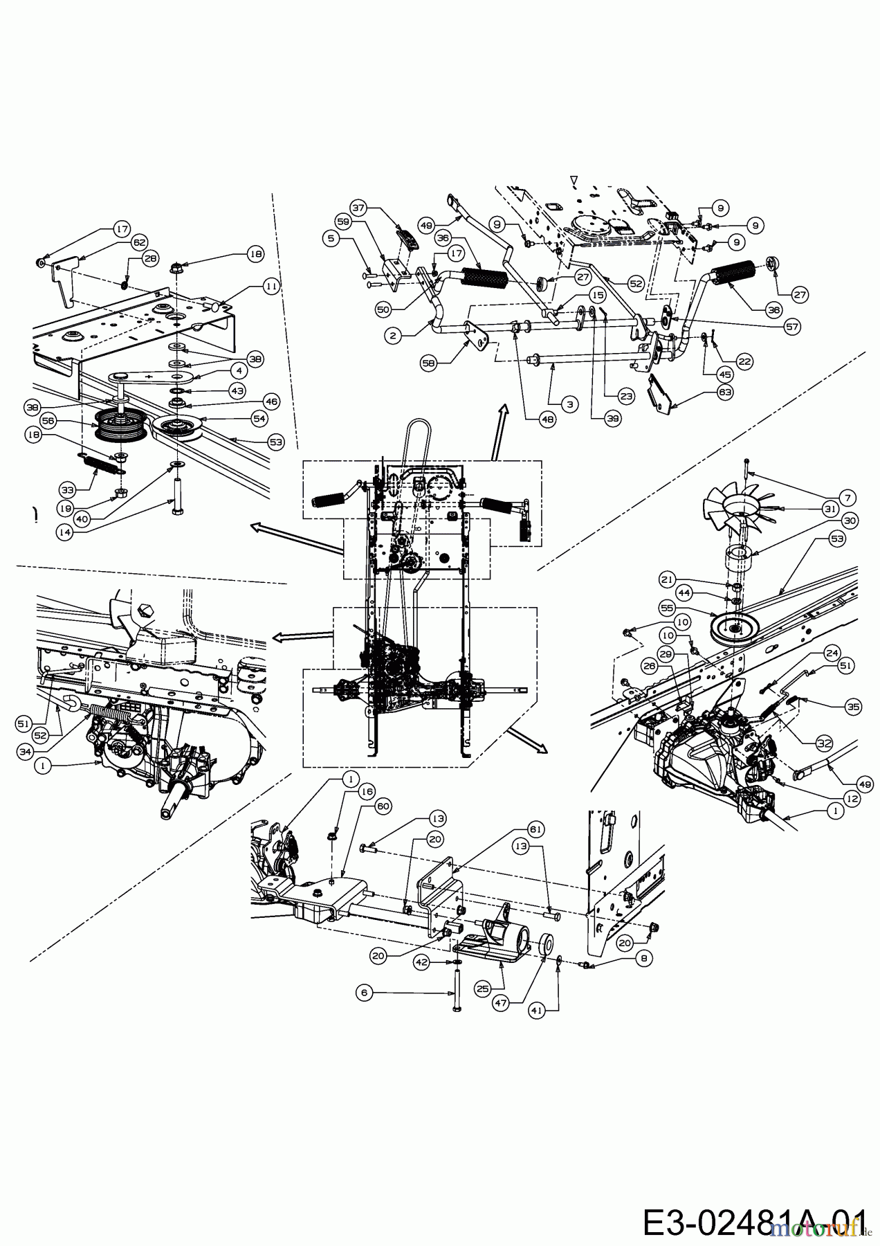
Colombia PX 180 KT 105 H 13HG71GN646 (2014) Drive system Ricambi

Drive system 13HG71GN646 (2014)

 Colombia Lawn tractors PX 180 KT 105 H 13HG71GN646  (2014) Drive system
PosizioneArticolo numeroDescrizione
1 618-04911TRANS:HYDRO:HG T2:700
2 647-04198ROD ASM:PED:HYDRO HG T2 700
3 647-04215ROD ASM
4 683-0604ABRKT ASM:IDLR:DBL
5 710-0111SCREW:CRG:1/4-20:1.25
6 710-0189HHCS:5/16-18:3.00:GR5:STD
7 710-05067SCR:C:#12-24:2.000:HXINDWSH
8 Colombia SCR:TT:1/4-20:0.500:HXINDWSH710-0599SCR:TT:1/4-20:0.500:HXINDWSH
9 Colombia SCREW:TT:5/16-18:0.625HXINDWSH710-0604ASCREW:TT:5/16-18:0.625HXINDWSH
10 Colombia SCREW:TT:5/16-18:.500:HXINDWSH710-0607SCREW:TT:5/16-18:.500:HXINDWSH
11 710-0932ASCR:CRG:1/4-20:1.000:GR5
12 Colombia SCR:B:#10-16:0.625:HXINDWSH:SP710-1003SCR:B:#10-16:0.625:HXINDWSH:SP
13 710-1682SCR:M8-1:25.00 LG:DIN 933
14 Colombia HHCS:3/8-16:2.00:GR5:STD710-3144HHCS:3/8-16:2.00:GR5:STD
15 Colombia FERRULE:1/2-20 x .500 DIA711-04036FERRULE:1/2-20 x .500 DIA
16 Colombia FLANGED NUT 5/16-18:GRF:NYLON712-04063FLANGED NUT 5/16-18:GRF:NYLON
17 Colombia NUT:FLGLK:1/4-20:GRF:NYLON712-04064NUT:FLGLK:1/4-20:GRF:NYLON
18 Colombia NUT:FLGLK:3/8-16:GRF:NYLON712-04065NUT:FLGLK:3/8-16:GRF:NYLON
19 Colombia NUT:FLGLK:3/8-16:GRF:TOP LK712-0431NUT:FLGLK:3/8-16:GRF:TOP LK
20 712-0714NUT:FLGLK:M8-1.25 DIN 6926
21 712-3066NUT:HEX:1/2-20 GR5
22 Colombia COTTER PIN 3/32 DIA X 1.00714-0111COTTER PIN 3/32 DIA X 1.00
23 Colombia PIN:COT:SPLIT:1/8 X 1.0714-0115PIN:COT:SPLIT:1/8 X 1.0
24 Colombia PIN-COTTER714-04040PIN-COTTER
25 719-0534SUPPORTING BRACKET
26 725-05050SW:SPR:SNGL MT
27 Colombia CAP:PUSH 5/8726-0214CAP:PUSH 5/8
28 726-0233NUT:PUSH:.25 ID X .50 OD
29 726-04089PLT:INSL:SW
30 731-07514SPCR:2 3/8 x 1 5/16:HYDRO:700
31 Colombia FAN:BLADE:10731-1449AFAN:BLADE:10
32 732-0209SPR:EXTN:.48 OD x 2.03
33 Colombia SPR:EXTN:.50 DIA X 3.97 LG732-0429ASPR:EXTN:.50 DIA X 3.97 LG
34 Colombia SPR:EXTN:.59 OD x 4.00 LG732-0716DSPR:EXTN:.59 OD x 4.00 LG
35 732-3118SPR:EXTN:.375 OD x 1.44 LG
36 Colombia PAD:FOOT:4.0 LONG735-0239PAD:FOOT:4.0 LONG
37 735-04113PAD:FOOT:REV
38 Colombia WASHER:FLAT:.385 x 1.0 x.135736-0258WASHER:FLAT:.385 x 1.0 x.135
39 Colombia WASHER:FL:.510 X 1.000 X .060736-0272WASHER:FL:.510 X 1.000 X .060
40 Colombia WASH:FLAT:.406 X .875 X.059736-0300WASH:FLAT:.406 X .875 X.059
41 Colombia WASH:FLAT:6.4 IDX18OD DIN 9021736-0685WASH:FLAT:6.4 IDX18OD DIN 9021
42 736-0700WASH:FLAT:8.4 x 16 x 1.60
43 Colombia WASH:FLAT:16x22x1 DIN 988736-0773WASH:FLAT:16x22x1 DIN 988
44 736-0921WASHER:LOCK:1/2:REGULAR DUTY
45 Colombia WASH:FLAT:.344 X.750 X.120736-3008WASH:FLAT:.344 X.750 X.120
46 Colombia FLANGE BUSHING 1.00X.38X.38738-0372BFLANGE BUSHING 1.00X.38X.38
47 Colombia BRG:BALL:19mm x 40mm OD x 12mm741-0998BRG:BALL:19mm x 40mm OD x 12mm
48 Colombia BRG:HEX FLG:.628 ID:SPLIT741-3065BBRG:HEX FLG:.628 ID:SPLIT
49 747-05253ROD:CONT:HYDRO HG T2 700
50 747-05265ROD:CNTRL:REV:HYDRO
51 747-05298ROD:CONT:BY-PASS:HYDRO:700
52 747-05313ROD:BRAKE:700:HYDRO T2
53 Colombia BELT:V TYP:1/2 x 84.10 LG POLY754-04258BELT:V TYP:1/2 x 84.10 LG POLY
54 Colombia PUL:IDLER:V TYPE 3.06 OD756-0236PUL:IDLER:V TYPE 3.06 OD
55 756-1052PUL:TRANS:4.50 DIA
56 Colombia FLAT:IDLR:.384x2.75x.875756-3054AFLAT:IDLR:.384x2.75x.875
57 783-04536BBRKT:PED:SUPPORT LT-5
58 783-05809BBRKT:MT:CNTRL
59 783-05867BRKT:MT:REV:PED:AUTOMATIC
60 783-06563BRKT:MT:RH:HYDRO:HG T2
61 783-06577BRKT:MT:RH:HYDRO:lHG T2 700
62 783-06582PLT:SPR:ANCHOR:HYDRO 700
63 783-08349
Rasen
Bankeinzug, MasterCard, Visa, American Express, PayPal, Nachnahme, Vorauskasse, Sofortüberweisung
Gestione della qualità
Aiutaci a migliorare il nostro sito. Informaci se trovi un errore.