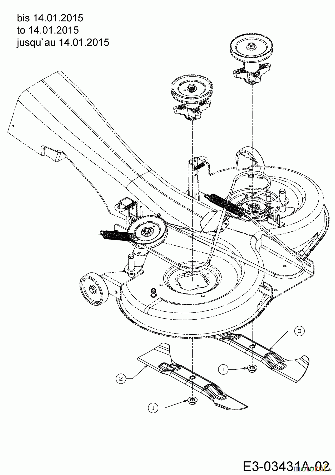
Gartenland GL 17.5/105 H 13HN99GN640 (2015) Blade to 14.01.2015 Ricambi
Blade to 14.01.2015 13HN99GN640 (2015)

| Posizione | Articolo numero | Descrizione | |
| 1 | ![]() | 712-0417A | NUT:FLG:5/8-18 |
| 2 | ![]() | 742-04080 | BLADE:RH:21.240 LG:STAR BAG |
| 3 | ![]() | 742-04081 | BLADE:LH:21.240 LG:STAR BAG |


Gestione della qualità
Aiutaci a migliorare il nostro sito. Informaci se trovi un errore.




