.it
Benvenuti
Contatti
Spedizione
L’azienda
Guest book
Condizioni e Privacy
Catalogare
Tagliare, profilare
Componenti per motore
Officine meccaniche
Parti e componentistica per macchine varie
Forestali
Articoli elettrici
Articoli invernali
Cinghie trapezoidali e relative pulegge
Filters
PEZZI DI RICAMBIO
Sprocket Rims
Guide Bars
Chainsaw Chains
Search by Part Number
Diagrammi ed elenchi
Servizio
Determine Chain
Ricerca
Il mio account
Registrati
Log in
Settings
DE
EN
FR
ES
IT
Desktop
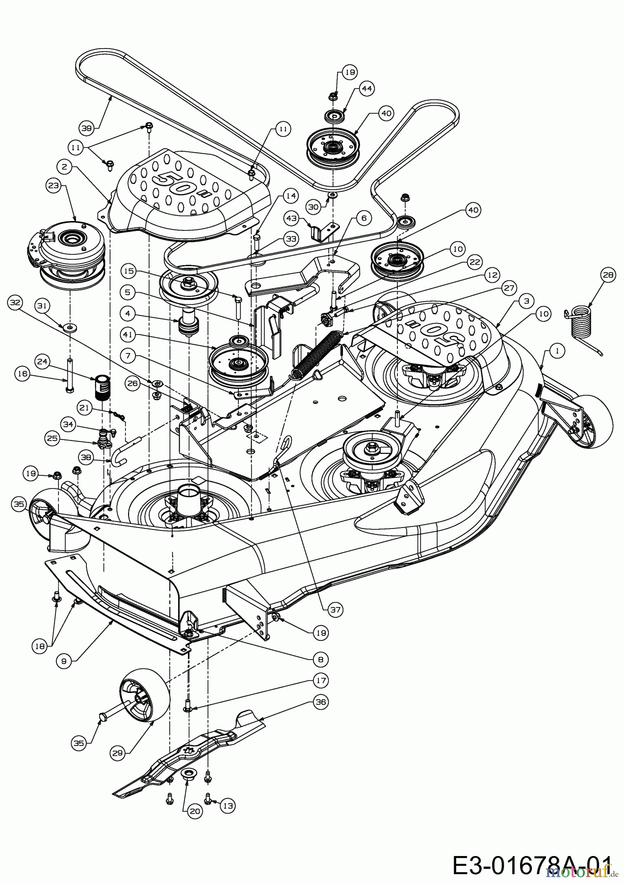
Troy-Bilt Mustang XP 50 17AFCACP011 (2013) Mowing deck P (50"/127cm) Ricambi
Start
Troy-Bilt
Zero Turn
Mustang XP 50
17AFCACP011 (2013)
Mowing deck P (50"/127cm)
Mowing deck P (50"/127cm) 17AFCACP011 (2013)
Posizione
Articolo numero
Descrizione
1
603-04926B
2
603-04947-CY
COVER ASM BELT RH
3
603-04948
4
618-04125B
SPDL ASM:PUL:5.39 DIA x.5625
5
683-05031-CY
BRACKET DECK LH
6
703-05825C
BRACKET IDLER ARM
7
703-08705
8
703-3279
STOP:CHUT:DFL GALVANIZED
9
703-3511B
10
710-0347
HHCS:3/8-16:1.75:GR5:STD
11
710-04484
SCREW:TT:5/16-18:.750:HXINDWSH
12
710-0573
SCREW-HEX
13
710-1260A
SCR:TT:5/16-18:0.750:HXINDWSH
14
710-3005
SCREW HHCS:3/8-16:1.25:GR5:STD
15
710-3144
HHCS:3/8-16:2.00:GR5:STD
16
710-3157A
HEX.SCREW HHCS:7/16-20:3.25GR5
17
710-3168
BOLT:CRG:3/8-16:1.00:GR5
18
710-3178
BOLT:CRG:3/8-16:0.75:SHRT NK
19
712-04065
NUT:FLGLK:3/8-16:GRF:NYLON
20
712-0417A
NUT:FLG:5/8-18
21
714-04040
PIN-COTTER
22
717-04074
GEAR:DECK:ADJUSTMENT
23
717-05122
CLU:ELEC:PTO 46/50
24
721-04041
ADAPER:WATER NOZZLE
25
731-07487
NOZ:DECK WSH
26
732-04652
SPR:COMP:.535 OD x 1.751 LG
27
732-04927
SPR:EXT:1.25 OD x 8.5 LG:RZTS
28
732-04947A
TORSION SPRING
29
734-04155
WHEEL:DECK
30
736-0262
WASK:FLAT:.385 x.870 x.092
31
736-0322
WASH:FLAT:.450 x1.250 x.164:HD
32
736-0407
WASHER
33
738-04162C
SPCR:SHLDR:.8840 x .190
34
738-04278
SCR:SHLDR:1/4-20:0.50:HXINDWSH
35
738-3056
BOLT:SHLDR:.496 x 2.50:3/8-16
36
742-04053C
BLADE:17.90 LG STAR 2 IN 1
37
747-05608
HOOK:ROD:SPRING:DECK
38
747-06082
PIN DECK RELEASE
39
754-05008
V-BELT 141" LG
40
756-04129C
PUL:IDLR:4.25"DIA:HD
41
756-04511A
PULLEY FLAT IDLER 5"
43
783-06368A
44
783-07236
CAP:PULLEY
Gestione della qualità
Aiutaci a migliorare il nostro sito. Informaci se trovi un errore.