.it
Carrello
vuoto
Il mio account
Registrati
Log in
Benvenuti
Contatti
Spedizione
L’azienda
Guest book
Condizioni e Privacy
Catalogare
Tagliare, profilare
Componenti per motore
Officine meccaniche
Parti e componentistica per macchine varie
Forestali
Articoli elettrici
Articoli invernali
Cinghie trapezoidali e relative pulegge
Filters
PEZZI DI RICAMBIO
Sprocket Rims
Guide Bars
Chainsaw Chains
Search by Part Number
Diagrammi ed elenchi
Servizio
Determine Chain
Ricerca
DE
EN
FR
ES
IT
Versione mobile
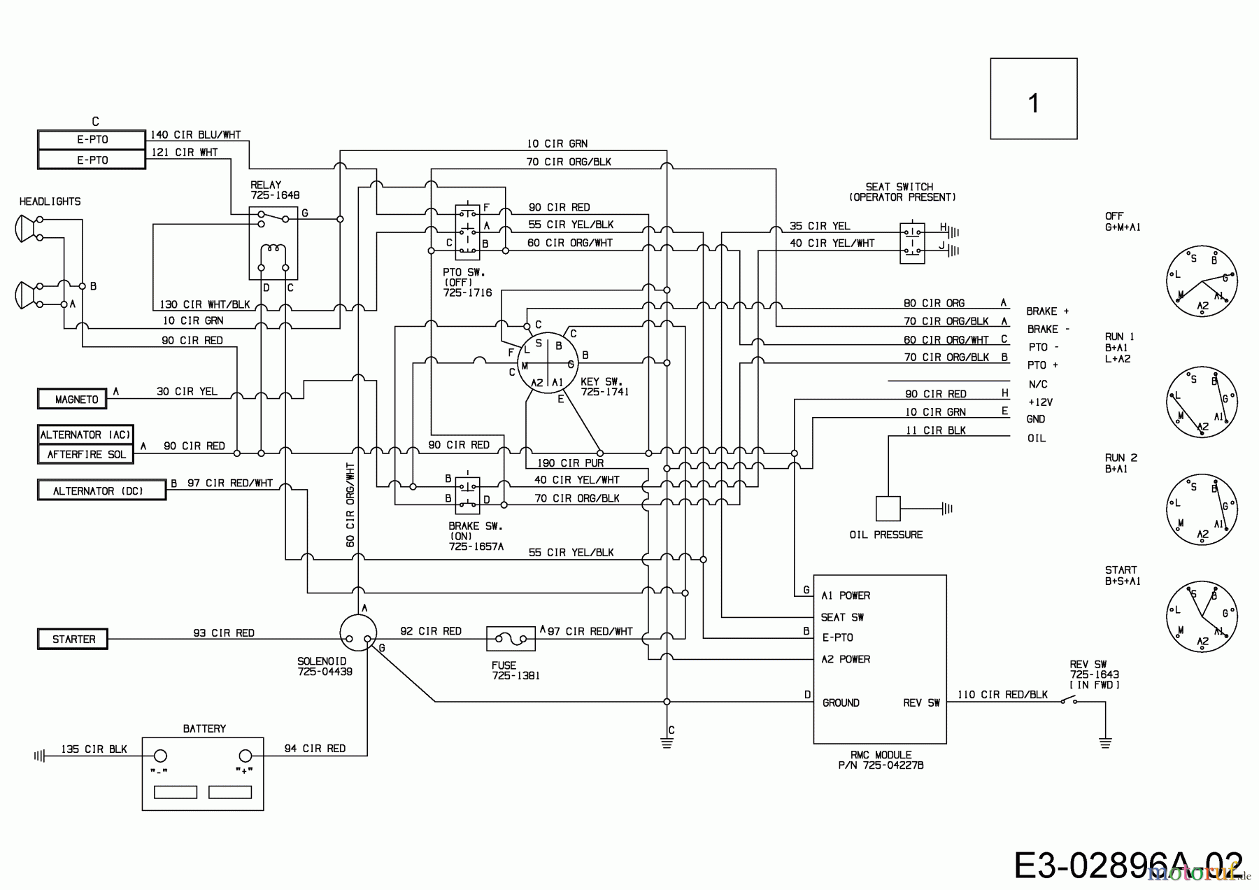
Troy-Bilt TB 4220 13AP90KS309 (2015) Wiring diagram Ricambi
Start
Troy-Bilt
Lawn tractors
TB 4220
13AP90KS309 (2015)
Wiring diagram
Wiring diagram 13AP90KS309 (2015)
Posizione
Articolo numero
Descrizione
1
725-05036
Gestione della qualità
Aiutaci a migliorare il nostro sito. Informaci se trovi un errore.