Verts Loisirs VLK2 25H127 GC 13AI92TP417 (2009) Wiring diagram Ricambi
Wiring diagram 13AI92TP417 (2009)

| Posizione | Articolo numero | Descrizione | |
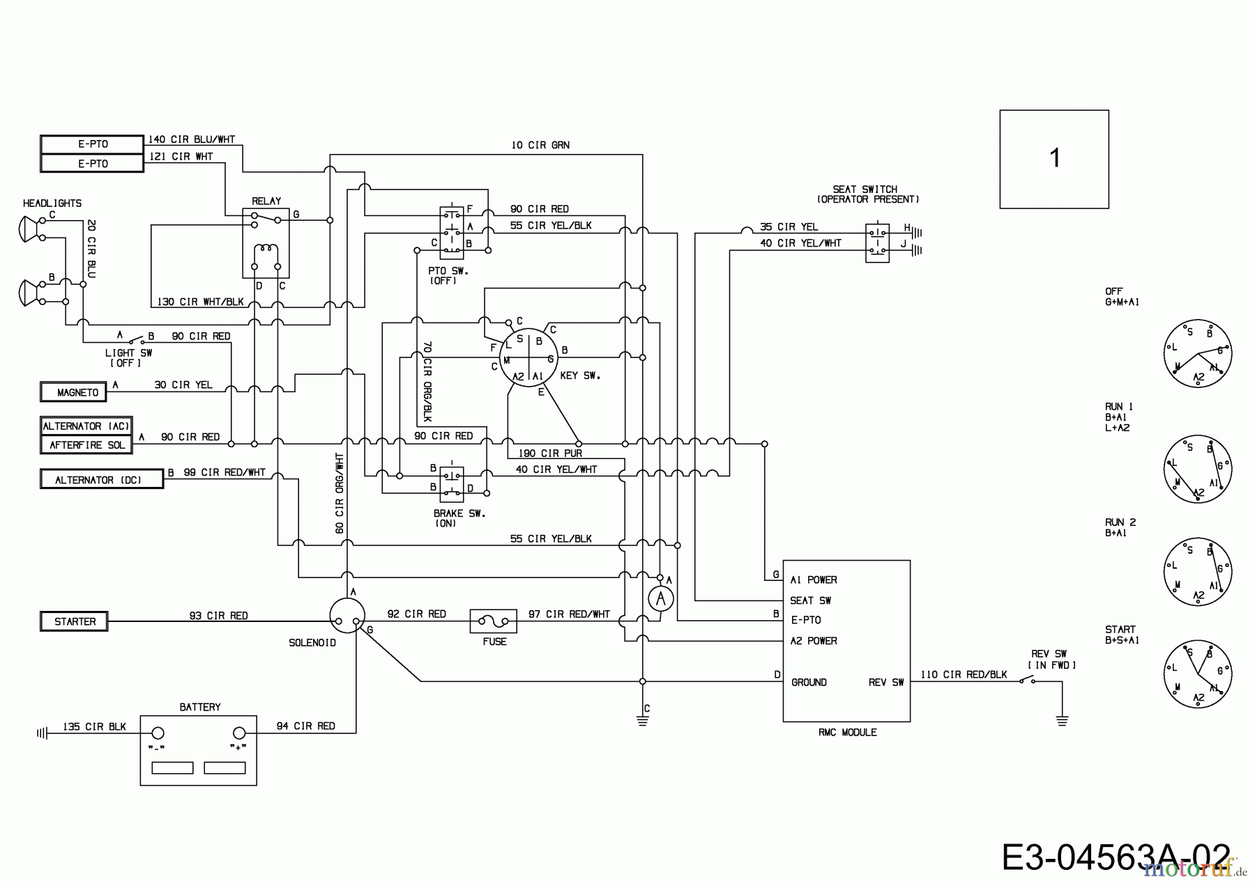
| 1 | 725-04822 | HARNESS-MAIN E-PTO/RMC/AMMTR | |


Gestione della qualità
Aiutaci a migliorare il nostro sito. Informaci se trovi un errore.

