.it
Carrello
vuoto
Il mio account
Registrati
Log in
Benvenuti
Contatti
Spedizione
L’azienda
Guest book
Condizioni e Privacy
Catalogare
Tagliare, profilare
Componenti per motore
Officine meccaniche
Parti e componentistica per macchine varie
Forestali
Articoli elettrici
Articoli invernali
Cinghie trapezoidali e relative pulegge
Filters
PEZZI DI RICAMBIO
Sprocket Rims
Guide Bars
Chainsaw Chains
Search by Part Number
Diagrammi ed elenchi
Servizio
Determine Chain
Ricerca
DE
EN
FR
ES
IT
Versione mobile
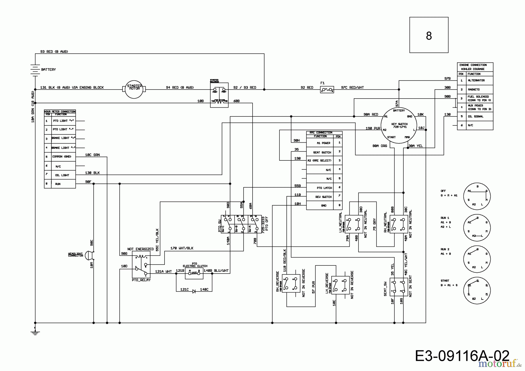
Cub Cadet Z-Force LZ 60 17BIDAGD010 (2015) Wiring diagram Ricambi
Start
Cub Cadet
Zero Turn
Z-Force LZ 60
17BIDAGD010 (2015)
Wiring diagram
Wiring diagram 17BIDAGD010 (2015)
Posizione
Articolo numero
Descrizione
8
725-06284
HARNESS MAIN
Gestione della qualità
Aiutaci a migliorare il nostro sito. Informaci se trovi un errore.