.it
Carrello
vuoto
Il mio account
Registrati
Log in
Benvenuti
Contatti
Spedizione
L’azienda
Guest book
Condizioni e Privacy
Catalogare
Tagliare, profilare
Componenti per motore
Officine meccaniche
Parti e componentistica per macchine varie
Forestali
Articoli elettrici
Articoli invernali
Cinghie trapezoidali e relative pulegge
Filters
PEZZI DI RICAMBIO
Sprocket Rims
Guide Bars
Chainsaw Chains
Search by Part Number
Diagrammi ed elenchi
Servizio
Determine Chain
Ricerca
DE
EN
FR
ES
IT
Versione mobile
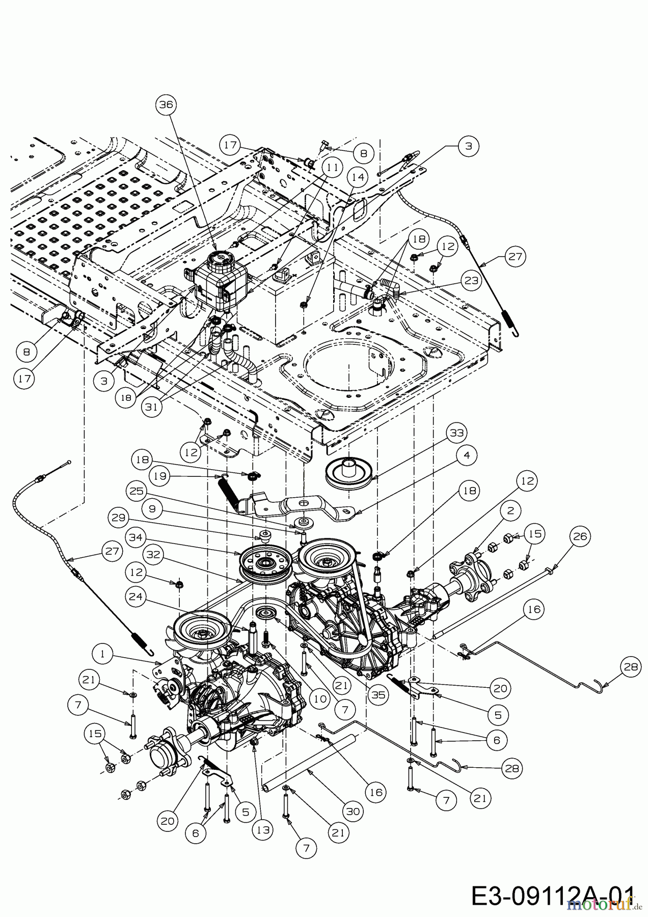
Cub Cadet Z-Force LZ 60 17BIDAGD010 (2015) Drive system Ricambi
Start
Cub Cadet
Zero Turn
Z-Force LZ 60
17BIDAGD010 (2015)
Drive system
Drive system 17BIDAGD010 (2015)
Posizione
Articolo numero
Descrizione
1
618-06020B
TRANSMISSION HYDRO RH
2
618-06021B
TRANSMISSION HYDRO LH
3
631-04286
TANK ASM: EXPANSION:FMZ
4
703-08605
BRACKET IDLER
5
703-09323
6
710-0176
HHCS:5/16-18:2.75:GR5:STD
7
710-0395
SCRE.HHCS:5/16-18:2.25:GR2:STD
8
710-04484
SCREW:TT:5/16-18:.750:HXINDWSH
9
710-0514
HHCS:3/8-16:1.00:GR5:STD
10
710-1315
SCR:TT:3/8-16:1.250:HXINDWSH:S
11
710-1652
SCR:TT:1/4-20 x.625:HXINDWH
12
712-04063
FLANGED NUT 5/16-18:GRF:NYLON
13
712-04065
NUT:FLGLK:3/8-16:GRF:NYLON
14
712-3020
NUT:JAMLK:3/8-16:GR5:NYLON
15
712-3050
NUT:LUG:7/16-14
16
714-04040
PIN-COTTER
17
726-0272
CLAMP 9/16 DIA (FUEL HOSE)
18
726-05015
COILED HOSE CLAMP
19
732-04229
SPR:EXT:.75 DIA x 6.02
20
732-04488
SPRING:EXT:.38 OD x 3.25 LG
21
736-0264
WASH:FLAT:.330 x.630x.0635
23
737-04342
FITTING
24
737-05023
FITTING
25
738-04162C
SPCR:SHLDR:.8840 x .190
26
738-04251A
LINK-SPEED CONTROL
27
746-05068
CABLE PARK BRAKE
28
747-05657A
ROD HYDRO BYPASS
29
748-05029A
SPCR:SHLDR:TOGGLE LOCK
30
750-06147A
SPACER
31
751-14485
LINE, FUEL
32
754-04317A
V-BELT DRIVE
33
756-04494
PULLEY
34
756-05042
PUL:IDLR:4.25"DIA:HD
35
783-08389
CAP:PULLEY:HD
36
HG-52375
CAP
Gestione della qualità
Aiutaci a migliorare il nostro sito. Informaci se trovi un errore.