.it
Carrello
vuoto
Il mio account
Registrati
Log in
Benvenuti
Contatti
Spedizione
L’azienda
Guest book
Condizioni e Privacy
Catalogare
Tagliare, profilare
Componenti per motore
Officine meccaniche
Parti e componentistica per macchine varie
Forestali
Articoli elettrici
Articoli invernali
Cinghie trapezoidali e relative pulegge
Filters
PEZZI DI RICAMBIO
Sprocket Rims
Guide Bars
Chainsaw Chains
Search by Part Number
Diagrammi ed elenchi
Servizio
Determine Chain
Ricerca
DE
EN
FR
ES
IT
Versione mobile
Cub Cadet Z-Force SZ 48 17AIDGHB603 (2015) Deck lift 1 Ricambi
Start
Cub Cadet
Zero Turn
Z-Force SZ 48
17AIDGHB603 (2015)
Deck lift 1
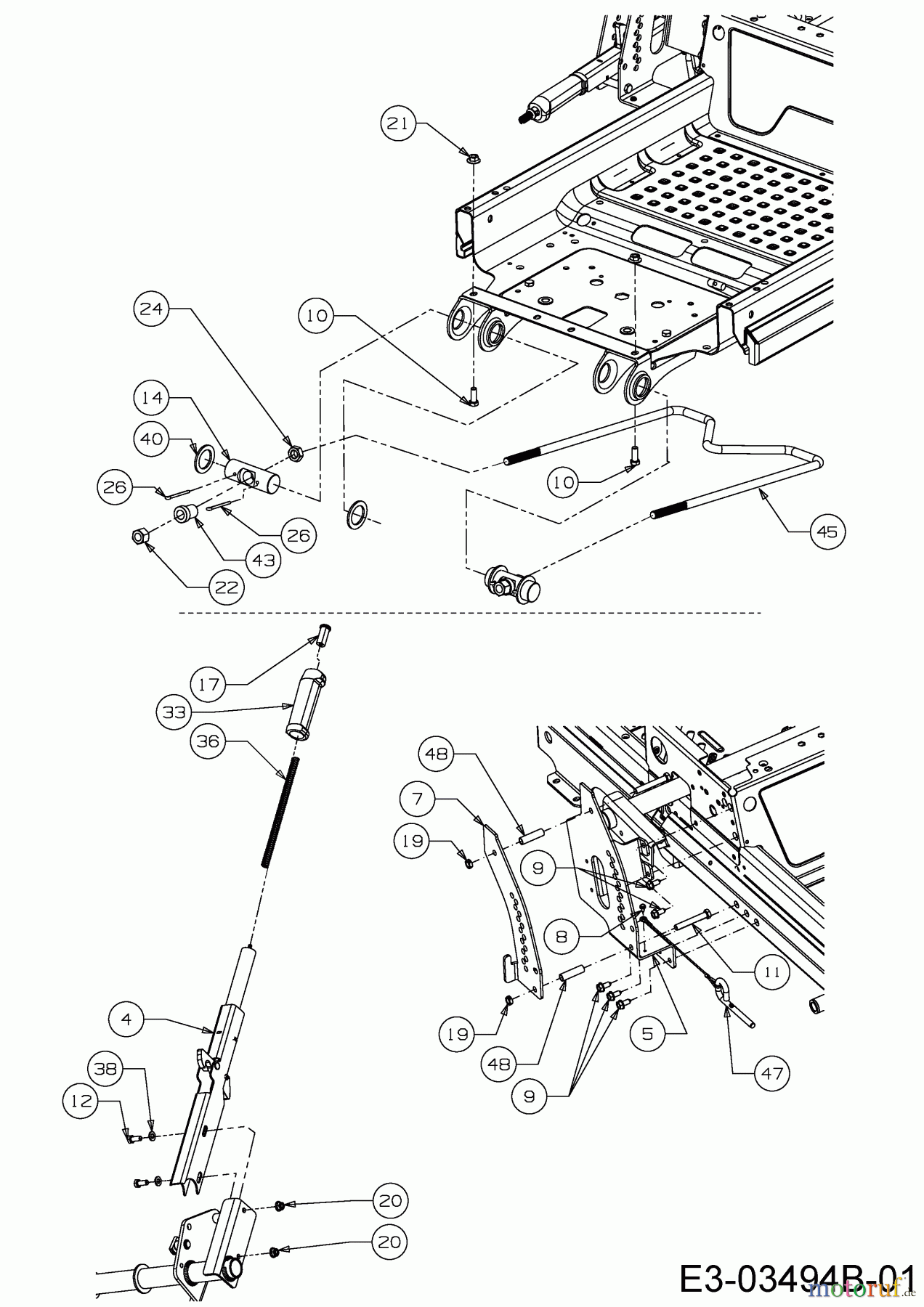
Deck lift 1 17AIDGHB603 (2015)
Posizione
Articolo numero
Descrizione
1
603-04973
2
603-05086A
3
603-05087A
4
603-05143A
HANDLE ASM LATCH
5
603-05208
6
647-05027
ROD ASM BRAKE W/SPRING
7
703-09936
8
710-0224
SCR:AB:#10-16:0.500:HXINDWSH
9
710-04484
SCREW:TT:5/16-18:.750:HXINDWSH
10
710-0514
HHCS:3/8-16:1.00:GR5:STD
11
710-0859
SCREW HHCS:3/8-16:2.50:GR5:STD
12
710-3008
SCREW HHCS:5/16-18:.75:GR5:STD
13
710-3279
SCREW,HEX CAP
14
711-06216A
BLOCK-PIVOT / TRUNNION
15
711-06284
FERRULE
16
711-0635
PLATE SPRING SHIFT
17
711-0642A
BUTTON-LIFT HANDLE
18
711-0832
FERRULE:3/8-24x.375 DIA:HT TRT
19
712-0266A
NUT:JAMLK:3/8-16:GR5
20
712-04063
FLANGED NUT 5/16-18:GRF:NYLON
21
712-04217
NUT FLANGE LOCK
22
712-05045A
NUT 5/8-11
23
712-05046
NUT:HEX:1/2-13:NYLOK HD
24
712-3015
Nut
25
712-3048
HEX JAM NUT 1/2-13 GR.5
26
714-0211
Roll pin
27
714-04040
PIN-COTTER
28
714-0470
PIN:COT:1/8 x 1.25
29
714-05005
SPRING COTTER PIN
30
731-09683
BRACKET DECK LIFT RH
31
731-09687
SPACER SHAFT
32
731-09707
BRACKET DECK LIFT LH
33
731-3158
GRIP:HNDL:DECK LIFT
34
732-04587
SPR:EXTN:.63 DIA x 4.95 LG
35
732-05096
SPRING-BRAKE TENSION
36
732-3097
COMP SPRING:.4ID x 8.52 LG
37
736-0262
WASK:FLAT:.385 x.870 x.092
38
736-0264
WASH:FLAT:.330 x.630x.0635
39
736-0314
WASH:THRST:.375x.700x.030
40
736-05070
FLAT WASHER
41
738-04278
SCR:SHLDR:1/4-20:0.50:HXINDWSH
42
741-05059
Bearing flange
43
741-05075A
Bearing flange
44
747-05592B
Rod
45
747-05725A
ROD DECK HANGER
46
747-06259A
LINK LIFT ADJUSTMENT
47
747-06355
ROD CUT HEIGHT
48
750-06031
SPACER-PULLEY
Gestione della qualità
Aiutaci a migliorare il nostro sito. Informaci se trovi un errore.