.it
Benvenuti
Contatti
Spedizione
L’azienda
Guest book
Condizioni e Privacy
Catalogare
Tagliare, profilare
Componenti per motore
Officine meccaniche
Parti e componentistica per macchine varie
Forestali
Articoli elettrici
Articoli invernali
Cinghie trapezoidali e relative pulegge
Filters
PEZZI DI RICAMBIO
Sprocket Rims
Guide Bars
Chainsaw Chains
Search by Part Number
Diagrammi ed elenchi
Servizio
Determine Chain
Ricerca
Il mio account
Registrati
Log in
Settings
DE
EN
FR
ES
IT
Desktop
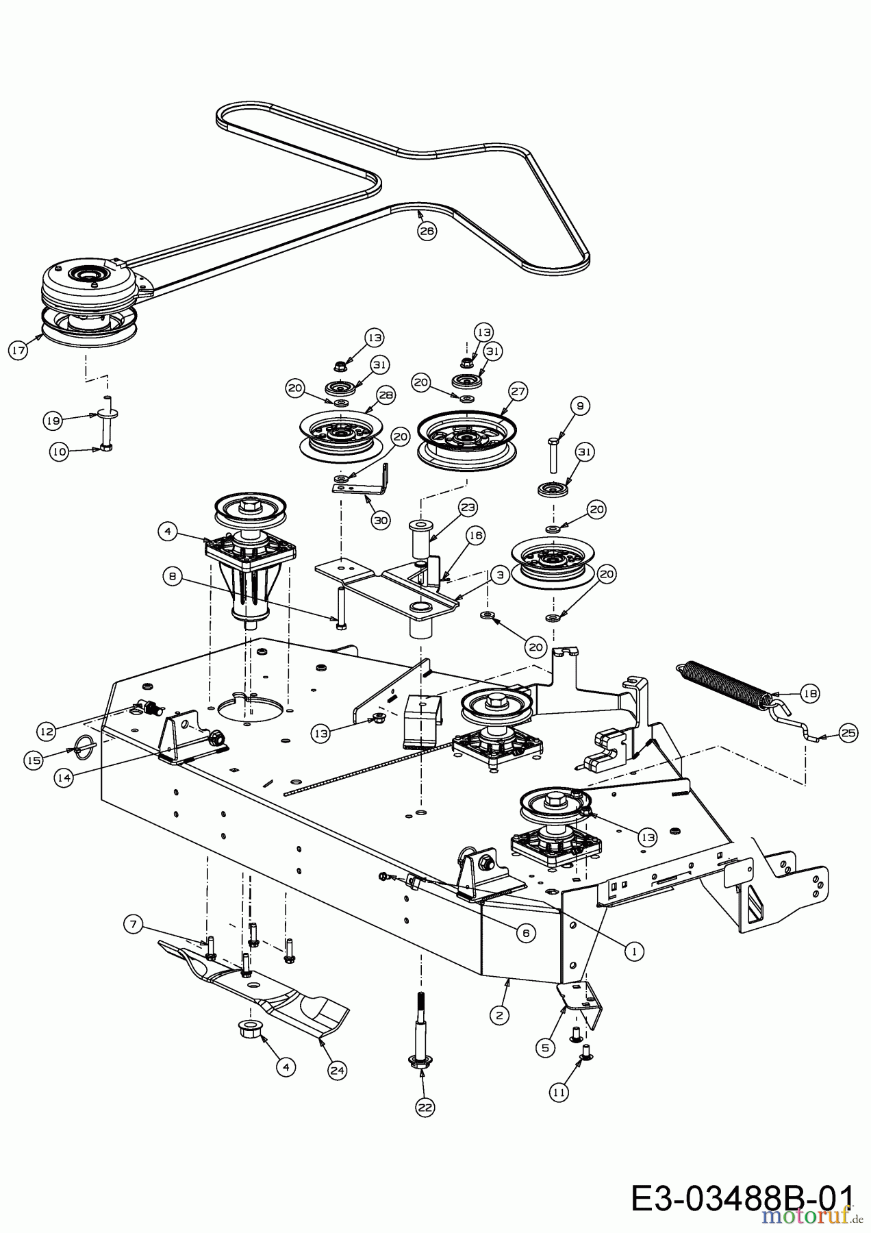
Cub Cadet Z-Force SZ 48 17AIDGHB603 (2015) Mowing deck B (48"/122cm) Ricambi
Start
Cub Cadet
Zero Turn
Z-Force SZ 48
17AIDGHB603 (2015)
Mowing deck B (48"/122cm)
Mowing deck B (48"/122cm) 17AIDGHB603 (2015)
Posizione
Articolo numero
Descrizione
1
16606
BRKT:HOOK:RETAINER
2
603-05097
SHELL 48" DECK
3
603-05102A
BRACKET ASSY-IDLER
4
618-06994
SPDL ASM:PUL:5.695 DIA X .5625
5
703-09435
6
710-0599
SCR:TT:1/4-20:0.500:HXINDWSH
7
710-0817
SCR:TT:5/16-18:1.250:HXINDWSH
8
710-0859
SCREW HHCS:3/8-16:2.50:GR5:STD
9
710-3144
HHCS:3/8-16:2.00:GR5:STD
10
710-3157A
HEX.SCREW HHCS:7/16-20:3.25GR5
11
710-3178
BOLT:CRG:3/8-16:0.75:SHRT NK
12
711-06200
PIN DECK
13
712-04065
NUT:FLGLK:3/8-16:GRF:NYLON
14
712-04150
NUT FLGLK 1/2-13 NYLON
15
714-0220A
PIN:LYNCH:.1875
16
714-0507
PIN:COT:3/32 X .750
17
717-05188
CLUTCH ASSY.
18
732-04927
SPR:EXT:1.25 OD x 8.5 LG:RZTS
19
736-0322
WASH:FLAT:.450 x1.250 x.164:HD
20
736-3004
WASH:FLAT:.406 x.875 x.105
22
738-05049A
SHOULDER BOLT
23
741-05056
BUSHING
24
742-04417
BLADE
25
747-05608
HOOK:ROD:SPRING:DECK
26
754-05012
V-Belt
27
756-05053
PULLEY-IDLER-FLAT
28
756-05062
PULLEY-IDLER-FLAT
30
783-08027
31
783-08389
CAP:PULLEY:HD
Gestione della qualità
Aiutaci a migliorare il nostro sito. Informaci se trovi un errore.