.it
Carrello
vuoto
Il mio account
Registrati
Log in
Benvenuti
Contatti
Spedizione
L’azienda
Guest book
Condizioni e Privacy
Catalogare
Tagliare, profilare
Componenti per motore
Officine meccaniche
Parti e componentistica per macchine varie
Forestali
Articoli elettrici
Articoli invernali
Cinghie trapezoidali e relative pulegge
Filters
PEZZI DI RICAMBIO
Sprocket Rims
Guide Bars
Chainsaw Chains
Search by Part Number
Diagrammi ed elenchi
Servizio
Determine Chain
Ricerca
DE
EN
FR
ES
IT
Versione mobile
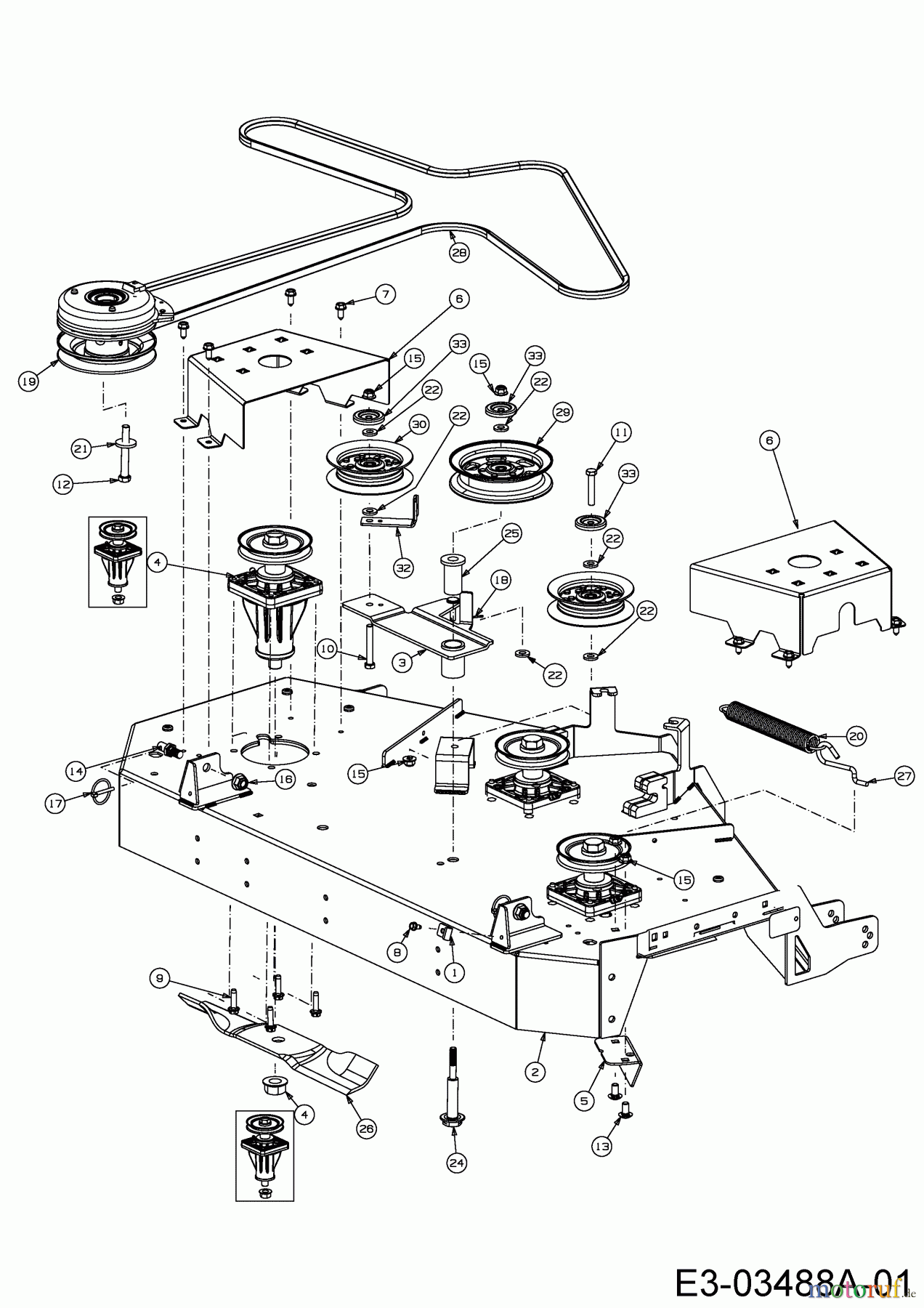
Cub Cadet Z-Force SZ 48 17AIDGHB603 (2014) Mowing deck B (48"/122cm) Ricambi
Start
Cub Cadet
Zero Turn
Z-Force SZ 48
17AIDGHB603 (2014)
Mowing deck B (48"/122cm)
Mowing deck B (48"/122cm) 17AIDGHB603 (2014)
Posizione
Articolo numero
Descrizione
1
16606
BRKT:HOOK:RETAINER
2
603-05097
SHELL 48" DECK
3
603-05102A
BRACKET ASSY-IDLER
4
618-06994
SPDL ASM:PUL:5.695 DIA X .5625
5
703-09435
6
703-09492
7
710-04484
SCREW:TT:5/16-18:.750:HXINDWSH
8
710-0599
SCR:TT:1/4-20:0.500:HXINDWSH
9
710-0817
SCR:TT:5/16-18:1.250:HXINDWSH
10
710-0859
SCREW HHCS:3/8-16:2.50:GR5:STD
11
710-3144
HHCS:3/8-16:2.00:GR5:STD
12
710-3157A
HEX.SCREW HHCS:7/16-20:3.25GR5
13
710-3178
BOLT:CRG:3/8-16:0.75:SHRT NK
14
711-06200
PIN DECK
15
712-04065
NUT:FLGLK:3/8-16:GRF:NYLON
16
712-04150
NUT FLGLK 1/2-13 NYLON
17
714-0220A
PIN:LYNCH:.1875
18
714-0507
PIN:COT:3/32 X .750
19
717-05188
CLUTCH ASSY.
20
732-04927
SPR:EXT:1.25 OD x 8.5 LG:RZTS
21
736-0322
WASH:FLAT:.450 x1.250 x.164:HD
22
736-3004
WASH:FLAT:.406 x.875 x.105
24
738-05049A
SHOULDER BOLT
25
741-05056
BUSHING
26
742-04417
BLADE
27
747-05608
HOOK:ROD:SPRING:DECK
28
754-05012
V-Belt
29
756-05053
PULLEY-IDLER-FLAT
30
756-05062
PULLEY-IDLER-FLAT
32
783-08027
33
783-08389
CAP:PULLEY:HD
Gestione della qualità
Aiutaci a migliorare il nostro sito. Informaci se trovi un errore.