Il mio account
Settings Desktop

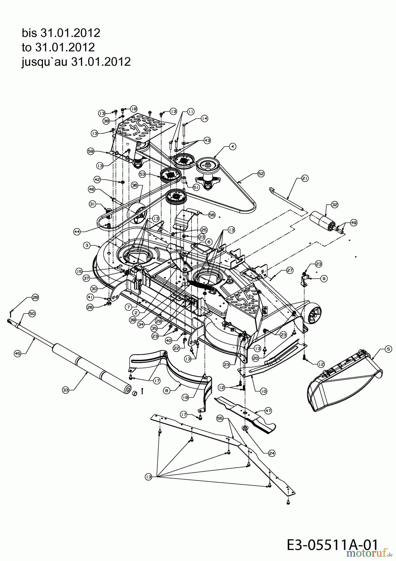
Cub Cadet RZT 54 17AI2ACK603 (2012) Mowing deck K (54"/137cm) to 31.01.2012 Ricambi

Mowing deck K (54"/137cm) to 31.01.2012 17AI2ACK603 (2012)

 Cub Cadet Zero Turn RZT 54 17AI2ACK603  (2012) Mowing deck K (54
PosizioneArticolo numeroDescrizione
1 16606BRKT:HOOK:RETAINER
2 603-04386ACYBRKT ASM:BELT GUARD:400:E-DECK
3 603-04603ACYDECK ASSY.
4 Cub Cadet SPDL ASM:PUL:5.39 DIA618-04608ASPDL ASM:PUL:5.39 DIA
5 631-04092BCHUT ASM:48/50/54" DECK EXPORT
6 638-04012ASCREW
7 683-0254BBRKT:ASM:DECK:HNGR LH LT
8 703-2093BAFFLE REAR INNER
9 703-3279STOP:CHUT:DFL GALVANIZED
10 703-3511AGUARD:FINGER:54-DECK:EXPORT
11 Cub Cadet HHCS:3/8-16:1.75:GR5:STD710-0347HHCS:3/8-16:1.75:GR5:STD
12 Cub Cadet HHCS:3/8-16.1.00:GR5:SPEC710-04095HHCS:3/8-16.1.00:GR5:SPEC
13 Cub Cadet SCREW:TT:5/16-18:.750:HXINDWSH710-04484SCREW:TT:5/16-18:.750:HXINDWSH
14 710-0521SCREW HHCS:3/8-16:3.00:GR8:STD
15 Cub Cadet HHCS:5/16-18:1.25:GR5:STD710-0528HHCS:5/16-18:1.25:GR5:STD
16 Cub Cadet SCR:TT:1/4-20:0.500:HXINDWSH710-0599SCR:TT:1/4-20:0.500:HXINDWSH
17 Cub Cadet SCR:TT:3/8-16:.750 HXINDWSH710-0623SCR:TT:3/8-16:.750 HXINDWSH
18 Cub Cadet SCR:TT:5/16-18:0.875:HXINDWSH710-0650SCR:TT:5/16-18:0.875:HXINDWSH
19 710-3168BOLT:CRG:3/8-16:1.00:GR5
20 Cub Cadet BOLT:CRG:3/8-16:0.75:SHRT NK710-3178BOLT:CRG:3/8-16:0.75:SHRT NK
21 711-1737PIN FOR ROLLER
22 Cub Cadet NUT-HEXLK 7/16-14:GRA:CTRLK712-0290NUT-HEXLK 7/16-14:GRA:CTRLK
23 Cub Cadet NUT:FLGLK:3/8-16:GRF:NYLON712-04065NUT:FLGLK:3/8-16:GRF:NYLON
24 Cub Cadet NUT:FLG:5/8-18712-0417ANUT:FLG:5/8-18
25 Cub Cadet NUT:FLGLK:3/8-16:GRF:TOP LK712-0431NUT:FLGLK:3/8-16:GRF:TOP LK
26 Cub Cadet NUT:HEX:M16-1.5 DIN 936712-0641NUT:HEX:M16-1.5 DIN 936
27 Cub Cadet COTTER PIN 3/32 DIA X 1.00714-0111COTTER PIN 3/32 DIA X 1.00
28 Cub Cadet PIN-COTTER:5/32:1.25714-0162PIN-COTTER:5/32:1.25
29 Cub Cadet PIN:COT:1/8 x 1.25714-0470PIN:COT:1/8 x 1.25
30 Cub Cadet GEAR:DECK:ADJUSTMENT717-04074GEAR:DECK:ADJUSTMENT
31 721-04041ADAPER:WATER NOZZLE
32 731-05679RLR:FRT
33 731-05825ROLLER DECK
34 732-04609Spring
35 Cub Cadet SPR:COMP:.535 OD x 1.751 LG732-04652SPR:COMP:.535 OD x 1.751 LG
36 Cub Cadet WHEEL:DECK734-04155WHEEL:DECK
37 Cub Cadet WASHER:LOCK:5/16:SPLT:REG736-0119WASHER:LOCK:5/16:SPLT:REG
38 736-0275WASH:FLAT:.344 x .688 x.065
39 736-0406WASH:F:.442 IDX 1.38 ODX.060HT
40 736-0407WASHER
41 Cub Cadet WASH:LOCK:SCHNORR 17X23.8X1.95736-0760WASH:LOCK:SCHNORR 17X23.8X1.95
42 Cub Cadet WASH:FL:.407x.812x.135:HD736-3010WASH:FL:.407x.812x.135:HD
43 Cub Cadet WASH:FLAT:.38 x.93 x.110:HT736-3072WASH:FLAT:.38 x.93 x.110:HT
44 Cub Cadet NOZ:DECK:WATER737-04003DNOZ:DECK:WATER
45 738-04260SHF:.75 DIA x 26.893 LG
46 Cub Cadet BOLT:SHLDR:.496 x 2.50:3/8-16738-3056BOLT:SHLDR:.496 x 2.50:3/8-16
47 Cub Cadet BLADE 18,50" LG742-0677BBLADE 18,50" LG
48 Cub Cadet ROD:HNDL:DECK REL .375 DIA747-1116ROD:HNDL:DECK REL .375 DIA
49 750-0151SPCR:.550IDx.750ODx1.125
50 750-0212SPCR:.82 ID x 1.00 OD x.53
51 750-04597SPCR: .380 x .900 x 1.313
52 Cub Cadet BELT:V TYPE:B SEC X 134754-04138ABELT:V TYPE:B SEC X 134
53 Cub Cadet PULLEY IDLER756-04129BPULLEY IDLER
54 771-11725ATAG:DNGR:RT-99 CHUTE BLNGL
55 783-04690B-SSKIRT DECK 54"
56 783-04726637BRKT:SUPT:IDLR:FIXED 92 CM
58 783-1470ACVR:SPDL RH
59 783-1471COVER SPINDLE LEFT
Rasen
Bankeinzug, MasterCard, Visa, American Express, PayPal, Nachnahme, Vorauskasse, Sofortüberweisung
Gestione della qualità
Aiutaci a migliorare il nostro sito. Informaci se trovi un errore.