.it
Benvenuti
Contatti
Spedizione
L’azienda
Guest book
Condizioni e Privacy
Catalogare
Tagliare, profilare
Componenti per motore
Officine meccaniche
Parti e componentistica per macchine varie
Forestali
Articoli elettrici
Articoli invernali
Cinghie trapezoidali e relative pulegge
Filters
PEZZI DI RICAMBIO
Sprocket Rims
Guide Bars
Chainsaw Chains
Search by Part Number
Diagrammi ed elenchi
Servizio
Determine Chain
Ricerca
Il mio account
Registrati
Log in
Settings
DE
EN
FR
ES
IT
Desktop
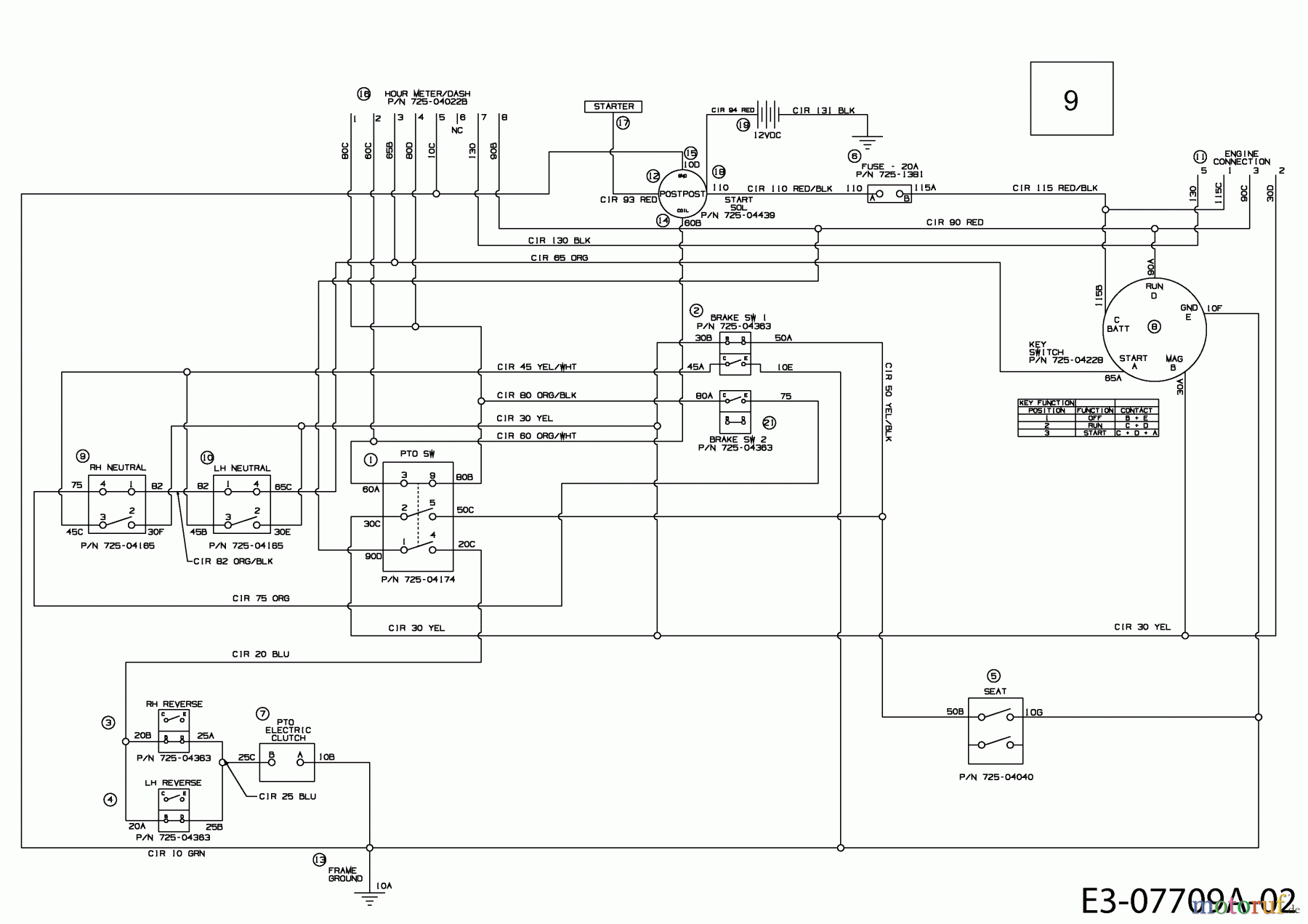
Cub Cadet RZT 50 17YF2ACP010 (2015) Wiring diagram Ricambi
Start
Cub Cadet
Zero Turn
RZT 50
17YF2ACP010 (2015)
Wiring diagram
Wiring diagram 17YF2ACP010 (2015)
Posizione
Articolo numero
Descrizione
9
725-04847C
HARNESS MAIN
Gestione della qualità
Aiutaci a migliorare il nostro sito. Informaci se trovi un errore.