.it
Benvenuti
Contatti
Spedizione
L’azienda
Guest book
Condizioni e Privacy
Catalogare
Tagliare, profilare
Componenti per motore
Officine meccaniche
Parti e componentistica per macchine varie
Forestali
Articoli elettrici
Articoli invernali
Cinghie trapezoidali e relative pulegge
Filters
PEZZI DI RICAMBIO
Sprocket Rims
Guide Bars
Chainsaw Chains
Search by Part Number
Diagrammi ed elenchi
Servizio
Determine Chain
Ricerca
Il mio account
Registrati
Log in
Settings
DE
EN
FR
ES
IT
Desktop
Cub Cadet RZT 50 17YF2ACP010 (2015) Mowing deck P (50"/127cm) Ricambi
Start
Cub Cadet
Zero Turn
RZT 50
17YF2ACP010 (2015)
Mowing deck P (50"/127cm)
Mowing deck P (50"/127cm) 17YF2ACP010 (2015)
Posizione
Articolo numero
Descrizione
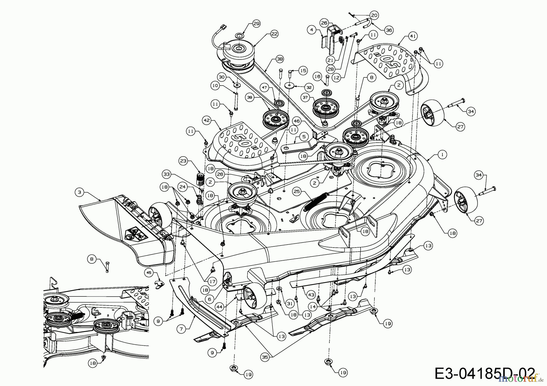
1
603-04328C
2
618-04125B
SPDL ASM:PUL:5.39 DIA x.5625
3
631-04070A
CHUTE ASSY.
4
683-0254
BRACKET-DECK ADJUSTMENT
5
703-05825C
BRACKET IDLER ARM
6
703-3279
STOP:CHUT:DFL GALVANIZED
7
703-3511B
8
710-0347
HHCS:3/8-16:1.75:GR5:STD
9
710-04095
HHCS:3/8-16.1.00:GR5:SPEC
10
710-04379A
SCR.HHCS:7/16-20:3.50:GR5:LOCK
11
710-04484
SCREW:TT:5/16-18:.750:HXINDWSH
12
710-0528
HHCS:5/16-18:1.25:GR5:STD
13
710-0599
SCR:TT:1/4-20:0.500:HXINDWSH
14
710-1260A
SCR:TT:5/16-18:0.750:HXINDWSH
15
710-3005
SCREW HHCS:3/8-16:1.25:GR5:STD
16
710-3144
HHCS:3/8-16:2.00:GR5:STD
17
710-3178
BOLT:CRG:3/8-16:0.75:SHRT NK
18
712-04065
NUT:FLGLK:3/8-16:GRF:NYLON
19
712-0417A
NUT:FLG:5/8-18
20
714-0470
PIN:COT:1/8 x 1.25
21
717-04074
GEAR:DECK:ADJUSTMENT
22
717-04552
CLU:ELEC:PTO 46/50
23
721-04041
ADAPER:WATER NOZZLE
24
731-07487
NOZ:DECK WSH
25
732-04609
Spring
26
732-04652
SPR:COMP:.535 OD x 1.751 LG
27
734-04155
WHEEL:DECK
28
736-0119
WASHER:LOCK:5/16:SPLT:REG
29
736-0277
WASH:FLAT:1.031 x 1.620 x.095
30
736-0322
WASH:FLAT:.450 x1.250 x.164:HD
31
736-0407
WASHER
32
738-04162C
SPCR:SHLDR:.8840 x .190
33
738-04278
SCR:SHLDR:1/4-20:0.50:HXINDWSH
34
738-3056
BOLT:SHLDR:.496 x 2.50:3/8-16
35
742-04053C
BLADE:17.90 LG STAR 2 IN 1
36
747-1116
ROD:HNDL:DECK REL .375 DIA
37
748-05029A
SPCR:SHLDR:TOGGLE LOCK
38
754-04044A
BELT-SPINDLE A SEC X 134
39
756-05042
PUL:IDLR:4.25"DIA:HD
41
783-04399
CVR:BELT:LH 50" LT
42
783-04400
CVR:BELT:RH 50" LT
43
783-04414
44
783-04415
SKIRT:RH:50"
45
783-06241
BRKT:STOP:CHUTE:50"/54"
46
783-06368A
47
783-08389
CAP:PULLEY:HD
Gestione della qualità
Aiutaci a migliorare il nostro sito. Informaci se trovi un errore.