.it
Carrello
vuoto
Il mio account
Registrati
Log in
Benvenuti
Contatti
Spedizione
L’azienda
Guest book
Condizioni e Privacy
Catalogare
Tagliare, profilare
Componenti per motore
Officine meccaniche
Parti e componentistica per macchine varie
Forestali
Articoli elettrici
Articoli invernali
Cinghie trapezoidali e relative pulegge
Filters
PEZZI DI RICAMBIO
Sprocket Rims
Guide Bars
Chainsaw Chains
Search by Part Number
Diagrammi ed elenchi
Servizio
Determine Chain
Ricerca
DE
EN
FR
ES
IT
Versione mobile
Cub Cadet Volunteer 37AK466D603 (2013) Electric parts Ricambi
Start
Cub Cadet
Utility Vehicle
Volunteer
37AK466D603 (2013)
Electric parts
Electric parts 37AK466D603 (2013)
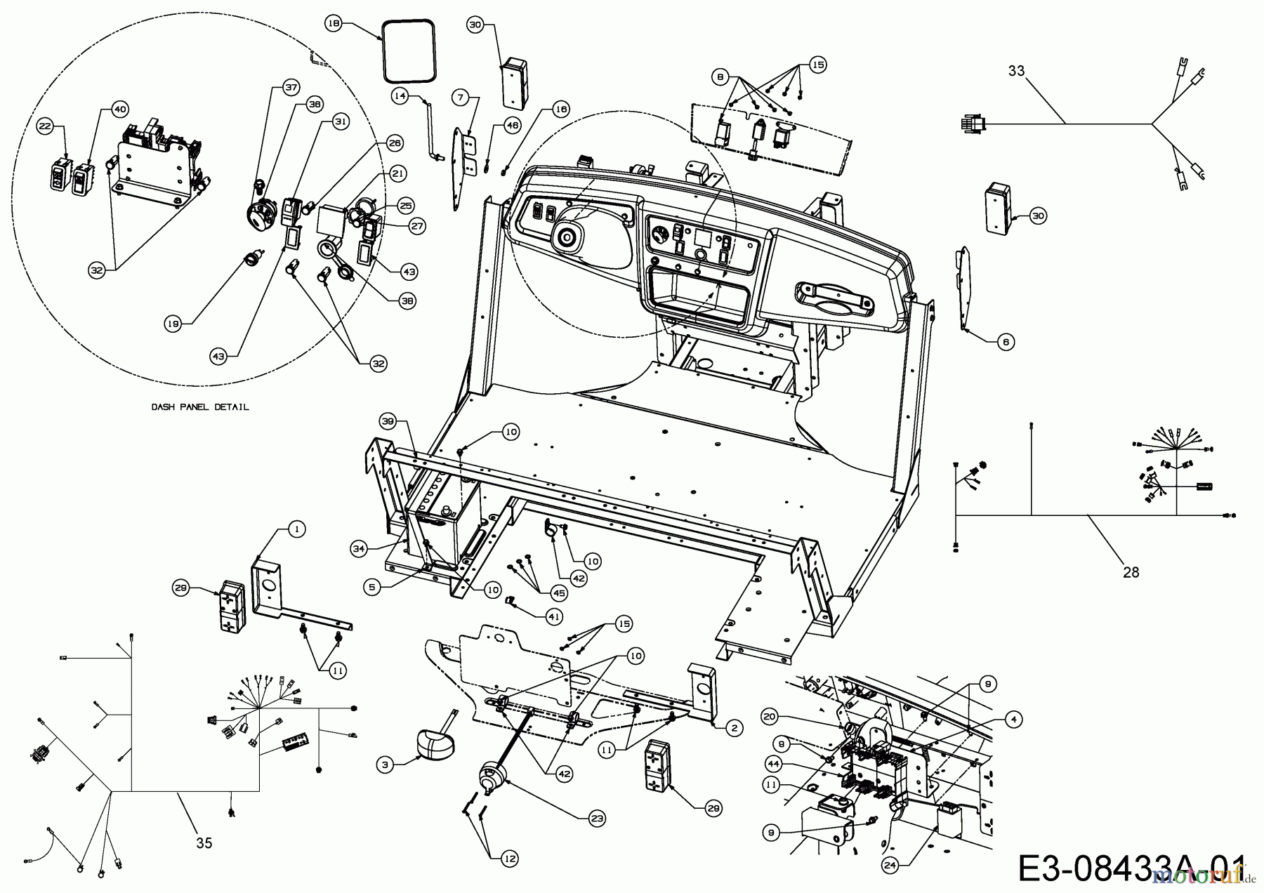
Posizione
Articolo numero
Descrizione
1
607-04269637
BRACKET
2
607-04270
3
625-04052
LIGHT ASM-LICENSE PLT
4
707-04811
BRACKET MOUNT: FUSE
5
707-04870B
6
707-05001A
7
707-05002A
8
710-0473A
SCR:MACH:#10-24:0.500:TRUSPHI
9
710-0599
SCR:TT:1/4-20:0.500:HXINDWSH
10
710-0607
SCREW:TT:5/16-18:.500:HXINDWSH
11
710-0623
SCR:TT:3/8-16:.750 HXINDWSH
12
710-1625
Screw
14
711-04183
ROD:MNT:MIR
15
712-0102A
LOCK NUT 10-24
16
712-0116
NUT:JAMLK:3/8-24:GR2:NYLON
17
712-04063
FLANGED NUT 5/16-18:GRF:NYLON
18
720-04029
MIRROR-SIDE:CE
19
725-04014
SWITCH-HORN
20
725-04015A
HORN-12V
21
725-04022B
METER:IND:HOUR SVC MNDR:NO LBL
22
725-04031
725-04031
23
725-04160
PLUG:TRAILER CONN:7 PIN
24
725-04211
FLASHER-TURN/HAZARD
25
725-04285
LIGHT-RED/REVERSE
26
725-04288
LIGHT-INDICATOR YELLOW LED
27
725-04352
SW:4X4:ROCKER UV
28
725-04440A
HARNESS UV 4X4
29
725-04486
LGT:RR:TAILLIGHT
30
725-04487
LAMP:UV:TURN:CE
31
725-04529
MASTER LIGHT SWITCH
32
725-04530
LAMP-IND:GREEN INCANDESCENT
33
725-04625
HARNESS WIRE
34
725-04514
BATTERY 12 V
35
725-05203
36
725-1741
SW:KEY:4 POS DELTA
37
725-1745A
KEY:SW:UNIVERSAL:BLACK
38
725-2003
RECEPTICAL-POWER 12V
39
725-3166
SW:MT:SNAP NC
40
725-3279B
SWITCH HAZARD LAMP
41
726-0272
CLAMP 9/16 DIA (FUEL HOSE)
42
726-0475
CLAMP:1.0 DIA
43
731-04010
COVER
44
731-05490
RELAY HOLDER: 3 WAY
45
736-0607
WASH:LOCK:5/16 EXT
46
736-3072
WASH:FLAT:.38 x.93 x.110:HT
Gestione della qualità
Aiutaci a migliorare il nostro sito. Informaci se trovi un errore.