Il mio account
Settings Desktop

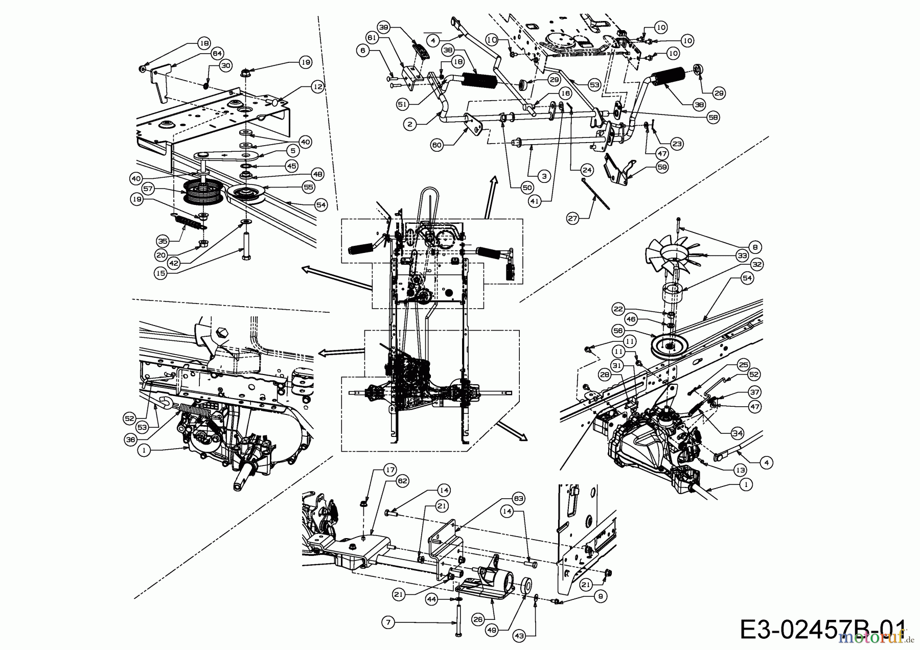
Cub Cadet CC 714 HE 13H271DE603 (2015) Drive system Ricambi

Drive system 13H271DE603 (2015)

 Cub Cadet Lawn tractors CC 714 HE 13H271DE603  (2015) Drive system
PosizioneArticolo numeroDescrizione
1 618-04911TRANS:HYDRO:HG T2:700
2 647-04198ROD ASM:PED:HYDRO HG T2 700
3 647-04215ROD ASM
4 647-05061
5 683-0604ABRKT ASM:IDLR:DBL
6 710-0111SCREW:CRG:1/4-20:1.25
7 710-0189HHCS:5/16-18:3.00:GR5:STD
8 710-05067SCR:C:#12-24:2.000:HXINDWSH
9 Cub Cadet SCR:TT:1/4-20:0.500:HXINDWSH710-0599SCR:TT:1/4-20:0.500:HXINDWSH
10 Cub Cadet SCREW:TT:5/16-18:0.625HXINDWSH710-0604ASCREW:TT:5/16-18:0.625HXINDWSH
11 Cub Cadet SCREW:TT:5/16-18:.500:HXINDWSH710-0607SCREW:TT:5/16-18:.500:HXINDWSH
12 710-0932ASCR:CRG:1/4-20:1.000:GR5
13 Cub Cadet SCR:B:#10-16:0.625:HXINDWSH:SP710-1003SCR:B:#10-16:0.625:HXINDWSH:SP
14 710-1682SCR:M8-1:25.00 LG:DIN 933
15 Cub Cadet HHCS:3/8-16:2.00:GR5:STD710-3144HHCS:3/8-16:2.00:GR5:STD
16 Cub Cadet FERRULE:1/2-20 x .500 DIA711-04036FERRULE:1/2-20 x .500 DIA
17 Cub Cadet FLANGED NUT 5/16-18:GRF:NYLON712-04063FLANGED NUT 5/16-18:GRF:NYLON
18 Cub Cadet NUT:FLGLK:1/4-20:GRF:NYLON712-04064NUT:FLGLK:1/4-20:GRF:NYLON
19 Cub Cadet NUT:FLGLK:3/8-16:GRF:NYLON712-04065NUT:FLGLK:3/8-16:GRF:NYLON
20 Cub Cadet NUT:FLGLK:3/8-16:GRF:TOP LK712-0431NUT:FLGLK:3/8-16:GRF:TOP LK
21 712-0714NUT:FLGLK:M8-1.25 DIN 6926
22 712-3066NUT:HEX:1/2-20 GR5
23 Cub Cadet COTTER PIN 3/32 DIA X 1.00714-0111COTTER PIN 3/32 DIA X 1.00
24 Cub Cadet PIN:COT:SPLIT:1/8 X 1.0714-0115PIN:COT:SPLIT:1/8 X 1.0
25 Cub Cadet PIN-COTTER714-04040PIN-COTTER
26 719-0534SUPPORTING BRACKET
27 725-0157CBL:TIE: 3/16 X .05 X 7.4
28 725-05050SW:SPR:SNGL MT
29 Cub Cadet CAP:PUSH 5/8726-0214CAP:PUSH 5/8
30 726-0233NUT:PUSH:.25 ID X .50 OD
31 726-04089PLT:INSL:SW
32 731-07514SPCR:2 3/8 x 1 5/16:HYDRO:700
33 Cub Cadet FAN:BLADE:10731-1449AFAN:BLADE:10
34 732-0209SPR:EXTN:.48 OD x 2.03
35 Cub Cadet SPR:EXTN:.50 DIA X 3.97 LG732-0429ASPR:EXTN:.50 DIA X 3.97 LG
36 Cub Cadet SPR:EXTN:.59 OD x 4.00 LG732-0716DSPR:EXTN:.59 OD x 4.00 LG
37 732-3118SPR:EXTN:.375 OD x 1.44 LG
38 Cub Cadet PAD:FOOT:4.0 LONG735-0239PAD:FOOT:4.0 LONG
39 735-04113PAD:FOOT:REV
40 Cub Cadet WASHER:FLAT:.385 x 1.0 x.135736-0258WASHER:FLAT:.385 x 1.0 x.135
41 Cub Cadet WASHER:FL:.510 X 1.000 X .060736-0272WASHER:FL:.510 X 1.000 X .060
42 Cub Cadet WASH:FLAT:.406 X .875 X.059736-0300WASH:FLAT:.406 X .875 X.059
43 Cub Cadet WASH:FLAT:6.4 IDX18OD DIN 9021736-0685WASH:FLAT:6.4 IDX18OD DIN 9021
44 736-0700WASH:FLAT:8.4 x 16 x 1.60
45 Cub Cadet WASH:FLAT:16x22x1 DIN 988736-0773WASH:FLAT:16x22x1 DIN 988
46 736-0921WASHER:LOCK:1/2:REGULAR DUTY
47 Cub Cadet WASH:FLAT:.344 X.750 X.120736-3008WASH:FLAT:.344 X.750 X.120
48 Cub Cadet FLANGE BUSHING 1.00X.38X.38738-0372BFLANGE BUSHING 1.00X.38X.38
49 Cub Cadet BRG:BALL:19mm x 40mm OD x 12mm741-0998BRG:BALL:19mm x 40mm OD x 12mm
50 Cub Cadet BRG:HEX FLG:.628 ID:SPLIT741-3065BBRG:HEX FLG:.628 ID:SPLIT
51 747-05265ROD:CNTRL:REV:HYDRO
52 747-05298ROD:CONT:BY-PASS:HYDRO:700
53 747-05313ROD:BRAKE:700:HYDRO T2
54 Cub Cadet BELT:V TYP:1/2 x 84.10 LG POLY754-04258BELT:V TYP:1/2 x 84.10 LG POLY
55 Cub Cadet PUL:IDLER:V TYPE 3.06 OD756-0236PUL:IDLER:V TYPE 3.06 OD
56 756-1052PUL:TRANS:4.50 DIA
57 Cub Cadet FLAT:IDLR:.384x2.75x.875756-3054AFLAT:IDLR:.384x2.75x.875
58 783-04536BBRKT:PED:SUPPORT LT-5
59 783-04862C
60 783-05809BBRKT:MT:CNTRL
61 783-05867BRKT:MT:REV:PED:AUTOMATIC
62 783-06563BRKT:MT:RH:HYDRO:HG T2
63 783-06577BRKT:MT:RH:HYDRO:lHG T2 700
64 783-06582PLT:SPR:ANCHOR:HYDRO 700
Rasen
Bankeinzug, MasterCard, Visa, American Express, PayPal, Nachnahme, Vorauskasse, Sofortüberweisung
Gestione della qualità
Aiutaci a migliorare il nostro sito. Informaci se trovi un errore.