Cub Cadet LTX 1050 13BQ93AP330 (2015) Wiring diagram Ricambi
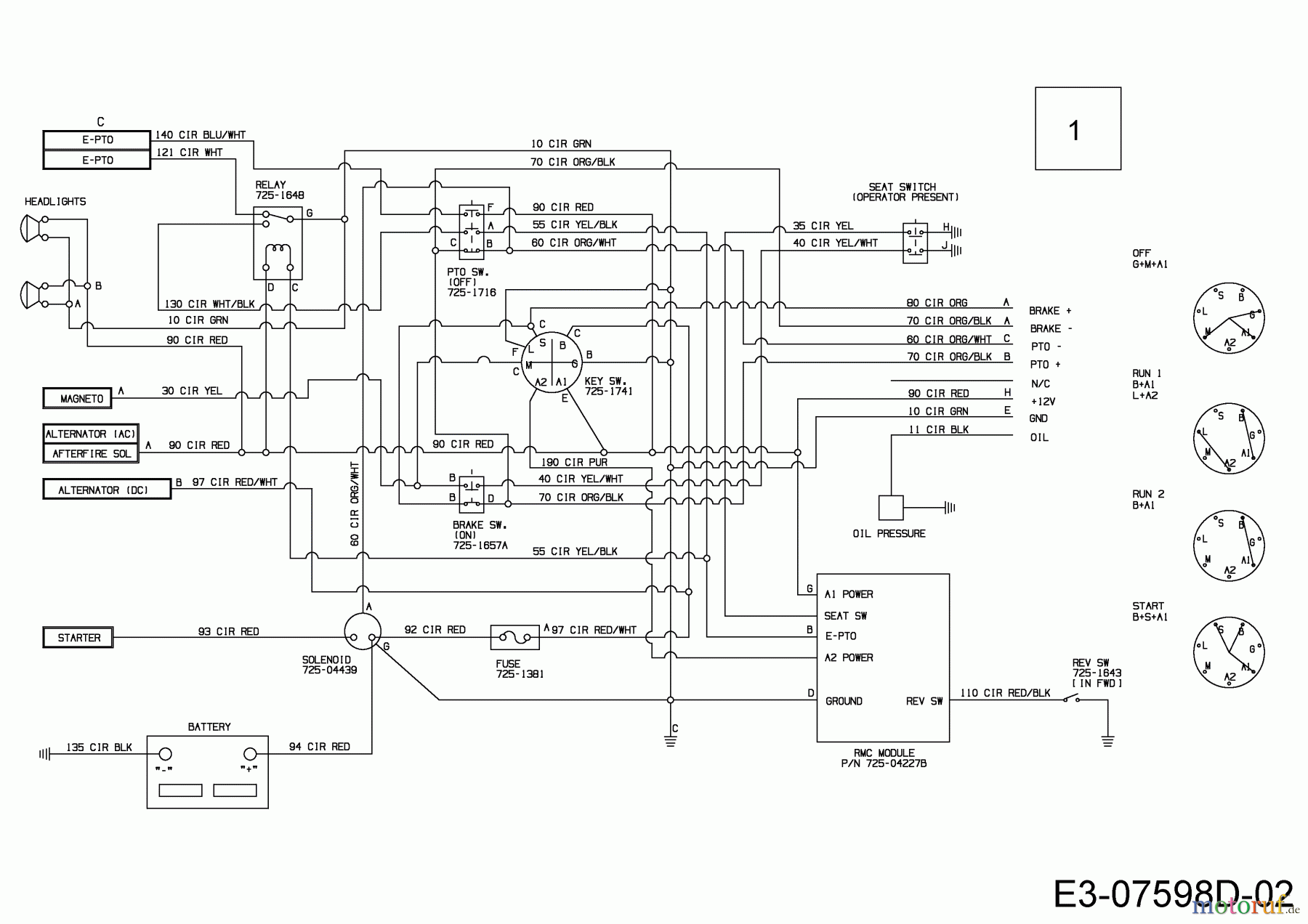
Wiring diagram 13BQ93AP330 (2015)

| Posizione | Articolo numero | Descrizione | |
| 1 | 625-04093 | HARN:CUB100:EPTO:RMC:HRMTR:KH | |


Gestione della qualità
Aiutaci a migliorare il nostro sito. Informaci se trovi un errore.

