Carrello
Il mio account

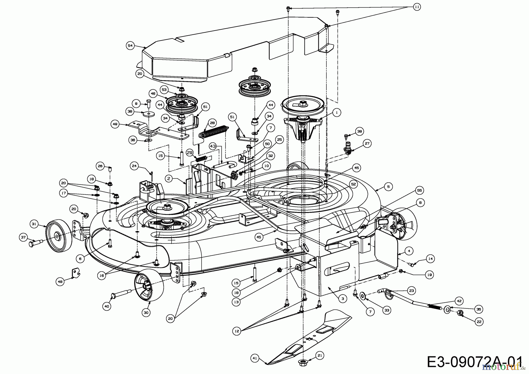
Cub Cadet CC 1022 KHT 13HP93AT603 (2015) Mowing deck T (46"/117cm) Ricambi

Mowing deck T (46"/117cm) 13HP93AT603 (2015)

 Cub Cadet Lawn tractors CC 1022 KHT 13HP93AT603  (2015) Mowing deck T (46
PosizioneArticolo numeroDescrizione
1 Cub Cadet SPDL ASM:PUL:6.482 DIA GRS618-04865ASPDL ASM:PUL:6.482 DIA GRS
2 683-0254BBRKT:ASM:DECK:HNGR LH LT
3 683-05180
4 683-05181
5 683-05188SHELL 46" DECK CUB YELLOW
6 Cub Cadet HHCS:5/16-18:1.00:GR5:STD710-0376HHCS:5/16-18:1.00:GR5:STD
7 Cub Cadet SCREW:TT:5/16-18:.750:HXINDWSH710-04484SCREW:TT:5/16-18:.750:HXINDWSH
8 710-05045ASCR:TT:5/16-18:.750:HXINDWSH
9 Cub Cadet HHCS:3/8-16:1.00:GR5:STD710-0514HHCS:3/8-16:1.00:GR5:STD
10 Cub Cadet HHCS:5/16-18:1.25:GR5:STD710-0528HHCS:5/16-18:1.25:GR5:STD
11 Cub Cadet SCR:TT:1/4-20:0.500:HXINDWSH710-0599SCR:TT:1/4-20:0.500:HXINDWSH
12 Cub Cadet SCR:TT:5/16-18:0.750:HXINDWSH710-1260ASCR:TT:5/16-18:0.750:HXINDWSH
13 Cub Cadet SCREW HHCS:5/16-18:.75:GR5:STD710-3008SCREW HHCS:5/16-18:.75:GR5:STD
14 Cub Cadet HHCS:1/4-20:.75:GR5:STD710-3015HHCS:1/4-20:.75:GR5:STD
15 Cub Cadet HHCS:3/8-16:2.00:GR5:STD710-3144HHCS:3/8-16:2.00:GR5:STD
16 Cub Cadet BOLT:CRG:3/8-16:0.75:SHRT NK710-3178BOLT:CRG:3/8-16:0.75:SHRT NK
17 Cub Cadet NUT:PUSH:3/8712-0229NUT:PUSH:3/8
18 Cub Cadet FLANGED NUT 5/16-18:GRF:NYLON712-04063FLANGED NUT 5/16-18:GRF:NYLON
19 Cub Cadet NUT:FLGLK:1/4-20:GRF:NYLON712-04064NUT:FLGLK:1/4-20:GRF:NYLON
20 Cub Cadet NUT:FLGLK:3/8-16:GRF:NYLON712-04065NUT:FLGLK:3/8-16:GRF:NYLON
21 Cub Cadet NUT:FLG:5/8-18712-0417ANUT:FLG:5/8-18
22 Cub Cadet NUT:HEX:1/2-13:NYLOK HD712-05046NUT:HEX:1/2-13:NYLOK HD
23 714-0220APIN:LYNCH:.1875
24 Cub Cadet PIN:COT:1/8 x 1.25714-0470PIN:COT:1/8 x 1.25
25 Cub Cadet GEAR:DECK:ADJUSTMENT717-04074GEAR:DECK:ADJUSTMENT
26 720-05010CAP:VINYL: .290 x .500
27 731-07487NOZ:DECK WSH
28 Cub Cadet SPR:EXTN:.94 DIA. x 6.74 LG732-0459CSPR:EXTN:.94 DIA. x 6.74 LG
29 Cub Cadet SPR:COMP:.535 OD x 1.751 LG732-04652SPR:COMP:.535 OD x 1.751 LG
30 Cub Cadet WHEEL:DECK734-04155WHEEL:DECK
31 734-0973WHEEL:DECK 5.0 X 1.38
32 Cub Cadet WASHER:LOCK:5/16:SPLT:REG736-0119WASHER:LOCK:5/16:SPLT:REG
33 736-0179WASH:FLAT:.531x1.1250x.100
34 Cub Cadet WASK:FLAT:.385 x.870 x.092736-0262WASK:FLAT:.385 x.870 x.092
35 736-0317WASH:BLVL:.630x1.250x.180
36 736-0344WASHER:FLAT:.385x1.000x.030
37 Cub Cadet SCR:SHLDR:.496 x 1.525: 3/8-16738-0373SCR:SHLDR:.496 x 1.525: 3/8-16
38 Cub Cadet SPCR:SHLDR:.8840 x .190738-04162CSPCR:SHLDR:.8840 x .190
39 Cub Cadet SCR:SHLDR:1/4-20:0.50:HXINDWSH738-04278SCR:SHLDR:1/4-20:0.50:HXINDWSH
40 Cub Cadet BOLT:SHLDR:.496 x 2.50:3/8-16738-3056BOLT:SHLDR:.496 x 2.50:3/8-16
41 Cub Cadet BLADE:CUT:23.25" 2 IN 1:CUB742-04244ABLADE:CUT:23.25" 2 IN 1:CUB
42 747-04944BROD:LIFT:DECK:SMALL
43 Cub Cadet ROD:HNDL:DECK REL .375 DIA747-1116ROD:HNDL:DECK REL .375 DIA
44 Cub Cadet SPCR:SHLDR:TOGGLE LOCK748-05029ASPCR:SHLDR:TOGGLE LOCK
45 754-04219BELT:V TYP A SEC X 103.24 LG
46 Cub Cadet PUL:IDLR:4.25"DIA:HD756-05042PUL:IDLR:4.25"DIA:HD
48 783-05219BRKT:STOP:CHUTE 50"/54"
49 783-05946BRKT:IDLR:PIV:46
50 783-06243
51 783-06368A
52 783-06643
53 Cub Cadet CAP:PULLEY:HD783-08389CAP:PULLEY:HD
54 783-08719
55 783-08740
Rasen
Bankeinzug, MasterCard, Visa, American Express, PayPal, Nachnahme, Vorauskasse, Sofortüberweisung
Gestione della qualità
Aiutaci a migliorare il nostro sito. Informaci se trovi un errore.