Cub Cadet CC 714 TF 13D277DF603 (2014) Wiring diagram Ricambi
Wiring diagram 13D277DF603 (2014)

| Posizione | Articolo numero | Descrizione | |
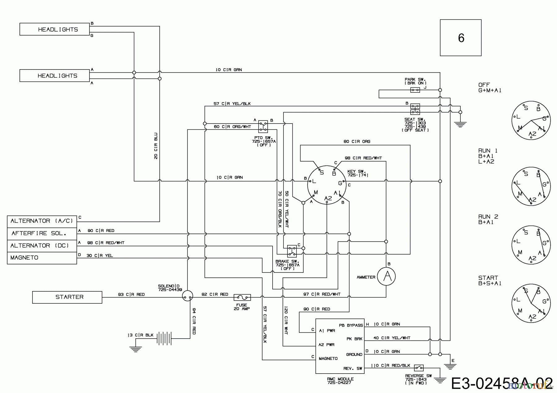
| 6 | 725-04432G | HARNESS:LT-5:4RMC:HL:ACDC | |


Gestione della qualità
Aiutaci a migliorare il nostro sito. Informaci se trovi un errore.

