Cub Cadet CC 714 TA 13B277DA603 (2014) Wiring diagram Ricambi
Wiring diagram 13B277DA603 (2014)

| Posizione | Articolo numero | Descrizione | |
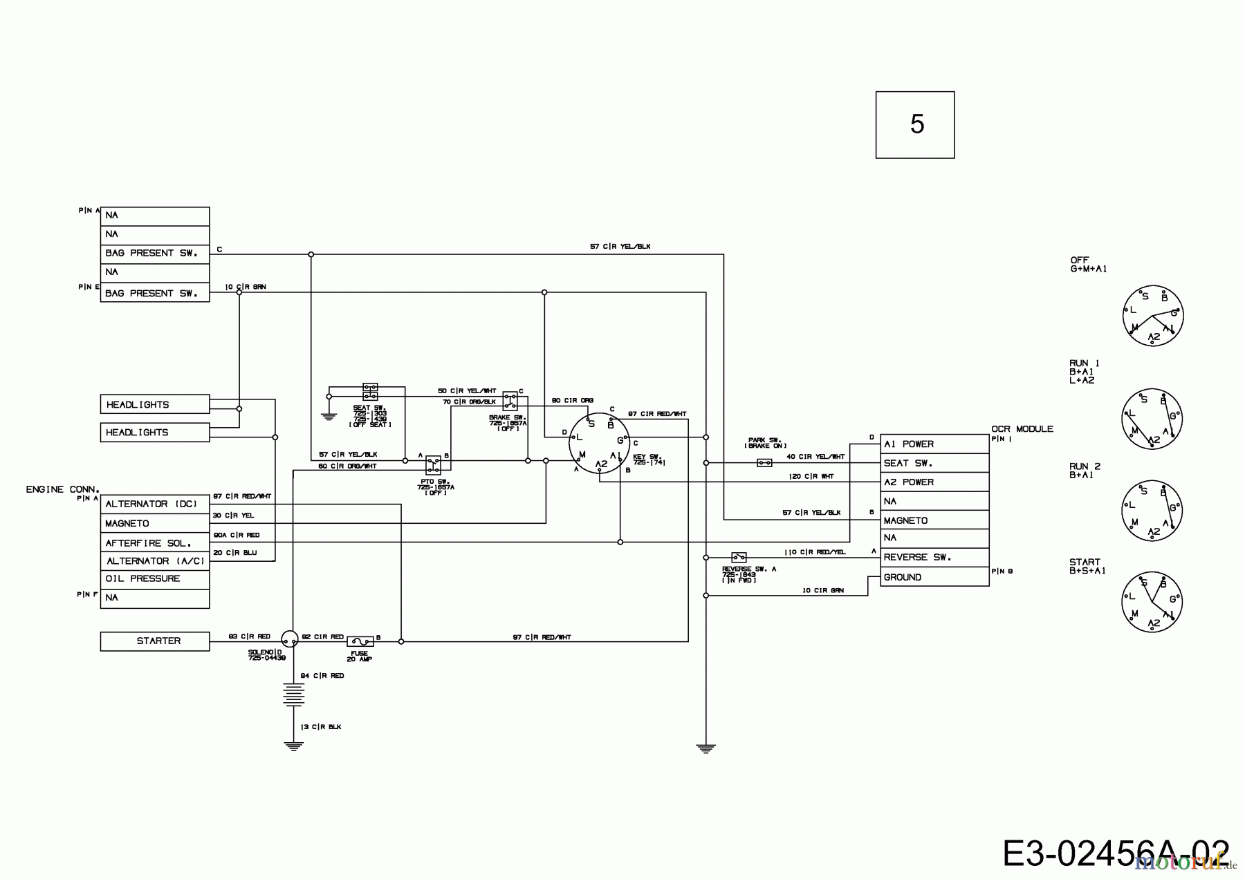
| 1 | 725-06137 | HARN:LT5:4POS:B&S:TEC:BAG:OCR | |


Gestione della qualità
Aiutaci a migliorare il nostro sito. Informaci se trovi un errore.

